AM-P-L-173091 (Nº de pedido 173091)
Escolha o conteúdo
Para módulos de avaliação MGB2-L/I
- Para módulos de avaliação MGB2-L/I
- Montagem simples e rápida (são necessários somente dois parafusos)
- Rápida substituição dos módulos
- Aço, revestido a pó
- Adequando para portas com batente à direita e à esquerda
- Incluindo um conjunto de parafusos

Descrição
Placa de montagem para o módulo de avaliação
Adequado para todos os módulos de travamento ou de bloqueio da família de sistemas MGB2. Para a fixação das placas de montagem, são suficientes 2 parafusos.
Importante:somente utilizar, se o módulo da maçaneta também estiver fixado em uma placa de montagem.

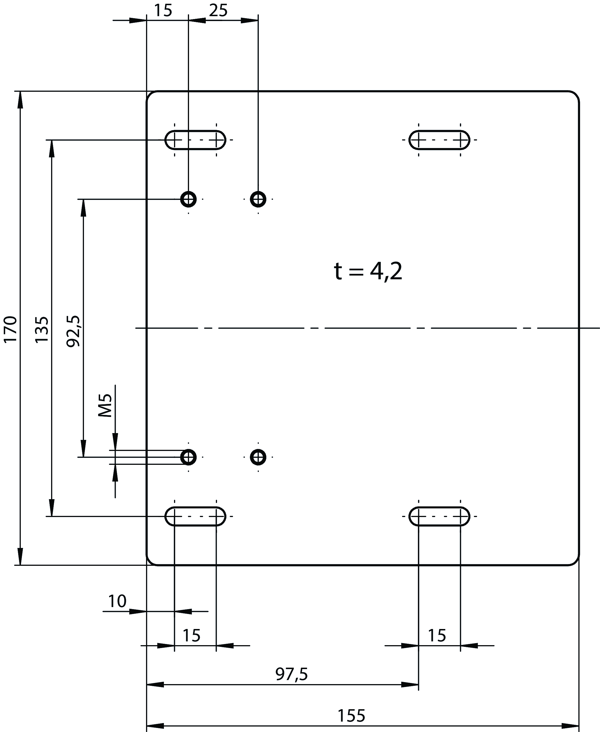
Desenhos dimensionais

Dados técnicos
Valores mecânicos e ambiente
| Temperatura de armazenamento | -30 ... 70 °C |
| Material | Aço, revestido a pó |
Diversos
| Cor | Preto |
| Compatibilidade | Para os dispositivos MGB2-L |
| Recurso adicional | Incl. material de fixação para os módulos sobre a placa de montagem |
Downloads
Pacote completo
Efetuar o download de todos os documentos importantes com um clique
Contém
- O manual de instruções e, eventualmente, o seu complemento ou as breves instruções
- Eventualmente as fichas técnicas como complemento do manual de instruções
- A declaração de conformidade
Efetuar o download do pacote completo (ZIP, 0,1 MB)
Dados de encomenda
| Nº de pedido | 173091 |
| Designação do artigo | AM-P-L-173091 |
| Peso bruto | 0,83kg |
| Número da tarifa alfandegária | 85389099990 |
