NZ2RS-538SEM5C2533 (Nº de pedido 171451)
Escolha o conteúdo
Chave de segurança NZ.RS, tucho de rolos, rolo de aço com ø 12 mm, conector de encaixe M12
- Tucho de rolete, rolete de aço ø 12 mm
- Versão C conforme EN 50041
- Conector de encaixe M12, 5 pinos
- 2 contato normalmente fechado

Descrição
Elemento de comutação
538H | Elemento de comutação lenta 2 contatos de abertura forçada |




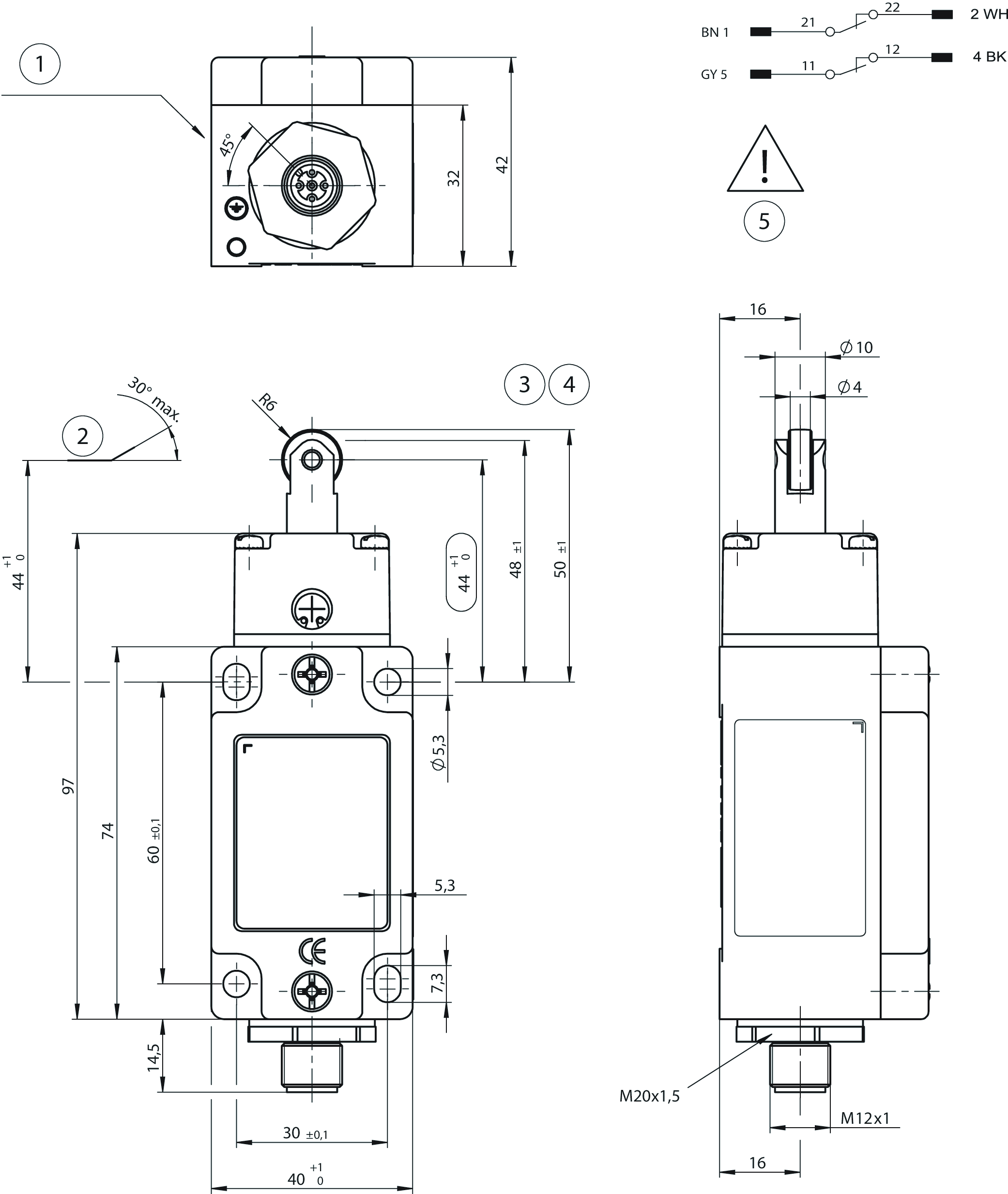
Desenhos dimensionais

| 1 | Ressalto de guia alinhado |
| 2 | Excêntrico |
| 3 | Ponto de comutação |
| 4 | Posição de repouso |
| 5 | Sem condutor de proteção |
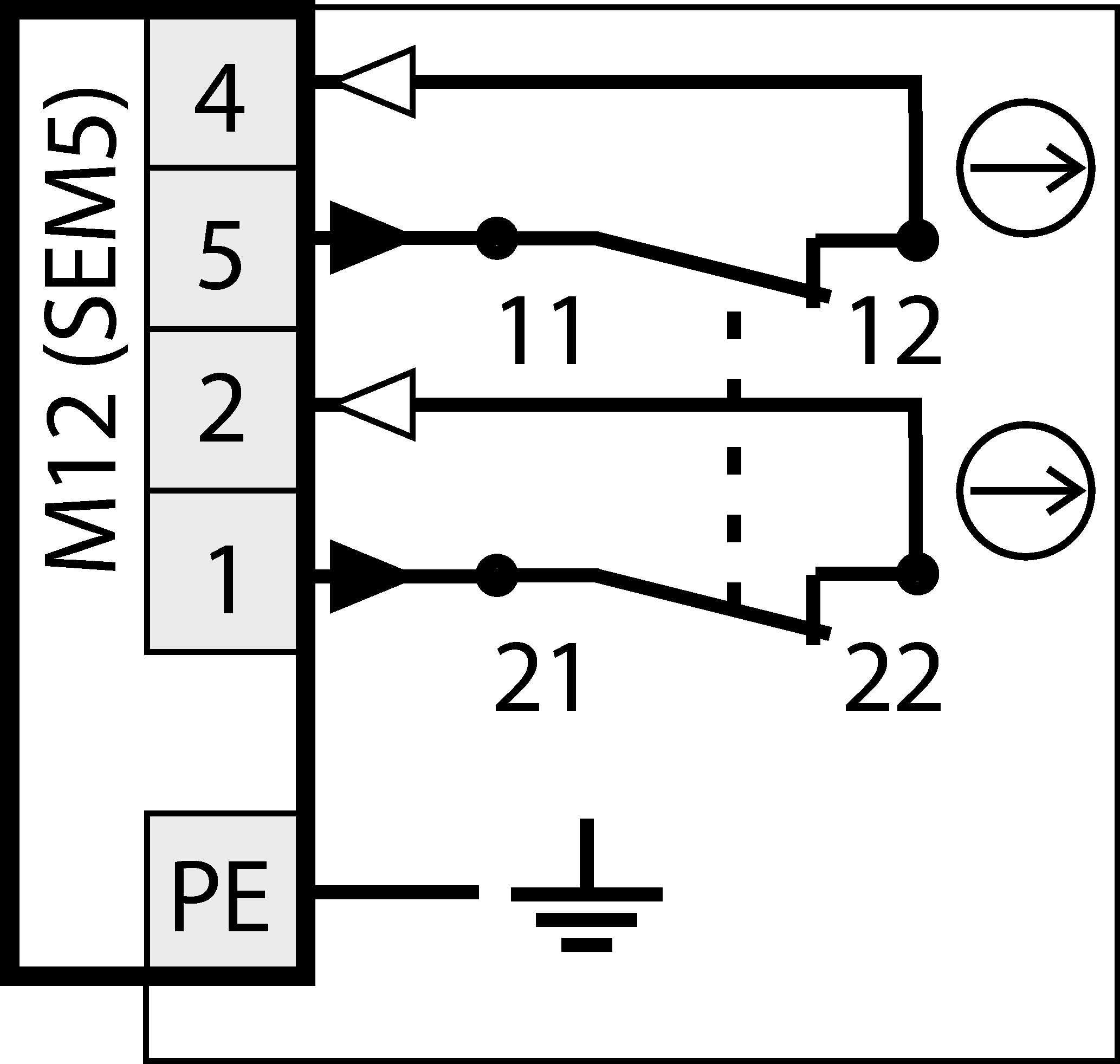
Exemplos de conexão

Diagramas de viagem por turnos

![]() | Contatos fechados |
![]() | Contatos abertos |
![]() | Contatos com abertura forçada |
Dados técnicos
Aprovações


Valores de conexão elétrica
| Hedging | max. 4 A gG |
| Tensão nominal de isolamento Ui | 50 V |
| Tensão nominal de impulso Uimp | 1.5 kV |
| Categoria de uso | |
| DC-13 | 4 A 24 V |
| AC-15 | 4 A 30 V |
| Corrente de comutação | |
| No mín. a CC 24 V | 1 mA |
| Corrente nominal térmica Ith | 4 A |
Valores mecânicos e ambiente
| Anfahrgeschwindigkeit | 0.1 ... 20 m/min |
| Tipo de conexão | |
| 1 x | Conector M12 (Chave de posição com conector de encaixe SEM5, pino 5 não de avanço.) |
| Quantidade de contatos de abertura forçada da posição da porta | 2 |
| Elemento de acionamento | |
| Mancal deslizante de metal | e de roldana (d Rolo = 12 mm, rolo de aço (RS)) |
| Força de acionamento | 15 ... 30 N |
| Posição de montagem | qualquer |
| Temperatura de armazenamento | -25 ... 80 °C |
| Vida mecânica | 30 x 10⁶ |
| Princípio de troca | Elemento de comutação lenta |
| Classe de proteção | IP67 |
| Temperatura ambiente | -25 ... 80 °C |
| Material | |
| Contato | Liga de prata, flash de ouro |
| Caixa | Metal leve anodizado fundido |
Valores característicos de acordo com EN ISO 13849-1 e EN IEC 62061
| B10D | Duração de uso | |
|---|---|---|
| Identificação de posição segura | 2x107 | 20 y |
| Importante! Valores válidos com CC-13 100 mA/24V | ||
Diversos
| Número C | |
| C2533 | Cabeamento específico do cliente |
| Recurso adicional | Carcaça sem condutor de proteção! Todas as conexões elétricas devem ser isoladas da rede, ou através de transformadores de segurança conforme EN IEC 61558-2-6 com limitação da tensão de saída em caso de falha, ou através de medidas de isolamento equivalentes. |
Downloads
Pacote completo
Efetuar o download de todos os documentos importantes com um clique
Contém
- O manual de instruções e, eventualmente, o seu complemento ou as breves instruções
- Eventualmente as fichas técnicas como complemento do manual de instruções
- A declaração de conformidade
Efetuar o download do pacote completo (ZIP, 4,5 MB)
Documentos isolados
Declarações de conformidade
EU-Konformitätserklärung
Nº do doc.
Versão
Idioma
Tamanho
EU-Konformitätserklärung
Nº do doc.
EDC2539628
Versão
Idioma
Tamanho
0,2 MB
UKCA-Konformitätserklärung
Nº do doc.
Versão
Idioma
Tamanho
UKCA-Konformitätserklärung
Nº do doc.
EDC20001551
Versão
Idioma
Tamanho
0,1 MB
Instruções
Operating Instructions Safety Switch NZ.D.../NZ.W.../NZ.R...
Nº do doc.
Versão
Idioma
Tamanho
Operating Instructions Safety Switch NZ.D.../NZ.W.../NZ.R...
Nº do doc.
2074549
Versão
08/25
Idioma
Tamanho
0,6 MB
Mode d’emploi Interrupteur de sécurité NZ.D.../NZ.W.../NZ.R...
Nº do doc.
2074549
Versão
08/25
Idioma
Tamanho
0,7 MB
Manual de instrucciones Interruptor de seguridad NZ.D.../NZ.W.../NZ.R...
Nº do doc.
2074549
Versão
08/25
Idioma
Tamanho
0,7 MB
Betriebsanleitung Sicherheitsschalter NZ.D.../NZ.W.../NZ.R...
Nº do doc.
2074549
Versão
08/25
Idioma
Tamanho
0,7 MB
Istruzioni di impiego Finecorsa di sicurezza NZ.D.../NZ.W.../NZ.R...
Nº do doc.
2074549
Versão
08/25
Idioma
Tamanho
0,6 MB
Инструкция по эксплуатации Предохранительный выключатель NZ.D…/NZ.W…/NZ.R…
Nº do doc.
2074549
Versão
08/25
Idioma
Tamanho
1,1 MB
Instrukcja obsługi Wyłącznik bezpieczeństwa NZ.D.../NZ.W.../NZ.R...
Nº do doc.
2074549
Versão
08/25
Idioma
Tamanho
1,1 MB
Návod na prevádzku Bezpečnostný spínač NZ.D.../NZ.W.../NZ.R...
Nº do doc.
2074549
Versão
08/25
Idioma
Tamanho
1,1 MB
Outros documentos
Aprovações e certificados
CCC
Nº do doc.
Versão
Idioma
Tamanho
CCC
Nº do doc.
20001753
Versão
Idioma
Tamanho
0,0 MB
DNV-GL
Nº do doc.
Versão
Idioma
Tamanho
DNV-GL
Nº do doc.
Versão
Idioma
Tamanho
0,2 MB
WEEE
Nº do doc.
Versão
Idioma
Tamanho
WEEE
Nº do doc.
ECO20001806
Versão
Idioma
Tamanho
0,1 MB
Documentos de venda
Safety Switches with Metal Housing
Nº do doc.
Versão
Idioma
Tamanho
Safety Switches with Metal Housing
Nº do doc.
100369
Versão
11-03/18
Idioma
Tamanho
7,8 MB
Interrupteurs de sécurité avec boîtier métallique
Nº do doc.
100676
Versão
11-03/18
Idioma
Tamanho
7,9 MB
Interruptores de seguridad con carcasa metálica
Nº do doc.
104856
Versão
11-03/18
Idioma
Tamanho
14,0 MB
Sicherheitsschalter mit Metallgehäuse
Nº do doc.
100319
Versão
11-03/18
Idioma
Tamanho
7,9 MB
金属壳体 的安全开关
Nº do doc.
102453
Versão
11-03/18
Idioma
Tamanho
8,2 MB
Bezpečnostní spínače s kovovým pouzdrem
Nº do doc.
121650
Versão
11-03/18
Idioma
Tamanho
7,8 MB
Dados de encomenda
| Nº de pedido | 171451 |
| Designação do artigo | NZ2RS-538SEM5C2533 |
| Peso bruto | 0,34kg |
| Número da tarifa alfandegária | 85365019000 |
| ECLASS | 27-27-26-01 Safety position switch (Type 1) |




