AM-P-H-156683 (Nº de pedido 156683)
Escolha o conteúdo
Placa de montagem para o módulo da maçaneta MGB2-H...
- Para módulo da maçaneta MGB2-H
- Montagem simples e rápida
- Rápida substituição dos módulos
- Aço, revestido a pó
- Adequando para portas com batente à direita e à esquerda
- Incluindo um conjunto de parafusos

Descrição

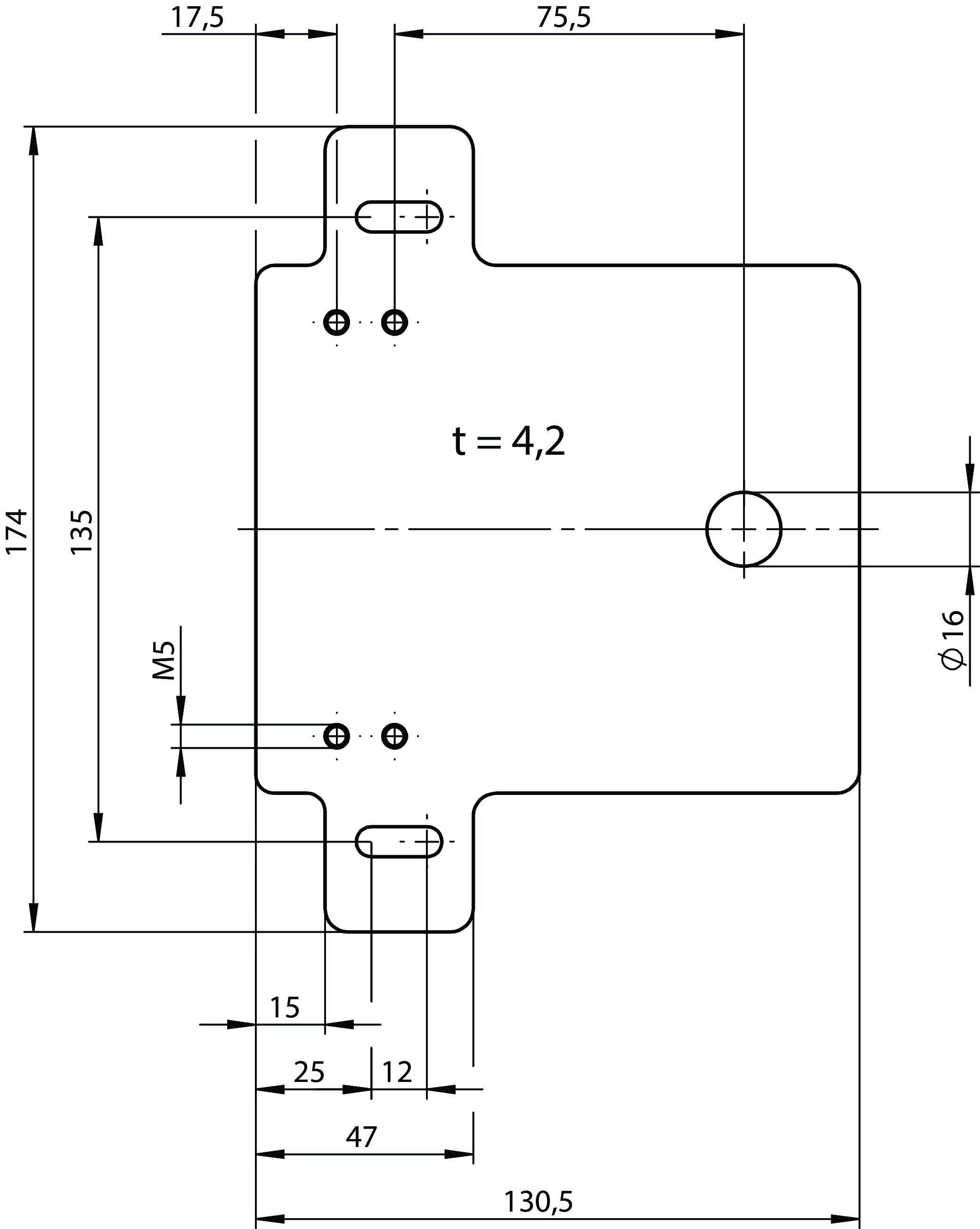
Desenhos dimensionais

Dados técnicos
Valores mecânicos e ambiente
| Temperatura de armazenamento | -30 ... 70 °C |
| Material | Aço, revestido a pó |
Diversos
| Cor | Preto |
| Compatibilidade | Para os dispositivos MGB2-H |
| Recurso adicional | Incl. material de fixação para MGB2-H sobre a placa de montagem |
Downloads
Pacote completo
Efetuar o download de todos os documentos importantes com um clique
Contém
- O manual de instruções e, eventualmente, o seu complemento ou as breves instruções
- Eventualmente as fichas técnicas como complemento do manual de instruções
- A declaração de conformidade
Efetuar o download do pacote completo (ZIP, 0,1 MB)
Dados de encomenda
| Nº de pedido | 156683 |
| Designação do artigo | AM-P-H-156683 |
| Peso bruto | 0,553kg |
| Número da tarifa alfandegária | 85389099990 |
