AM-B-126231 (Nº de pedido 126231)
Escolha o conteúdo
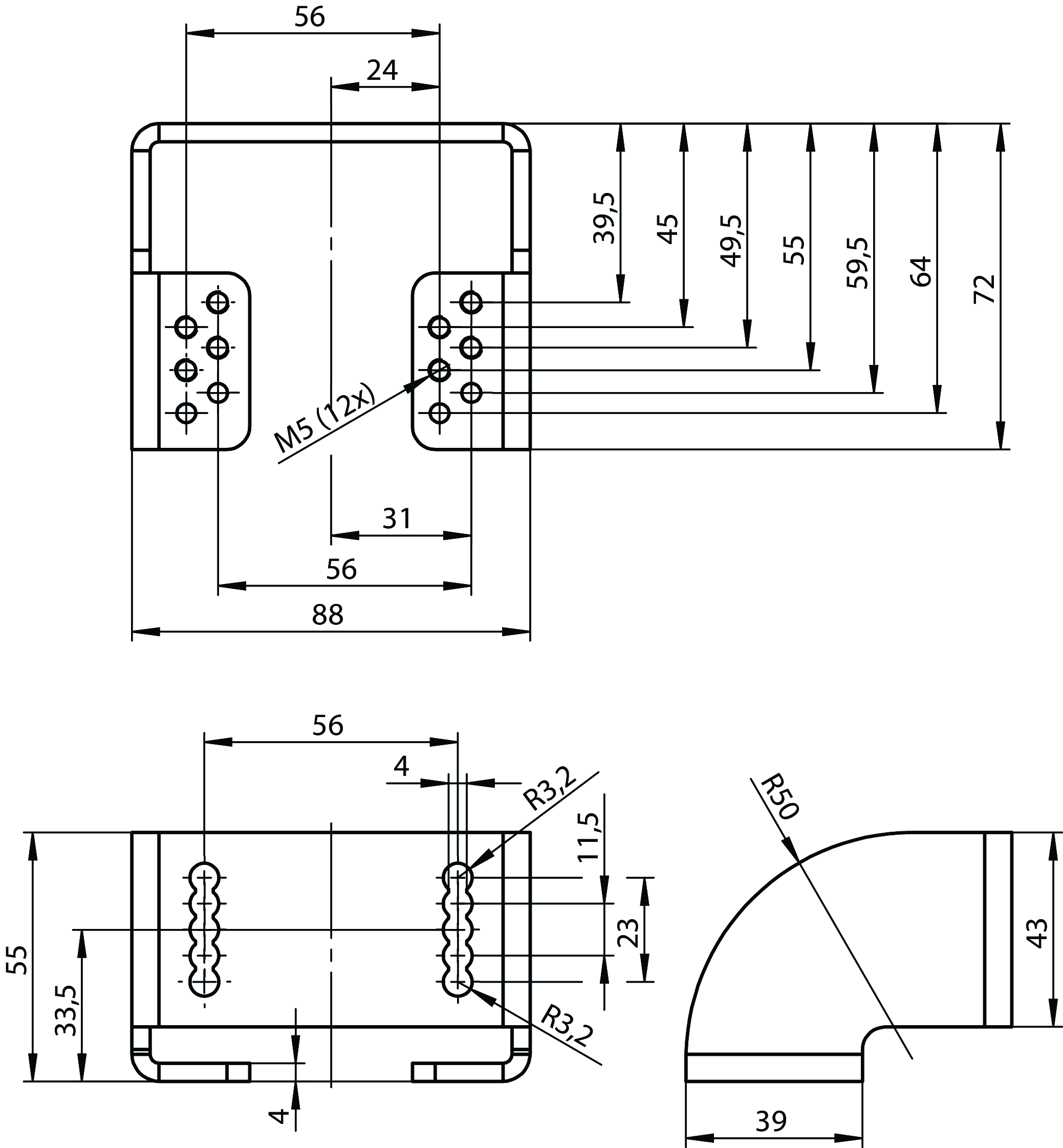
Ângulo de montagem para a chave CEM-C40
- Ângulo de montagem para a chave CEM-C40
- Adequado para a montagem sobre os perfis de alumínio com a largura de 30-45 mm

Descrição


Desenhos dimensionais

Desenhos dimensionais

| 1 | 2 Parafusos M5x16, destes, um parafuso de segurança no escopo de fornecimento do atuador |
| 2 | Utilize para a fixação da chave impreterivelmente as arruelas dentadas anexadas, a fim de ligar a carcaça de modo condutivo com o fundo |
Dados técnicos
Valores mecânicos e ambiente
| Temperatura de armazenamento | -25 ... 70 °C |
| Material | NIRO |
Componentes incluídos no conjunto
| Acessórios inclusos | ÃNGULO DE MONTAGEM CEM-C40 |
Downloads
Pacote completo
Efetuar o download de todos os documentos importantes com um clique
Contém
- O manual de instruções e, eventualmente, o seu complemento ou as breves instruções
- Eventualmente as fichas técnicas como complemento do manual de instruções
- A declaração de conformidade
Efetuar o download do pacote completo (ZIP, 0,2 MB)
Documentos isolados
Outros documentos
Documentos de venda
CAD/eCAD
Dados de encomenda
| Nº de pedido | 126231 |
| Designação do artigo | AM-B-126231 |
| Peso bruto | 0,375kg |
| Número da tarifa alfandegária | 85389099990 |

