RIEGELSCHIEBER/BOLT SLIDE CES (Nº de pedido 123234)
Escolha o conteúdo
Corrediça do trinco para trinco CES-C01
- Peça de reposição para trinco CES-C01
- Adequado para trinco sem batente de porta
- Adequado para uma folga de porta de aprox. 7 mm
- Com maçaneta de plástico

Descrição
Escopo de fornecimento
Atuador CES pré-montado na lingueta do trinco

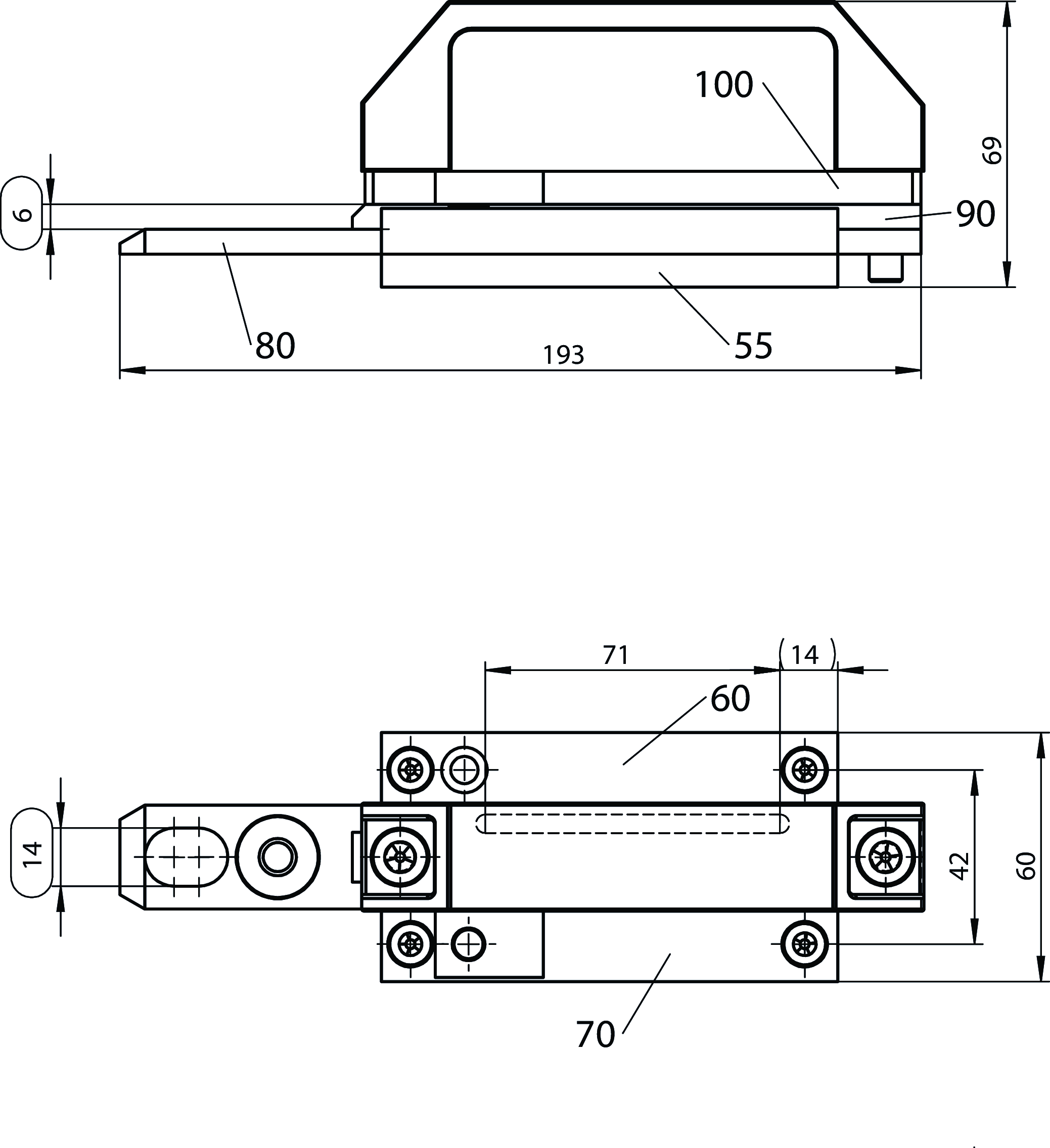
Desenhos dimensionais

Dados técnicos
Valores mecânicos e ambiente
| Temperatura de armazenamento | -25 ... 70 °C |
| Material | |
| Placa base | Aço galvanizado |
| Maçaneta | Plástico |
| Barras de guia | Plástico |
Diversos
| Engate na posição fechada | Engate da esfera |
Downloads
Pacote completo
Efetuar o download de todos os documentos importantes com um clique
Contém
- O manual de instruções e, eventualmente, o seu complemento ou as breves instruções
- Eventualmente as fichas técnicas como complemento do manual de instruções
- A declaração de conformidade
Efetuar o download do pacote completo (ZIP, 9,2 MB)
Documentos isolados
Instruções
Informação de segurança referente ao trinco
Nº do doc.
Versão
Idioma
Tamanho
Informação de segurança referente ao trinco
Nº do doc.
2530033
Versão
04-03/24
Idioma
Tamanho
0,4 MB
Safety Information for Bolts
Information de sécurité pour verrous-targettes
Información de seguridad para cerrojos
Sicherheitsinformation für Riegel
Information de sécurité pour verrous-targettes
Información de seguridad para cerrojos
Sicherheitsinformation für Riegel
Nº do doc.
2530033
Versão
04-03/24
Idioma
Tamanho
0,2 MB
Sicherheitsinformation für Riegel
Nº do doc.
2530033
Versão
04-03/24
Idioma
Tamanho
0,2 MB
Informazioni sulla sicurezza per il chiavistello
Nº do doc.
2530033
Versão
04-03/24
Idioma
Tamanho
0,1 MB
Bezpečnostní informace pro petlice
Nº do doc.
2530033
Versão
04-03/24
Idioma
Tamanho
0,5 MB
Tolózár biztonsági információi
Nº do doc.
2530033
Versão
04-03/24
Idioma
Tamanho
0,5 MB
Информация за безопасност за ригели
Nº do doc.
2530033
Versão
04-03/24
Idioma
Tamanho
0,5 MB
Sikkerhedsinformation for bolte
Nº do doc.
2530033
Versão
04-03/24
Idioma
Tamanho
0,4 MB
Ohutusalane teave riivistuste kohta
Nº do doc.
2530033
Versão
04-03/24
Idioma
Tamanho
0,5 MB
Turvallisuustietoja salvalle
Nº do doc.
2530033
Versão
04-03/24
Idioma
Tamanho
0,4 MB
Πληροφορίες ασφαλείας για μάνδαλα
Nº do doc.
2530033
Versão
04-03/24
Idioma
Tamanho
0,5 MB
Sigurnosne informacije za brave
Nº do doc.
2530033
Versão
04-03/24
Idioma
Tamanho
0,5 MB
Aizbīdņu drošības informācija
Nº do doc.
2530033
Versão
04-03/24
Idioma
Tamanho
0,5 MB
Saugos informacija skląsčiui
Nº do doc.
2530033
Versão
04-03/24
Idioma
Tamanho
0,5 MB
Veiligheidsinformatie voor grendels
Nº do doc.
2530033
Versão
04-03/24
Idioma
Tamanho
0,4 MB
Sikkerhetsinformasjon for låser
Nº do doc.
2530033
Versão
04-03/24
Idioma
Tamanho
0,4 MB
Informacje o bezpieczeństwie dotyczące użytkowania zasuw
Nº do doc.
2530033
Versão
04-03/24
Idioma
Tamanho
0,5 MB
Säkerhetsinformation för regeln
Nº do doc.
2530033
Versão
04-03/24
Idioma
Tamanho
0,4 MB
Varnostne informacije o zapahu
Nº do doc.
2530033
Versão
04-03/24
Idioma
Tamanho
0,5 MB
Bezpečnostná informácia pre závory
Nº do doc.
2530033
Versão
04-03/24
Idioma
Tamanho
0,5 MB
Sürgüler için güvenlik bilgisi
Nº do doc.
2530033
Versão
04-03/24
Idioma
Tamanho
0,5 MB
Informații de siguranță privind zăvoarele
Nº do doc.
2530033
Versão
04-03/24
Idioma
Tamanho
0,5 MB
Outros documentos
Aprovações e certificados
WEEE
Nº do doc.
Versão
Idioma
Tamanho
WEEE
Nº do doc.
ECO20001806
Versão
Idioma
Tamanho
0,1 MB
Dados de encomenda
| Nº de pedido | 123234 |
| Designação do artigo | RIEGELSCHIEBER/BOLT SLIDE CES |
| Peso bruto | 1,021kg |
| Número da tarifa alfandegária | 83014090000 |
