SCHLOSS STA GLEICHSCHLIESSEND (Nº de pedido 105350)
Escolha o conteúdo
Fecho para o destravamento auxiliar para a chave de segurança STA
- Fecho com travamento simultâneo
- A chave pode ser retirada em ambos os lados

Descrição
O fecho é utilizado em conjunto com a chave de segurança STA. O destravamento auxiliar da chave oferece ao pessoal autorizado a possibilidade de, em determinadas situações, acionar o destravamento auxiliar com a chave correspondente. O solenóide é mantido assim na posição “destravada”. O fecho é fixado sobre a tampa (por cima do destravamento auxiliar) da chave de segurança com o auxílio de 2 parafusos.
- Encomendar a chave de segurança STA separadamente
- As 2 chaves estão contidas no escopo de fornecimento
- Cada chave de segurança da série STA pode ser equipada posteriormente com um fecho

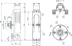
Desenhos dimensionais

| 1 | Destravamento auxiliar (ajuste básico) |
| 2 | Parafuso de segurança |
| 3 | Marca de posição |
| 4 | bloqueado |
| 5 | Lâmina |
| 6 | Luva (2x) |
| 7 | destravado |
Dados técnicos
Valores mecânicos e ambiente
| Posição de extração | dois (0° e 180°) |
| Temperatura de armazenamento | -25 ... 70 °C |
| Tipo de fecho | com fecho simultâneo |
| Material | Plástico (Fecho: metal) |
Acessórios
Downloads
Pacote completo
Efetuar o download de todos os documentos importantes com um clique
Contém
- O manual de instruções e, eventualmente, o seu complemento ou as breves instruções
- Eventualmente as fichas técnicas como complemento do manual de instruções
- A declaração de conformidade
Efetuar o download do pacote completo (ZIP, 3,4 MB)
Documentos isolados
Instruções
Assembly Instructions Releases for CTA, CTP, TP, STP, STA, MGB2
Nº do doc.
Versão
Idioma
Tamanho
Assembly Instructions Releases for CTA, CTP, TP, STP, STA, MGB2
Montageanleitung Entriegelungen für CTA, CTP, TP, STP, STA, MGB2
Montageanleitung Entriegelungen für CTA, CTP, TP, STP, STA, MGB2
Nº do doc.
MAN20001451
Versão
01-09/21
Idioma
Tamanho
1,4 MB
Assembly Instructions Releases for CTA, CTP, TP, STP, STA, MGB2
Montageanleitung Entriegelungen für CTA, CTP, TP, STP, STA, MGB2
Montageanleitung Entriegelungen für CTA, CTP, TP, STP, STA, MGB2
Nº do doc.
MAN20001451
Versão
01-09/21
Idioma
Tamanho
1,4 MB
Outros documentos
Documentos de venda
Safety Switches with Plastic Housing
Nº do doc.
Versão
Idioma
Tamanho
Safety Switches with Plastic Housing
Nº do doc.
096956
Versão
11-03/18
Idioma
Tamanho
6,5 MB
Interrupteurs de sécurité avec boîtier plastique
Nº do doc.
100677
Versão
11-03/18
Idioma
Tamanho
6,6 MB
Interruptores de seguridad con carcasa plástica
Nº do doc.
104855
Versão
11-03/18
Idioma
Tamanho
6,6 MB
Sicherheitsschalter mit Kunststoffgehäuse
Nº do doc.
096955
Versão
11-03/18
Idioma
Tamanho
6,6 MB
塑料壳体 的安全开关
Nº do doc.
116243
Versão
11-03/18
Idioma
Tamanho
6,1 MB
Bezpečnostní spínače s plastovým pouzdrem
Nº do doc.
121649
Versão
11-03/18
Idioma
Tamanho
6,5 MB
Dados de encomenda
| Nº de pedido | 105350 |
| Designação do artigo | SCHLOSS STA GLEICHSCHLIESSEND |
| Peso bruto | 0,37kg |
| Número da tarifa alfandegária | 85389099990 |

