EKS PC-MOUNTING FRAME (Nº de pedido 093615)
Escolha o conteúdo
Moldura de instalação PC
- Estrutura de suporte PC para o compartimento de unidade de 5,25"
- Para a montagem do alojamento de chave EKS em um PC
- Frente em preto sinal fosco RAL 9004
- Inclusive 4 parafusos de fixação
- Opcionalmente pode ser adquirido um cabo de conexão a partir do alojamento de chave USB até a conexão USB interna da placa mãe

Descrição

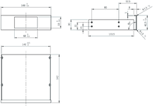
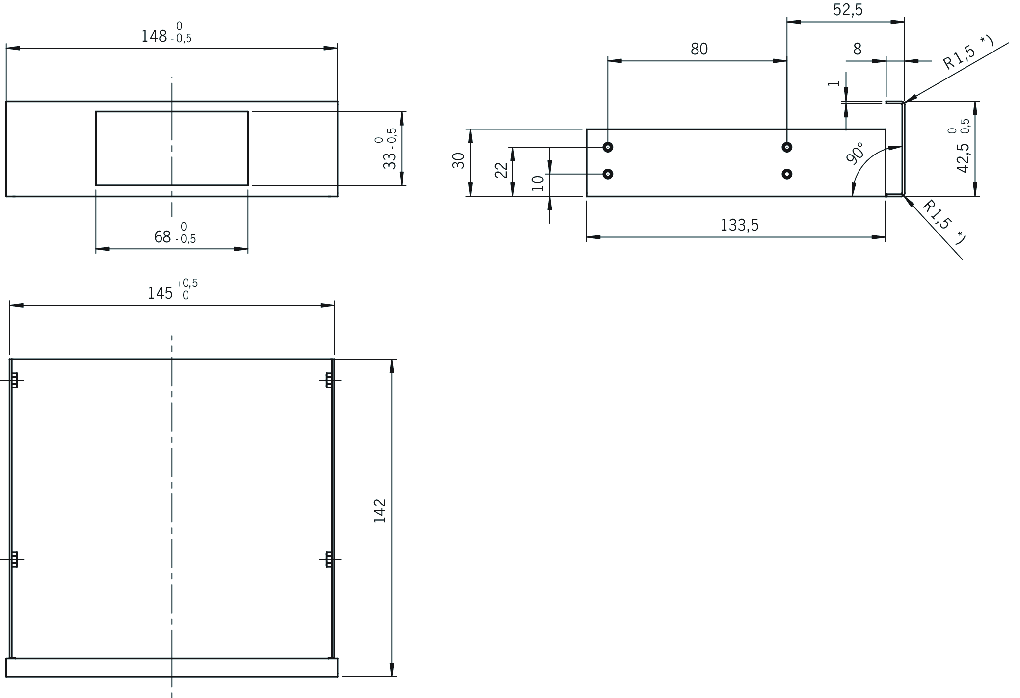
Desenhos dimensionais

Dados técnicos
Valores mecânicos e ambiente
| Temperatura de armazenamento | -25 ... 70 °C |
| Compartimento da unidade | 5.25 |
| Tipo de montagem | Lado frontal |
| Corte para montagem | 33 x 68 mm |
| Material | Chapa de aço |
Diversos
| Cor | Sinal preto fosco |
Acessórios
Downloads
Documentos de venda
Die sichere Wahl - Betriebsartenwahl mit dem Electronic-Key-System
Nº do doc.
Versão
Idioma
Tamanho
Die sichere Wahl - Betriebsartenwahl mit dem Electronic-Key-System
Nº do doc.
127382
Versão
08/25
Idioma
Tamanho
11,8 MB
Electronic-Key-System EKS
Nº do doc.
Versão
Idioma
Tamanho
Electronic-Key-System EKS
Nº do doc.
086808
Versão
16-08/23
Idioma
Tamanho
9,1 MB
Electronic-Key-System EKS
Nº do doc.
086809
Versão
16-08/23
Idioma
Tamanho
8,7 MB
Electronic-Key-System EKS
Nº do doc.
092953
Versão
16-08/23
Idioma
Tamanho
8,7 MB
Electronic-Key-System EKS
Nº do doc.
114432
Versão
16-08/23
Idioma
Tamanho
8,8 MB
电子钥匙系统 Electronic-Key-System EKS
Nº do doc.
Versão
Idioma
Tamanho
电子钥匙系统 Electronic-Key-System EKS
Nº do doc.
172284
Versão
16-08/23
Idioma
Tamanho
11,9 MB
Dados de encomenda
| Nº de pedido | 093615 |
| Designação do artigo | EKS PC-MOUNTING FRAME |
| Peso bruto | 0,384kg |
| Número da tarifa alfandegária | 85389099990 |

