ZSA2B2G05B-C1662 (Nº de pedido 057097)
ZSA, 3 estágios com cabo e conector de encaixe SS4
- Carcaça G1
- Função de 3 estágios
- Cabo de conexão reto com o conector de encaixe, 5 m
- Conexão direta na chave de segurança

Descrição
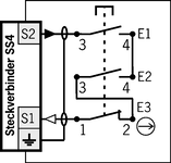
Elemento de comutação
1110 | 1 N/A / N/F |
Cabo
Os cabos de conexão de alta qualidade (blindagem individual dos contatos de segurança) podem ser adquiridos na versão reta.
Adequado para a conexão direta na chave de segurança
Esta chave enable pode ser conectada diretamente em uma chave de segurança (TZ…C1662).
Função de 3 estágios
Função enable somente no segundo estágio (posição central, ponto de pressão) ativo. Ao soltar ou pressionar (função pânico) a tecla até o fundo, o enable é revogado (dependendo do cabeamento, consultar a sequência de funcionamento).



Desenhos dimensionais

| 1 | SW16 |
| 2 | Pg9 |
| 3 | Imagem do pólo com vista pelo lado de encaixe |
Exemplos de conexão

Diagramas de viagem por turnos

![]() | Fechado, autorização |
![]() | fechado |
![]() | Aberto |
Dados técnicos
Aprovações



Valores de conexão elétrica
| Hedging | max. 2 A gG |
| Cabo de conexão observação (interno) | 3x0,75²mm (2 Fios blindados) |
| Corrente de curto-circuito nominal condicional | 100 A |
| Tensão nominal de isolamento Ui | 32 V |
| Tensão nominal de impulso Uimp | 0.8 kV |
| Categoria de uso | |
| DC-13 | 2 A 24 V |
| AC-15 | 2 A 24 V |
| Tensão de comutação | |
| No mín. com 10 mA | 12 V |
| Corrente de comutação | |
| min. a 24 V | 1 mA |
| Comportamento de comutação | Chave enable de 3 estágios |
| Grau de contaminação (externo, conforme EN 60947-1) | 3 |
Valores mecânicos e ambiente
| Tipo de conexão | Conector de encaixe com quantidade de pinos 3 + PE |
| Quantidade de contatos de trabalho | 2 |
| Quantidade de contatos de abertura forçada | 1 |
| Temperatura de armazenamento | -25 ... 70 °C |
| Comprimento do cabo | |
| reto | 5 m |
| Vida mecânica | |
| Posição 1-2-1 | 0.1 x 10⁶ |
| Posição 1-2-3-1 | 0.1 x 10⁶ |
| Princípio de troca | Chave lenta |
| Classe de proteção | IP67 |
| Temperatura ambiente | -5 ... 50 °C |
| Material | Plástico |
Valores característicos de acordo com EN ISO 13849-1 e EN IEC 62061
| B10D | Duração de uso | |
|---|---|---|
| Chave enable | 0.39x106 | 20 y |
Diversos
| Normas cumpridas | 60947-5-8 |
Acessórios
Downloads
Pacote completo
Efetuar o download de todos os documentos importantes com um clique
Contém
- O manual de instruções e, eventualmente, o seu complemento ou as breves instruções
- Eventualmente as fichas técnicas como complemento do manual de instruções
- A declaração de conformidade
Documentos isolados
Outros documentos
CAD/eCAD
Dados de encomenda
| Nº de pedido | 057097 |
| Designação do artigo | ZSA2B2G05B-C1662 |
| Peso bruto | 0,764kg |
| Global Trade Item Number (GTIN) | 4047048004511 |
| Número da tarifa alfandegária | 85365019000 |
| ECLASS | 27-37-12-38 Agreement switch |






