MGB2-L1B-PN-U-S4-GA-L-174517 (주문 번호 174517)
콘텐츠 선택
세트 MGB2-L1...-PN 일습(푸시버튼 3개, 비상 스톱, 키 작동식 회전 스위치, 폐쇄회로 전류 원리, 좌측에 도어 경첩)
- 가드 로크 모니터링 기능 탑재 가드 잠금장치
- ISO 13850에 따른 발광 비상 스톱
- 발광 푸시버튼 3개
- OM.R 키 작동식 회전 스위치(2채널)
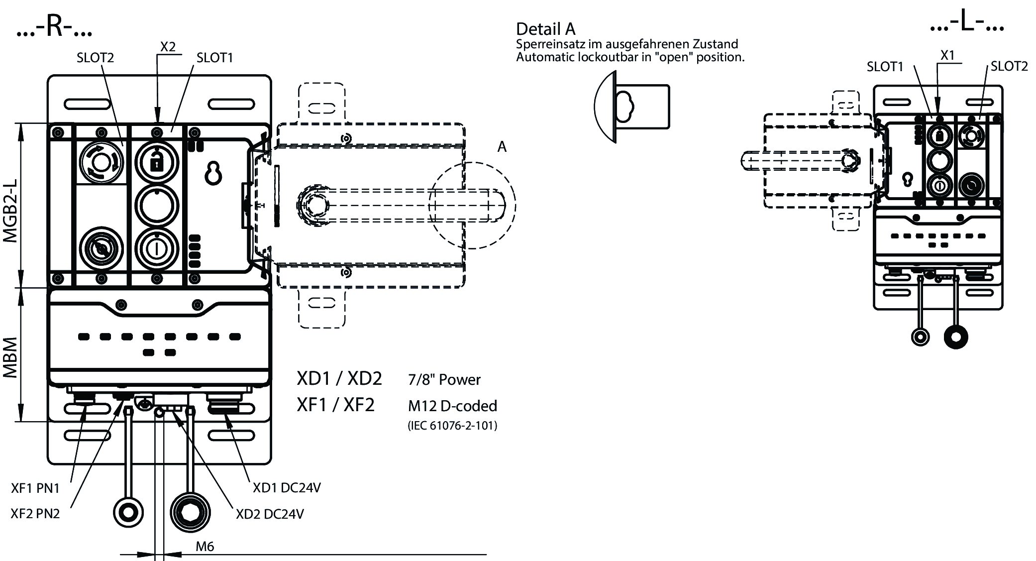
- 플러그 커넥터 M12를 통한 연결, D-코팅
- 내장된 스위치
- 조절형 도어 경첩; 공장 설정: 좌측
- 유니코드

설명
가드 잠금 타입
MGB2-L1... | 스프링 힘에 의한 가드 잠금. 가드 잠금 솔레노이드에 전압을 가하여 릴리스 (폐쇄회로 전류 원리) |
PROFINET 연결
IEC 61076-2-101에 따른 플러그 커넥터 M12 D-코딩(7/8" 플러그 및 M12 플러그, D-코딩)
PROFINET 스위치
내장형 스위치로 인한 선형 위상 네트워크 구조(MRP 지원).


치수 도면

치수 도면

기술 자료
승인

AM-P-LB-156682 (주문. 아니요. 156682)
기계적 가치 및 환경
| 보관 온도 | -30 ... 70 °C |
| 재질 | 스틸, 가루로 코팅됨 |
기타
| 색 | 검은색 |
| 호환성 | MGB2-L 및 MBM 장치용 |
| 추가 기능 | 모듈을 마운팅 플레이트에 고정하는 재료 포함 |
잠금 모듈 MGB2-L1-MLI-U-YI7I8-CA-L-168724 (주문. 아니요. 168724)
기계적 가치 및 환경
| 설치 방향 | 도어 경첩 DIN 좌측 |
버스 모듈 MBM-PN-S4-MLI-3B-169765 (주문. 아니요. 169765)
전기 연결 값
| 연결 케이블 | |
| MLI | 5-핀, M12 1개 |
| 정격 절연 전압 Ui | 75 V |
| 정격 임펄스 전압 Uimp | 0.5 kV |
| EMC 방호 요건 | EMC 지침 2014/30/EU |
| 연결 블록으로 공급되는 최대 공급 전류 | |
| XD1, XD2 | max. 6000 mA |
| 안전 등급 | III |
| 전류 소비 | |
| 연결된 모든 모듈/서브 모듈을 포함한 버스 모듈 | max. 4000 mA |
| max. 200 mA | |
| 오염 등급(외부, EN 60947-1에 의거) | 3 |
| 전원장치 XD1, XD2 | |
| 헤징 | |
| 외부 | min. 1 A 느린 송풍 |
| 작동 전압 DC | |
| L1 | 24 V DC -15% ... +20% ((역극 방지, 조절형, 잔류 리플<5%, PELV)) |
| 보조 전압 DC | |
| L2 | 24 V DC -15% ... +20% (MGB 시스템에는 보조 전압이 필요하지 않습니다) |
기계적 가치 및 환경
| 연결 유형 | |
| IEC 61076-2-101에 의거, 프로피넷 I/O 케이블, 최소한 범주 5e | M12. D-코딩, 차폐됨 (XF1(올바른 케이블 선택에 있어서 PNO 보조 문서에서 나온 PROFINET "배선 및 상호 연결 기술' 문서.)) |
| IEC 61076-2-101에 의거, 프로피넷 I/O 케이블, 최소한 범주 5e | M12. D-코딩, 차폐됨 (XF2(올바른 케이블 선택에 있어서 PNO 보조 문서에서 나온 PROFINET "배선 및 상호 연결 기술' 문서.)) |
| 7/8" 전원 (XD1(올바른 케이블 선택에 있어서 PNO 보조 문서에서 나온 PROFINET "배선 및 상호 연결 기술' 문서.)) | |
| 7/8" 전원 (XD2(올바른 케이블 선택에 있어서 PNO 보조 문서에서 나온 PROFINET "배선 및 상호 연결 기술' 문서.)) | |
| 설치 방향 | 임의 |
| 보관 온도 | -25 ... 70 °C |
| 내충격성 및 내진동성 | EN IEC 60947-5-3에 의거 |
| 보호 등급 | IP65 (닫힌 상태에서 연결 케이블, 케이블 연결부 및 서브 모듈이 올바로 장착되어 있을 때) |
| 주변 온도 | |
| UB = 24V DC에서 | -25 ... 55 °C |
| 재질 | |
| 하우징 | 섬유유리 강화 플라스틱 , 다이캐스트 아연, 니켈 도금 |
| ML1C / ML2C | |
| 연결 유형 | 스크루 단자 |
| 연결 유형 | 수플러그 |
| 타입 사양 | M12 EN 61076-2-101 / A-코딩 |
| 핀의 수량 | 5 |
| 삽입 주기 | 100 |
| ML1D | |
| 연결 유형 | 커넥터 (잠기지 않음) |
| 연결 유형 | 수플러그 |
| 핀의 수량 | 5 |
| 삽입 주기 | 100 |
EN ISO 13849-1 및 EN IEC 62061에 따른 특성 값
| PL | 최대 SIL | PFHD | 범주 | 임무 시간 | |
|---|---|---|---|---|---|
| 안전 신호 평가 | PL e | 3 | 5.38x10-9 | 4 | 20 y |
인터페이스
| 버스 데이터 프로토콜 | 프로피넷(IEC 61158 타입 10) |
| 안전 데이터 프로토콜 | Profisafe (IEC 61784-3-3) |
| 날짜 인터페이스 | 이더넷 |
모듈 MGB2-L1-MLI-U-Y0000-BJ-136776
전기 연결 값
| 정격 절연 전압 Ui | 75 V |
| 정격 임펄스 전압 Uimp | 0.5 kV |
| EMC 방호 요건 | EMC 지침 2014/30/EU |
| 안전 등급 | III |
| 전류 소비 | max. 350 mA |
| 트랜스폰더 코딩 | Unicode |
| 오염 등급(외부, EN 60947-1에 의거) | 3 |
기계적 가치 및 환경
| 스위칭 주파수 | 0.25 Hz |
| 보관 온도 | -30 ... 70 °C |
| 기계적 수명 | |
| 합계 | 1 x 10⁶ |
| 도어 스톱으로서 사용하는 경우, 2줄의 충격 에너지 | 0.1 x 10⁶ |
| 도어 스톱으로서 사용하는 경우, 1줄의 충격 에너지 | 0.2 x 10⁶ |
| 응답 시간 | 버스 모듈 MBM-...의 사용 설명서 참조 |
| 내충격성 및 내진동성 | EN IEC 60947-5-3에 의거 |
| 보호 등급 | IP65 (닫힌 상태에서 연결 케이블, 케이블 연결부 및 서브 모듈이 올바로 장착되어 있을 때) |
| 주변 온도 | |
| UB = 24V DC에서 | -30 ... 55 °C |
| 재질 | |
| 하우징 | 섬유유리 강화 플라스틱 , 다이캐스트 아연, 니켈 도금 |
| 잠금력 FZh | 2000 N |
| 가드 잠금 원리 | 폐쇄회로 전류 원리 |
EN ISO 13849-1 및 EN IEC 62061에 따른 특성 값
| PL | 최대 SIL | PFHD | 범주 | 임무 시간 | |
|---|---|---|---|---|---|
| 가드 잠금의 제어 | PL e | 3 | 2.62x10-9 | 4 | 20 y |
| 가드 위치의 모니터링 | PL e | 3 | 2.62x10-9 | 4 | 20 y |
| 가드 잠금장치의 모니터링 | PL e | 3 | 2.62x10-9 | 4 | 20 y |
| 안전 신호 평가 | PL e | 3 | 2.62x10-9 | 4 | 20 y |
| 비상 스톱, 인에이블링 스위치 등 서브 모듈에 포함된 모든 안전 기능에 적용됩니다. | |||||
기타
| Slotkonfiguration | 1,1 |
부속품 연결 AC-MC-SB-M-A-157024
전기 연결 값
| 연결 케이블 | |
| MLI | 5-핀, M12 1개 |
| 정격 전압 | 36 V |
| 정격 전압 | 30 V |
| 공칭 전류 | |
| 40°C에서 | 4 A |
| EN 60664-1에 따른 오염 등급 | 3 |
기계적 가치 및 환경
| 보관 온도 | -30 ... 70 °C |
| 주변 온도 | -30 ... 55 °C |
| 연결부 1 | |
| 연결 유형 | M4 나사 2개 |
| 연결 유형 | 수플러그 |
| 핀의 수량 | 5 |
| 보호 등급 | IP65 (짝을 이루는 관련 구성품을 사용하여, 단단히 조인 상태에서만) |
| 삽입 주기 | 100 |
| 재질 | |
| 플러그 하우징 | 플라스틱 |
| 연결부 2 | |
| 연결 유형 | 스크루 단자 |
| 연결 유형 | 수플러그 |
| 타입 사양 | M12 EN 61076-2-101 / A-코딩 |
| 핀의 수량 | 5 |
| 보호 등급 | IP65 (짝을 이루는 관련 구성품을 사용하여, 단단히 조인 상태에서만) |
| 삽입 주기 | 100 |
| 재질 | |
| 플러그 하우징 | 플라스틱 , 다이캐스트 아연, 니켈 도금 |
| 플러그 로크 | 다이캐스트 아연, 니켈 도금 |
부속품 연결 AC-MC-00-0-B-156718
전기 연결 값
| EN 60664-1에 따른 오염 등급 | 3 |
기계적 가치 및 환경
| 보관 온도 | -30 ... 70 °C |
| 주변 온도 | -30 ... 55 °C |
| 재질 | 유리섬유 강화 플라스틱 |
| 연결부 1 | |
| 연결 유형 | M4 나사 2개 |
| 보호 등급 | IP65 (지정된 기본 모듈을 사용하여, 단단히 조인 상태에서만) |
기타
| 색 | 검은색 |
| 추가 기능 | |
| 고정 스크루 포함 | |
| 씰 포함 |
서브모듈 MSM-1-P-CA-PPP-I7-168641
작동 및 디스플레이 요소
| 위치 | 색 | 기타 | 슬라이드인 라벨 | 스위칭 부재 | 비고 슬라이드인 라벨 | 버전 | 번호 | Designation1 | LED |
|---|---|---|---|---|---|---|---|---|---|
| 1 | 백색 | 인쇄형 | NO 1개 | 발광 푸시버튼 | |||||
| 2 | 청색 | 인쇄형 | NO 1개 | 발광 푸시버튼 | |||||
| 3 | green | 인쇄형 | NO 1개 | 발광 푸시버튼 |
전기 연결 값
| 전류 소비 | max. 30 mA |
| 제어장치 및 인디케이터 | |
| 차단 용량 | max. 0.25 W |
| 스위칭 전압 | 24 V |
| 스위칭 전류 | 5 ... 10 mA |
| LED 전원장치 | 24 V DC |
기계적 가치 및 환경
| 설치 방향 | 임의 |
| 보관 온도 | -25 ... 70 °C |
| 내충격성 및 내진동성 | EN IEC 60947-5-3에 의거 |
| 보호 등급 | IP65(IP20) (설치된 상태에서) |
| 주변 온도 | |
| UB = 24V DC에서 | -25 ... 55 °C |
| 재질 | 유리섬유 강화 플라스틱 |
기타
| Submodulbreite | 1 |
| 소프트웨어 ID(SW-ID) | 9000003 |
서브모듈 MSM-1-P-CA-B000W0-I8-168644
작동 및 디스플레이 요소
| 위치 | 색 | 기타 | 슬라이드인 라벨 | 스위칭 부재 | 비고 슬라이드인 라벨 | 버전 | 번호 | Designation1 | LED |
|---|---|---|---|---|---|---|---|---|---|
| 1 | 2 PD | 발광 비상 스톱 | |||||||
| 3 | OM.R | NO 2개 | 키 작동식 회전 스위치(테스트 펄스 모니터링됨) |
전기 연결 값
| 전류 소비 | max. 16 mA |
| 제어장치 및 인디케이터 | |
| 차단 용량 | max. 0.25 W |
| 스위칭 전압 | 24 V |
| 스위칭 전류 | 5 ... 10 mA |
| LED 전원장치 | 24 V DC |
| 발광 비상 스톱 | |
| 차단 용량 | max. 0.25 W |
| 스위칭 전압 | 5 ... 24 V |
| 스위칭 전류 | 1 ... 100 mA |
| LED 전원장치 | 24 V DC |
기계적 가치 및 환경
| 설치 방향 | 임의 |
| 보관 온도 | -25 ... 70 °C |
| 응답 시간 | 버스 모듈 MBM-... 또는 연동장치/잠금장치 모듈 MGB2-I.-BR-... / / MGB2-L.-BR-.../ MGB2-L.-BR-... 에 관한 작동 지침 참조 |
| 내충격성 및 내진동성 | EN IEC 60947-5-3에 의거 |
| 보호 등급 | IP65(IP20) (설치된 상태에서) |
| 주변 온도 | |
| UB = 24V DC에서 | -25 ... 55 °C |
| 재질 | 섬유유리 강화 플라스틱 , 다이캐스트 아연, 니켈 도금 |
EN ISO 13849-1 및 EN IEC 62061에 따른 특성 값
| B10D | 임무 시간 | |
|---|---|---|
| 비상 스톱 | 0.13x106 | 20 y |
| 안전 키 작동식 회전 스위치 | 0.06x106 | 20 y |
기타
| Submodulbreite | 1 |
| 소프트웨어 ID(SW-ID) | 168644 |
| 추가 기능 | 키, ID 번호 165433 포함 |
구성품
156682
AM-P-LB-156682
모듈 MGB2-L/I... 및 MBM...용 마운팅 플레이트
AM-P-LB-156682
모듈 MGB2-L/I... 및 MBM...용 마운팅 플레이트
- MGB2-L 및 MBM 모듈용
- 쉽고 빠른 장착
- 빠른 모듈 교체
- 스틸, 가루로 코팅됨
- 우측 및 좌측에 경첩으로 연결된 도어에 적합
- 스크루 세트 포함

168724
MGB2-L1-MLI-U-YI7I8-CA-L-168724
잠금 모듈 MGB2-L1-MLI... (푸시버튼 3개, 비상 스톱, 키 작동식 회전 스위치, 폐쇄회로 전류 원리, 좌측 도어 경첩)
MGB2-L1-MLI-U-YI7I8-CA-L-168724
잠금 모듈 MGB2-L1-MLI... (푸시버튼 3개, 비상 스톱, 키 작동식 회전 스위치, 폐쇄회로 전류 원리, 좌측 도어 경첩)
- 사람 또는 프로세스를 보호하기 위한 가드 잠금
- 버스 모듈 MBM과의 연결을 위한 잠금장치 모듈 MGB2
- 모니터링된 가드 잠금 기능이 있는 연동
- 모든 안전 기능을 평가하기 위한 범주 4/PL e
- ISO 13850에 따른 발광 비상 스톱 1개
- 발광 푸시버튼 3개
- OM.R 키 작동식 회전 스위치(2채널)
- 조절형 도어 경첩; 공장 설정: 좌측
- 유니코드
- 모든 모듈식 장치와 호환 가능

169765
MBM-PN-S4-MLI-3B-169765
버스 모듈 MBM-PN... (M12 연결, D-코딩형, 7/8” 전원)
MBM-PN-S4-MLI-3B-169765
버스 모듈 MBM-PN... (M12 연결, D-코딩형, 7/8” 전원)
- MGB2 또는 MCM 모듈 연결을 위해
- PROFIsafe를 이용하여 PROFINET에 연결
- 플러그 커넥터 M12를 통한 연결, D-코팅
- 원격 또는 직접 장착
- 내장된 스위치
- 모든 모듈식 장치와 호환 가능
부속품
MGB2-H
연결부 재료
다운로드
컴플리트 패키지
단 한번 클릭하여 중요한 모든 문서 다운로드.
내용물:
- 사용 설명서와 사용 설명서에 대한 보충 사항 또는 요약 설명서
- 사용 설명서를 보완하는 데이터 시트
- 적합성 선언
컴플리트 패키지 다운로드 (ZIP, 75,9 MB)
단일 문서
지침
사용 설명서 버스 모듈 MBM-PN-..-MLI-… (PROFINET)
문서 번호
버전
언어
크기
사용 설명서 버스 모듈 MBM-PN-..-MLI-… (PROFINET)
문서 번호
MAN20001743
버전
06/25
언어
크기
7,2 MB
Operating Instructions Bus Module MBM-PN-..-MLI-… (PROFINET)
문서 번호
MAN20001743
버전
06/25
언어
크기
7,0 MB
Mode d’emploi Module de bus MBM-PN-..-MLI-… (PROFINET)
문서 번호
MAN20001743
버전
06/25
언어
크기
7,1 MB
Manual de instrucciones Módulo de bus MBM-PN-..-MLI-… (PROFINET)
문서 번호
MAN20001743
버전
06/25
언어
크기
7,1 MB
Betriebsanleitung Busmodul MBM-PN-..-MLI-… (PROFINET)
문서 번호
MAN20001743
버전
06/25
언어
크기
7,1 MB
使用说明书 总线模块 MBM-PN-..-MLI-… (PROFINET)
문서 번호
MAN20001743
버전
06/25
언어
크기
7,2 MB
Návod k použití Sběrnicový modul MBM-PN-..-MLI-… (PROFINET)
문서 번호
MAN20001743
버전
06/25
언어
크기
7,2 MB
Használati utasítás Buszmodul MBM-PN-..-MLI-… (PROFINET)
문서 번호
MAN20001743
버전
06/25
언어
크기
7,3 MB
사용 설명서 연동/잠금 모듈 MGB2-I..-MLI-... / MGB2-L..-MLI-... (모듈형)
문서 번호
버전
언어
크기
사용 설명서 연동/잠금 모듈 MGB2-I..-MLI-... / MGB2-L..-MLI-... (모듈형)
문서 번호
2500234
버전
07/25
언어
크기
5,0 MB
Operating Instructions Interlocking/Locking Modules MGB2-I..-MLI-... / MGB2-L..-MLI-... (Modular)
문서 번호
2500234
버전
07/25
언어
크기
4,9 MB
Mode d’emploi Modules de verrouillage / interverrouillage MGB2-I..-MLI-... / MGB2-L..-MLI-... (Modular)
문서 번호
2500234
버전
07/25
언어
크기
4,9 MB
Manual de instrucciones Módulos de enclavamiento o bloqueo MGB2-I..-MLI-... / MGB2-L..-MLI-... (Modular)
문서 번호
2500234
버전
07/25
언어
크기
4,9 MB
Betriebsanleitung Verriegelungs-/Zuhaltemodule MGB2-I..-MLI-... / MGB2-L..-MLI-... (Modular)
문서 번호
2500234
버전
07/25
언어
크기
4,9 MB
使用说明书 互锁/锁止模块 MGB2-I..-MLI-.../ MGB2-L..-MLI-...(Modular)
문서 번호
2500234
버전
07/25
언어
크기
5,3 MB
Návod k použití Blokovací moduly / vyhodnocovací moduly s jištěním ochranného krytu MGB2-I..-MLI-... / MGB2-L..-MLI-... (Modular)
문서 번호
2500234
버전
07/25
언어
크기
5,4 MB
Használati utasítás - Reteszelő- /zárvatartó modul MGB2-I..-MLI-... / MGB2-L..-MLI-... (moduláris)
문서 번호
2500234
버전
07/25
언어
크기
5,4 MB
기타 다른 문서
승인 및 인증서
WEEE
문서 번호
버전
언어
크기
WEEE
문서 번호
ECO20001806
버전
언어
크기
0,1 MB
c UL us
문서 번호
버전
언어
크기
c UL us
문서 번호
버전
언어
크기
0,7 MB
ePlan 매크로
EUC.174517
문서 번호
버전
언어
크기
EUC.174517
문서 번호
버전
언어
크기
0,3 MB
주문 데이터
| 주문 번호 | 174517 |
| 품목 명칭 | MGB2-L1B-PN-U-S4-GA-L-174517 |
| 총중량 | 3,95kg |
| 세관품목분류번호 | 85371098 |
| ECLASS | 27-27-24-05 Safety-related transponder switch with guardlocking |






















