MSM-1-P-CA-PQU-G9-165313 (주문 번호 165313)
콘텐츠 선택
서브 모듈 MSM-1-P... (기호가 표시된 발광 백색 푸시버튼 1개, 슬라이드인 라벨, 키 작동식 회전 스위치)
- MGB2 및 MCM 모듈을 위한 기능 확장
- 연결 타입: P
- 기호가 표시된 발광 백색 푸시버튼 1개
- 슬라이드인 라벨을 위한 1개의 컷아웃
- 키 작동식 회전 스위치 1개, 1 x 90°, V-형, E2-폐쇄형
- 슬라이드인 라벨 1개 포함됨

설명
중요:
키 작동식 회전 스위치용으로 어떠한 키도 포함되어 있지 않습니다. 키를 EUCHNER를 통해 주문할 수 없습니다.



치수 도면

| Pos 1 | 기호가 표시된 백색 발광 푸시버튼 |
| Pos 2 | 슬라이드인 라벨 |
| Pos 3 | 키 작동형 회전 스위치 1개, 90°, V-형 |
| Z | 품목 1의 표지 방향 |
치수 도면

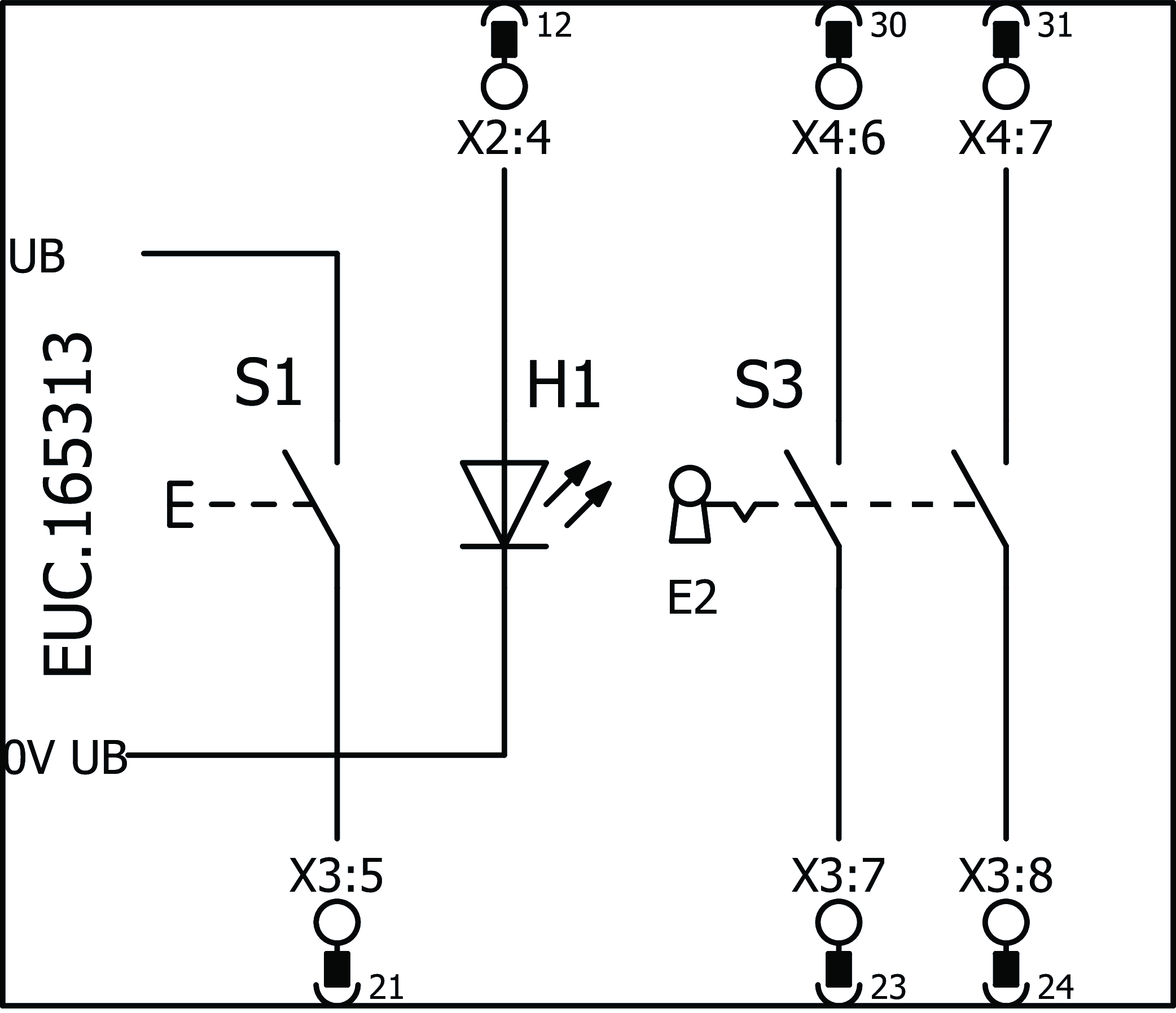
연결 예시

기술 자료
작동 및 디스플레이 요소
| 위치 | 색 | 기타 | 슬라이드인 라벨 | 스위칭 부재 | 비고 슬라이드인 라벨 | 버전 | 번호 | Designation1 | LED |
|---|---|---|---|---|---|---|---|---|---|
| 1 | 백색 | 인쇄형 | NO 1개 | 발광 푸시버튼 | |||||
| 2 | 17.5x27mm | 슬라이드인 라벨용 위치 | |||||||
| 3 | E2 | NO 2개 | 키 스위치(테스트 펄스 모니터링) |
전기 연결 값
| 전류 소비 | max. 14 mA |
| 제어장치 및 인디케이터 | |
| 차단 용량 | max. 0.25 W |
| 스위칭 전압 | 24 V |
| 스위칭 전류 | 5 ... 10 mA |
| LED 전원장치 | 24 V DC |
기계적 가치 및 환경
| 설치 방향 | 임의 |
| 보관 온도 | -25 ... 70 °C |
| 내충격성 및 내진동성 | EN IEC 60947-5-3에 의거 |
| 보호 등급 | IP65(IP20) (설치된 상태에서) |
| 주변 온도 | |
| UB = 24V DC에서 | -25 ... 55 °C |
| 재질 | 섬유유리 강화 플라스틱 , 다이캐스트 아연, 니켈 도금 |
EN ISO 13849-1 및 EN IEC 62061에 따른 특성 값
| B10D | 임무 시간 | |
|---|---|---|
| 안전 키 작동식 회전 스위치 | 0.06x106 | 20 y |
기타
| Submodulbreite | 1 | 슬라이드인 라벨 | |||||
| |||||||
| 소프트웨어 ID(SW-ID) | 9000031 | ||||||
부속품
다운로드
컴플리트 패키지
단 한번 클릭하여 중요한 모든 문서 다운로드.
내용물:
- 사용 설명서와 사용 설명서에 대한 보충 사항 또는 요약 설명서
- 사용 설명서를 보완하는 데이터 시트
- 적합성 선언
컴플리트 패키지 다운로드 (ZIP, 2,9 MB)
단일 문서
기타 다른 문서
승인 및 인증서
WEEE
문서 번호
버전
언어
크기
WEEE
문서 번호
ECO20001806
버전
언어
크기
0,1 MB
ePlan 매크로
EUC.165313
문서 번호
버전
언어
크기
EUC.165313
문서 번호
버전
언어
크기
0,1 MB
CAD/eCAD
주문 데이터
| 주문 번호 | 165313 |
| 품목 명칭 | MSM-1-P-CA-PQU-G9-165313 |
| 총중량 | 0,129kg |
| 세관품목분류번호 | 85371098 |
| ECLASS | 27-24-26-05 Field bus, decentralized peripheral - function-/technology module |












