CEM-I2-AR-U-C40-SH-124937 (주문 번호 124937)
콘텐츠 선택
트랜스폰더 코딩형 안전 스위치 CEM-AR-C40
- 프로세스 보호용 가드 잠금 기능과 전자식 평가장치가 내장된 안전 스위치
- 잠금력이 600N인 솔레노이드
- 3가지 수준으로 접착력 조절
- 최대 20개의 스위치 직렬 연결
- 단락 모니터링 장치
- 2개의 안전 출력부(반도체 출력부)
- 도어 위치 모니터링을 위한, EN ISO 13849-1에 따른 최고 범주 4 / PL e
- 플러그 커넥터 M23 장착
- 유니코드
- 도어 모니터링 출력부

설명
유니코드 평가
각 액추에이터는 높은 수준으로 코딩되어 있습니다(유니코드). 스위치는 길들이기가 완료된 액추에이터만 감지합니다. 추가 액추에이터를 길들일 수 있습니다. 마지막으로 길들인 액추에이터만 감지됩니다.
가드 잠금 타입
CEM‑I2 | 가드 잠금 기능, 에너지 ON에 의해 구동 및 에너지 OFF에 의해 잠금 해제. |
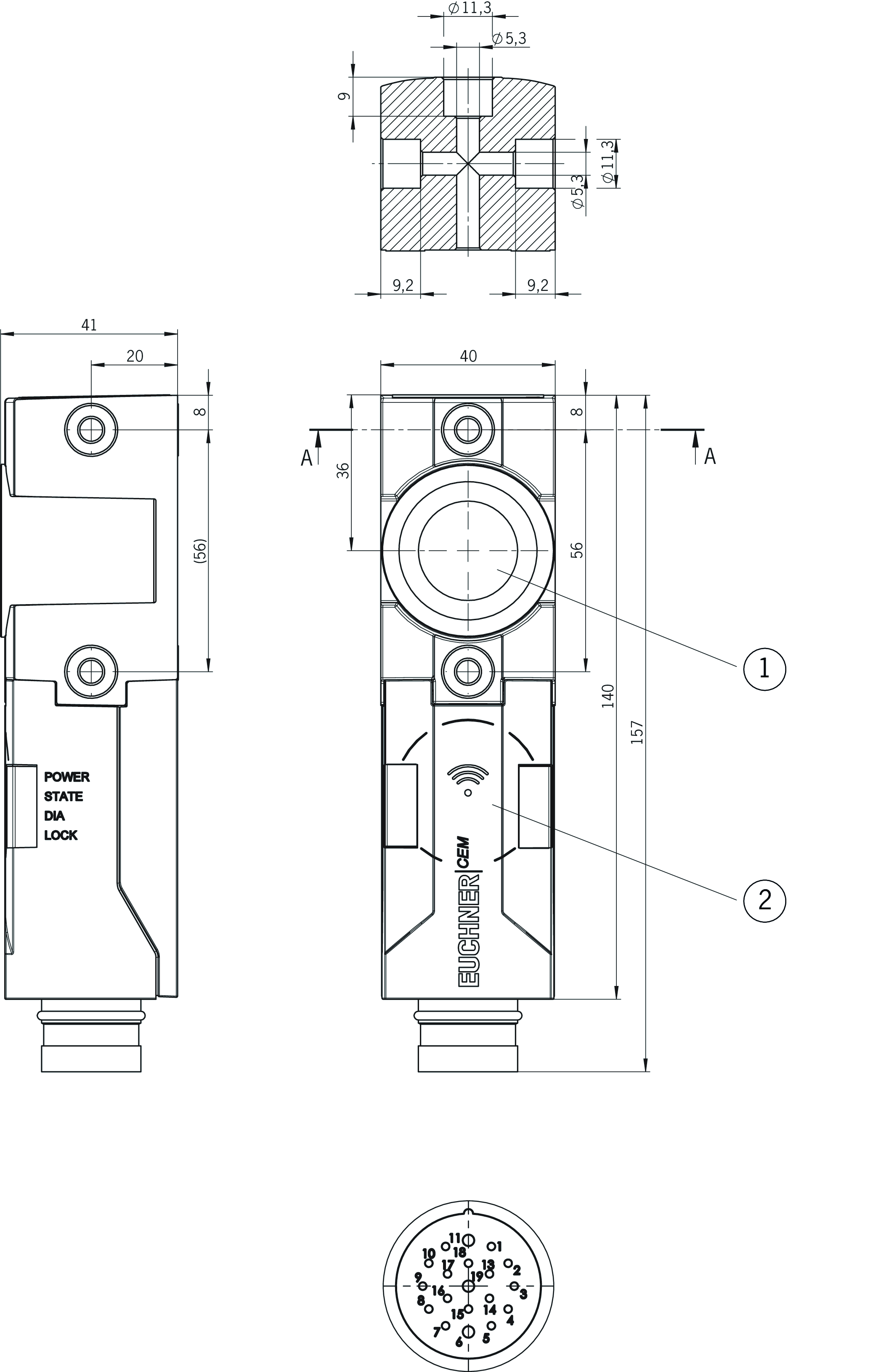
커넥터 할당



치수 도면

| 1 | 솔레노이드의 액티브 페이스 |
| 2 | 읽기 헤드의 액티브 페이스 |
연결 예시

기술 자료
승인

작업 공간
| 보안 스위치 끄기 거리 sar | 18 mm |
| 중앙 오프셋 | |
| 솔레노이드 | 5 mm (모든 방향에서) |
전기 연결 값
| 헤징 | |
| 외부(작동 전압 UB) | 1 A |
| 정격 조건부 단락 전류 | 100 A |
| 정격 절연 전압 Ui | 30 V |
| 정격 임펄스 전압 Uimp | 0.5 kV |
| 작동 전압 | |
| DC | 24 V -15% ... +15% (PELV) |
| 불일치 시간 | max. 10 ms |
| 켜짐 시간 | 700 ... 2500 ms (최대값, 액티브 가드 잠금장치 장착) |
| EMC 방호 요건 | EN IEC 60947-5-3에 의거 |
| EN 60947-5-3에 따른 위험 시간 | max. 260 ms |
| EN 60947-5-3에 따른 위험 시간, 추가 장치마다 연장됨 | max. 5 ms |
| 안전 등급 | III |
| 전류 소비 | |
| I IMP, 제어 입력부 | min. 20 mA |
| I UB, 가드 잠금 활성 상태 | 350 mA (모니터링 출력부 무부하) |
| I UB, 가드 잠금 비활성 상태 | 80 mA (모니터링 출력부 무부하) |
| 오염 등급(외부, EN 60947-1에 의거) | 3 |
| OT, OI, OL | |
| 출력 타입 | 반도체 출력부, p-스위칭, 내단락성 |
| 출력 전압 | 0.8 x UB ... UB V DC |
| 스위칭 전류 | |
| 모니터링 출력부 하나당 | max. 50 mA |
| FO1A/FO1B | |
| 출력 타입 | 반도체 출력부, p-스위칭, 내단락성 |
| 출력 전압 | |
| LOW U(FO1A) / U(FO1B) | 0 ... 1 V DC |
| HIGH U(FO1A) / U(FO1B) | UB - 1.5 ... UB V DC |
| 활용 범주 | |
| DC-13 | DC-13 24V 150mA (주의: 유도 부하의 경우 환류 다이오드를 사용하여 출력부를 보호해야 합니다.) |
| 오프 상태 전류 Ir | max. 0.25 mA |
| 스위칭 주파수 전기 | max. 0.5 Hz |
| 스위칭 전류 | |
| 출력부 하나당 | 1 ... 150 mA |
기계적 가치 및 환경
| 연결 유형 | 플러그 커넥터 M23, 19-핀 |
| 조임 토크 | |
| 고정 스크루 | 4 Nm |
| 대기 지연 | 12 s |
| 설치 방향 | 임의 |
| 접착력 | |
| 조절 가능 | 0, ca. 30, ca. 50 (Auslieferungszustand 50 N) N |
| 보관 온도 | -25 ... 70 °C |
| 기계적 수명 | |
| 도어 스톱으로서 사용하는 경우, 1줄의 충격 에너지 | 1 x 10⁶ |
| 내충격성 및 내진동성 | EN IEC 60947-5-3에 의거 |
| 보호 등급 | IP65/IP67 (삽입되고 단단히 돌려 죈 상태에서) |
| 주변 온도 | -20 ... 55 °C |
| 재질 | |
| 읽기 헤드 | 플라스틱(PBT) |
| 하우징 | 알루미늄 |
| 솔레노이드 | 강철, 니켈 도금 |
| 잠금력 Fmax | |
| 축 방향으로 | 600 N (잠금력이 400N 미만으로 낮아지면 장치가 신호를 보냅니다.) |
EN ISO 13849-1 및 EN IEC 62061에 따른 특성 값
| 임무 시간 | 20 y |
| 가드 위치의 모니터링 | |
| 범주 | 4 |
| 성능 레벨 | PL e |
| PFHD | 4.5 x 10-9 |
부속품
연결부 재료
다운로드
컴플리트 패키지
단 한번 클릭하여 중요한 모든 문서 다운로드.
내용물:
- 사용 설명서와 사용 설명서에 대한 보충 사항 또는 요약 설명서
- 사용 설명서를 보완하는 데이터 시트
- 적합성 선언
컴플리트 패키지 다운로드 (ZIP, 7,0 MB)
단일 문서
지침
Operating Instructions Transponder-Coded Safety Switch, Guard Locking for Process Protection
CEM-AR Unicode/Multicode
CEM-AY Unicode
문서 번호
버전
언어
크기
Operating Instructions Transponder-Coded Safety Switch, Guard Locking for Process Protection
CEM-AR Unicode/Multicode
CEM-AY Unicode
문서 번호
2124745
버전
07-12/25
언어
크기
2,1 MB
Mode d’emploi Interrupteur de sécurité à codage par transpondeur, interverrouillage pour protection du process
CEM-AR Uni-/multicode
CEM-AY Unicode
문서 번호
2124745
버전
07-12/25
언어
크기
2,1 MB
Manual de instrucciones Interruptor de seguridad codificado por transponder, bloqueo para la protección de procesos
CEM-AR Unicode/Multicode
CEM-AY Unicode
문서 번호
2124745
버전
07-12/25
언어
크기
2,1 MB
Betriebsanleitung Transpondercodierter Sicherheitsschalter, Zuhaltung für den Prozessschutz
CEM-AR Uni-/Multicode
CEM-AY Unicode
문서 번호
2124745
버전
07-12/25
언어
크기
2,1 MB
Istruzioni di impiego Finecorsa di sicurezza con codifica a transponder, meccanismo di ritenuta per la protezione del processo
CEM-AR Unicode/Multicode
CEM-AY Unicode
문서 번호
2124745
버전
07-12/25
언어
크기
2,1 MB
Kezelési utasítás Transzponderkódolású biztonsági kapcsoló, zárvatartó a folyamatvédelem számára
CEM-AR Uni-/multikód
CEM-AY Unikód
문서 번호
2124745
버전
07-12/25
언어
크기
2,6 MB
기타 다른 문서
승인 및 인증서
WEEE
문서 번호
버전
언어
크기
WEEE
문서 번호
ECO20001806
버전
언어
크기
0,1 MB
c UL us
문서 번호
버전
언어
크기
c UL us
문서 번호
버전
언어
크기
0,3 MB
영업 문서
Transponder-coded safety systems - CEM with guard locking for process protection
문서 번호
버전
언어
크기
Transponder-coded safety systems - CEM with guard locking for process protection
문서 번호
136679
버전
03-08/20
언어
크기
4,2 MB
Systèmes de sécurité à codage par transpondeur CEM avec verrouillage pour la protection du process
문서 번호
136680
버전
03-08/20
언어
크기
3,8 MB
Sistemas de seguridad codificados por transponder CEM con bloqueo para la protección de procesos
문서 번호
136681
버전
03-08/20
언어
크기
2,1 MB
Transpondercodierte Sicherheitssysteme - CEM mit Zuhaltung für den Prozessschutz
문서 번호
129544
버전
03-08/20
언어
크기
4,2 MB
Sistemi di sicurezza con codifica a transponder CEM con meccanismo di ritenuta per la protezione del processo
문서 번호
168668
버전
03-08/20
언어
크기
9,0 MB
ePlan 매크로
EUC.124937
문서 번호
버전
언어
크기
EUC.124937
문서 번호
버전
언어
크기
0,1 MB
CAD/eCAD
주문 데이터
| 주문 번호 | 124937 |
| 품목 명칭 | CEM-I2-AR-U-C40-SH-124937 |
| 총중량 | 0,762kg |
| 세관품목분류번호 | 85365019000 |
| ECLASS | 27-27-24-05 Safety-related transponder switch with guardlocking |












