CET1-AR-CRA-AH-50S-SG-C2290-113320 (주문 번호 113320)
가드 잠금장치가 장착된 안전 스위치 CET-AR-..., RFID, M12 플러그 커넥터, 보우덴 케이블
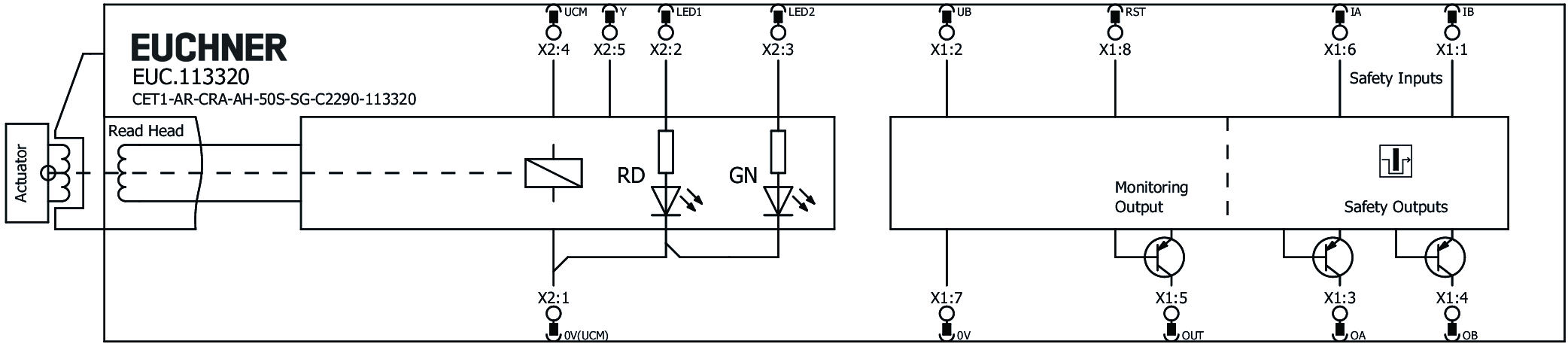
- 폐쇄회로 전류 원리
- 유니코드
- 피드백 루프 Y
- 출력 가드 잠금 OUT 모니터링
- M12 플러그 커넥터 2개, 5핀 및 8핀
- 와이어 전면 릴리스(보우덴), 5m, 자동 복귀

설명
가드 잠금 원리
잠금을 해제하는 전원: 폐쇄회로 전류 원리를 기반으로 한 가드 잠금 기능이 있는 가드의 경우, 가드는 가드 잠금 솔레노이드로 전원이 공급될 때까지 스프링 힘에 의해 잠깁니다. 잠금은 솔레노이드 힘에 의해 해제됩니다. 기계적 가드 잠금이라는 용어도 사용됩니다.
유니코드 평가
각 액추에이터는 높은 수준으로 코딩되어 있습니다(유니코드). 스위치는 길들이기가 완료된 액추에이터만 감지합니다. 추가 액추에이터를 길들일 수 있습니다.
액추에이터의 마지막 Teach-In만 감지됩니다.
안전 특성
내부 모니터링 기능이 있는 두 개의 중복 안전 출력부(반도체 출력부) 덕분에 이 장치는 다음과 같은 용도에 적합합니다.
- EN 13849-1에 따른 카테고리 4 /PL e
- EN IEC 62061 표 4에 따른 SIL 3
사용된 OSSD 출력은 테스트 펄스를 통해 단락 및 교차 회로에 대한 기능을 확인합니다.
와이어 전면 릴리스(보우덴)
와이어 전면 릴리스 덕분에 견인 와이어를 통해 가드 잠금을 원격으로 해제할 수 있습니다. 접근할 수 있는 설치 상황의 경우, 견인 와이어를 움직일 수 있도록 배선하면 가드 잠금이 해제됩니다.
중요: 와이어 전면 릴리스(보우덴)은 안전 기능이 아닙니다.
LED 인디케이터
LED 상태 | 상태 LED |
DIA LED | 진단 LED |
LED 1 rd | 임의로 구성 가능 |
LED 2 gn | 임의로 구성 가능 |
단자 할당
액세서리 필요
액추에이터가 포함되지 않았습니다.
안전 스위치는 이 용도로 제공되는 액추에이터와 함께 사용해야만 작동할 수 있습니다.
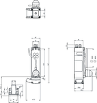
치수 도면

| 1 | 호스 길이 |
| 2 | 로프 길이 |
연결 예시

기술 자료
승인

작업 공간
| 반복 정밀성 R | 10 % |
전기 연결 값
| 헤징 | |
| 외부(작동 전압 UB) | 0.25 ... 8 A |
| 외부(작동 전압 UCM) | 0.5 ... 8 A |
| 전력 소비량 | |
| 솔레노이드 | 11 W |
| 작동 전압 DC | |
| LED1, LED2 | 24 V DC -15% V DC ... +10% V DC |
| UB | 24 V DC -15% ... +15% 역극 방지, 조절형, 잔류 리플<5%, PELV |
| EMC 방호 요건 | EN IEC 60947-5-3에 의거 |
| 활용 범주 | |
| DC-13 | 24V 200mA (주의: 유도 부하의 경우 환류 다이오드를 사용하여 출력부를 보호해야 합니다.) |
| 솔레노이드 작동 전압 DC | |
| UCM | 24 V DC -15% ... +10% 역극 방지, 조절형, 잔류 리플<5%, PELV |
| 솔레노이드 듀티 사이클 | 100 % |
| EN 60947-5-3에 따른 위험 시간 | max. 400 ms |
| EN 60947-5-3에 따른 위험 시간, 추가 장치마다 연장됨 | max. 5 ms |
| 스위칭 부하 | |
| UL에 의거 | 24V DC, 2등급 (대체품의 경우, 사용 설명서 참조) |
| 안전 등급 | III |
| 전류 소비 | |
| IB | 80 mA |
| ICM | 450 mA |
| 테스트 펄스 지속 시간 | max. 1 ms |
| 오염 등급(외부, EN 60947-1에 의거) | 3 |
| 피드백 루프 Y | |
| 입력 전압 | |
| LOW | 0 ... 1 V DC 피드백 루프 Y |
| HIGH | 15 ... 27.6 V DC 피드백 루프 Y |
| 모니터링 출력부 OUT | |
| 출력 타입 | 반도체 출력부, p-스위칭, 내단락성 |
| 출력 전압 | |
| OUT | 0.8xUB ... UB V DC |
| 출력 전류 | |
| OUT | 1 ... 50 mA |
| 안전 출력부 OA / OB | |
| 출력 타입 | 반도체 출력부, p-스위칭, 내단락성 |
| 출력 전압 | |
| LOW U(OA,OB) | 0 ... 1 V DC |
| HIGH U(OA,OB) | UB-1.5V ... UB V DC (케이블의 길이를 고려하지 않고 스위칭 전류가 50mA일 때의 값) |
| 출력 전류 | |
| 안전 출력부 하나당 | 1 ... 200 mA |
| 불일치 시간 | |
| 두 안전 출력부 | max. 10 ms |
| 켜짐 시간 | |
| 안전 출력부 | 400 ms |
| 오프 상태 전류 Ir | max. 0.25 mA |
기계적 가치 및 환경
| Anfahrgeschwindigkeit | max. 20 m/min |
| 연결 유형 | 플러그 커넥터 M12 2개, 5-핀 및 8-핀 |
| 대기 지연 | 10 s |
| 설치 방향 | 임의 |
| 스위칭 주파수 | max. 0.5 Hz |
| 자유 등급 X | ±5 mm |
| 자유 등급 Y | ±5 mm |
| 자유 등급 Z | ±4 mm |
| 보관 온도 | -25 ... 70 °C |
| 기계적 수명 | 2 x 10⁶ |
| 내충격성 및 내진동성 | EN IEC 60947-5-3에 의거 |
| 보호 등급 | IP67 (삽입되고 단단히 돌려 죈 상태에서) |
| 주변 온도 | |
| UB = 24V DC에서 | -20 ... 55 °C |
| 재질 | |
| 램프 | 스테인리스 스틸 |
| 안전 스위치 하우징 | 다이캐스트 알루미늄 |
| 잠금력 Fmax | 6500 N |
| 잠금력 FZh | 5000 N |
| 가드 잠금 원리 | 폐쇄회로 전류 원리 |
EN ISO 13849-1 및 EN IEC 62061에 따른 특성 값
| PL | 최대 SIL | PFHD | 범주 | 임무 시간 | |
|---|---|---|---|---|---|
| 가드 잠금장치의 모니터링 | PL e | - | 3.1x10-9 | 4 | 20 y |
| PL | 최대 SIL | 범주 | 임무 시간 | |
|---|---|---|---|---|
| 가드 잠금의 제어 | 가드 잠금의 외부 제어에 따라 다름 | 20 y | ||
기타
| C 번호 | |
| C2290 | 장착형 와이어 전면 릴리스(보우덴) 장착 |
| UL 승인에 대한 참고 사항 | UL 2등급 전원장치 또는 그에 상응하는 조치를 통해서만 작동; 사용 설명서 참조 |
부속품
다운로드
컴플리트 패키지
단 한번 클릭하여 중요한 모든 문서 다운로드.
내용물:
- 사용 설명서와 사용 설명서에 대한 보충 사항 또는 요약 설명서
- 사용 설명서를 보완하는 데이터 시트
- 적합성 선언
단일 문서
Data sheet
Fiche technique
Ficha de datos
Datenblatt
Ficha de dados
数据表
データ シート
Datový list
Data sheet
Fiche technique
Ficha de datos
Datenblatt
Ficha de dados
数据表
データ シート
Datový list
Data sheet
Fiche technique
Ficha de datos
Datenblatt
Ficha de dados
数据表
データ シート
Datový list
기타 다른 문서
ePlan 매크로
주문 데이터
| 주문 번호 | 113320 |
| 품목 명칭 | CET1-AR-CRA-AH-50S-SG-C2290-113320 |
| 총중량 | 1,6kg |
| 세관품목분류번호 | 85365019000 |
| ECLASS | 27-27-24-05 Safety-related transponder switch with guardlocking |



































