RGBF06X12-732L-M (주문 번호 110532)
콘텐츠 선택
시리즈 RGBF... 12 mm, 유도형
- 근접 스위치 간격 12mm
- DIN 43697에 따른 수직형 하우징
- IEC 60529에 따른 보호 등급 IP67
- LED 기능 디스플레이

설명
LED 기능 디스플레이
스위칭 부재에 기능 디스플레이(노란색)가 장착된 표준 사양으로서 DC 및 AC 스위칭 부재가 장착되어 있습니다. 기능 디스플레이는 외부에서 볼 수 있습니다.



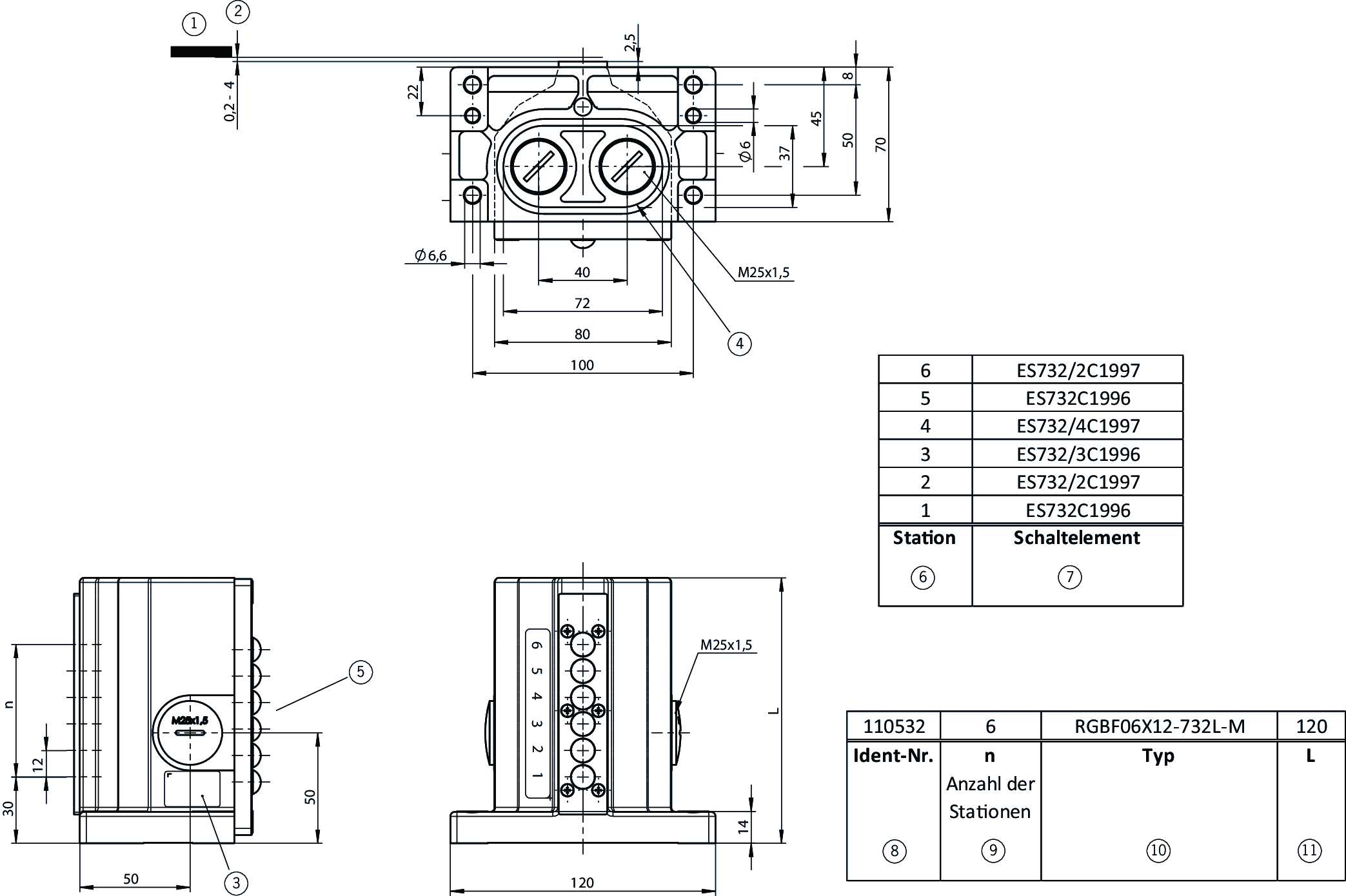
치수 도면

| 1 | 액추에이터 |
| 10 | 타입 |
| 11 | 길이 |
| 2 | 보장된 작동 거리 |
| 3 | 라벨, 연속 번호 |
| 4 | 씰링 링이 있는 홈 |
| 5 | 구동되지 않으면, 스위칭 부재 ES732/2C1997+ES732/4C1997의 NC 기능이 탑재된 LED가 점등됩니다. |
| 6 | 스테이션 |
| 7 | 스위칭 부재 |
| 8 | ID 번호 |
| 9 | 스테이션 개수 |
연결 예시

연결 예시

기술 자료
승인

작업 공간
| 정격 작동 거리 Sn | 5 mm |
| 보장된 작동 거리 Sa | 0 ... 4 mm (치수는 강철(ST37) 및 시리즈 UX../ GX..의 EUCHNER 트립 도그에만 적용됩니다.) |
| 스위칭 히스테리시스 | 0.2 ... 1.0 mm |
| 반복 정밀성 R | 5 % |
| 스위칭 부재, 스테이션 1 및 5, 스테이션 3 | |
| 중앙 오프셋 | |
| s = 1 mm의 읽기 거리에서 | mOFF= (-) 4.2 mm 및 mON= (-) 4.0 (측면 접근용) |
| s = 3 mm의 읽기 거리에서 | mOFF= (-) 2.5 mm 및 mON= (-) 2.0 (측면 접근용) |
| s = 4 mm의 읽기 거리에서 | mOFF= (-) 0.5 mm 및 mON= 0.0 (측면 접근용) |
| s = 2 mm의 읽기 거리에서 | mOFF= (-) 3.3 mm 및 mON= (-) 3.0 (측면 접근용) |
| 스위칭 부재, 스테이션 2 및 6, 스테이션 4 | |
| 중앙 오프셋 | |
| s = 3 mm의 읽기 거리에서 | mON= (-) 2.5 mm 및 mOFF= (-) 2.0 (측면 접근용) |
| s = 2 mm의 읽기 거리에서 | mON= (-) 3.3 mm 및 mOFF= (-) 3.0 (측면 접근용) |
| s = 1 mm의 읽기 거리에서 | mON= (-) 4.2 mm 및 mOFF= (-) 4.0 (측면 접근용) |
| s = 4 mm의 읽기 거리에서 | mON= (-) 0.5 mm 및 mOFF= 0.0 (측면 접근용) |
작동 및 디스플레이 요소
| LED 디스플레이 | |
| LED, 노란색 | LED 전방, 전류 I Fmax. 2.5mA |
전기 연결 값
| 출력 타입 | PNP |
| 정격 작동 전류 Ie | 250 mA |
| 작동 전압 | |
| DC | 20 ... 24 ... 33 V EN 61558-2-6에 따른 전기 절연이 있거나 센서 펄싱이 UB(HIGH)인 전원 공급장치 |
| 작동 전류 | max. 5 mA 무부하 상태에서의 전류 소비량 |
| EMC 방호 요건 | EN 60947-5-2 |
| 활용 범주 | |
| DC-12 | 250 mA, 33 V (DC-13의 경우, 유도 부하용 환류 다이오드를 사용하여 출력부를 보호해야 합니다.) |
| 단락 및 과부하 방호, 펄스됨 | 예 |
| LOW 레벨 | |
| 센서가 펄싱할 때 | 0 ... 5 V DC |
| 오프 상태 전류 Ir | max. 0.001 mA |
| 잔류 리플 | |
| UB 또는 UB(HIGH)부터 | max. 10 % |
| 스위칭 주파수 전기 | max. 500 Hz |
| 안전 등급 | I |
| 전압 하강 Ud | |
| DC | max. 2.5 V |
| 듀티 사이클 Ton | |
| T (HIGH) : 센서가 펄싱할 때 T (LOW) | 4 : 1 |
| 테스트 펄스 지속 시간 | |
| 센서가 펄싱할 때 T (LOW) | 0.1 ... 20 ms |
| 역극 방지 | 예 |
기계적 가치 및 환경
| 연결 유형 | 스위칭 부재에 위치한 연결 단자 |
| NC 접점의 수량 | 3 |
| 스위칭 부재의 수량 | 6 |
| NO 접점의 수량 | 3 |
| 디자인 | 직립형 |
| 근접 스위치의 간격 | 12 mm |
| 보관 온도 | -25 ... 70 °C |
| 보호 등급 | IP67 (짝을 이루는 관련 커넥터만을 사용하여 단단히 조임.) |
| 주변 온도 | -25 ... 70 °C |
| 재질 | |
| 액티브 페이스 | PBT |
| 하우징 | 다이캐스트 알루미늄 |
다운로드
컴플리트 패키지
단 한번 클릭하여 중요한 모든 문서 다운로드.
내용물:
- 사용 설명서와 사용 설명서에 대한 보충 사항 또는 요약 설명서
- 사용 설명서를 보완하는 데이터 시트
- 적합성 선언
컴플리트 패키지 다운로드 (ZIP, 0,3 MB)
단일 문서
기타 다른 문서
승인 및 인증서
WEEE
문서 번호
버전
언어
크기
WEEE
문서 번호
ECO20001806
버전
언어
크기
0,1 MB
c UL us
문서 번호
버전
언어
크기
c UL us
문서 번호
버전
언어
크기
0,3 MB
ePlan 매크로
EUC.110532
문서 번호
버전
언어
크기
EUC.110532
문서 번호
버전
언어
크기
0,3 MB
CAD/eCAD
주문 데이터
| 주문 번호 | 110532 |
| 품목 명칭 | RGBF06X12-732L-M |
| 총중량 | 0,921kg |
| 세관품목분류번호 | 85365019000 |
| ECLASS | 27-27-06-02 Multi-position switch |

