CET2-AR-CRA-AH-50S-SG-109075 (주문 번호 109075)
콘텐츠 선택
가드 잠금장치가 장착된 안전 스위치 CET-AR-..., RFID, M12 플러그 커넥터
- 개방회로 전류 원리
- 유니코드
- 출력 가드 잠금 OUT 모니터링
- 피드백 루프 Y
- M12 플러그 커넥터 2개, 5핀 및 8핀

설명
가드 잠금 원리
개방회로 전류(전원을 켜서 잠금): 개방회로 전류 원리를 기반으로 한 가드 잠금 기능이 있는 가드의 경우, 가드 잠금 솔레노이드로의 전원 공급이 중단될 때까지 가드가 잠깁니다. 잠금은 스프링 힘에 의해 해제됩니다. 전기적 가드 잠금이라는 용어도 사용됩니다.
유니코드 평가
각 액추에이터는 높은 수준으로 코딩되어 있습니다(유니코드). 스위치는 길들이기가 완료된 액추에이터만 감지합니다. 추가 액추에이터를 길들일 수 있습니다.
액추에이터의 마지막 Teach-In만 감지됩니다.
안전 특성
내부 모니터링 기능이 있는 두 개의 중복 안전 출력부(반도체 출력부) 덕분에 이 장치는 다음과 같은 용도에 적합합니다.
- EN 13849-1에 따른 카테고리 4 /PL e
- EN IEC 62061 표 4에 따른 SIL 3
사용된 OSSD 출력은 테스트 펄스를 통해 단락 및 교차 회로에 대한 기능을 확인합니다.
LED 인디케이터
LED 상태 | 상태 LED |
DIA LED | 진단 LED |
LED 1 rd | 임의로 구성 가능 |
LED 2 gn | 임의로 구성 가능 |
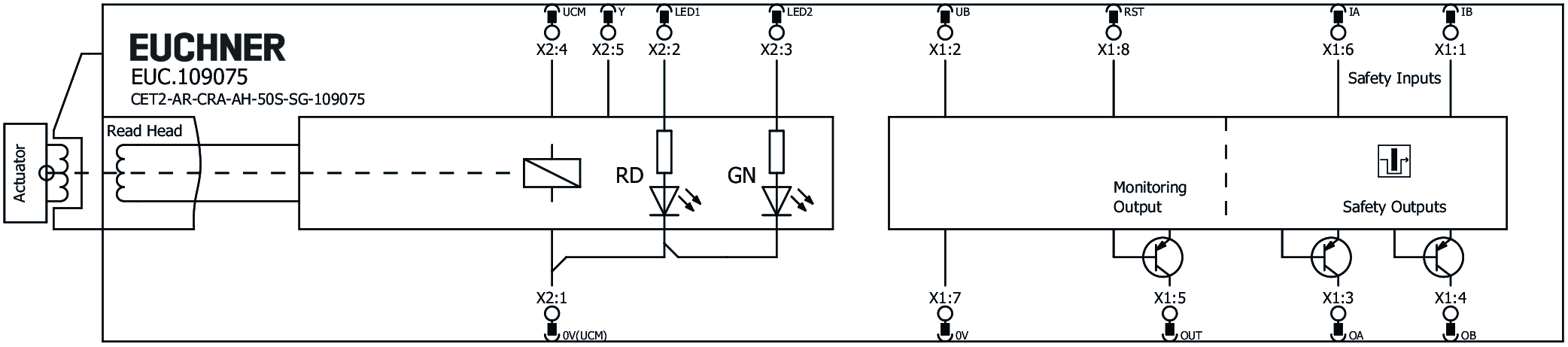
단자 할당
액세서리 필요
액추에이터가 포함되지 않았습니다.
안전 스위치는 이 용도로 제공되는 액추에이터와 함께 사용해야만 작동할 수 있습니다.
치수 도면

연결 예시

기술 자료
승인

작업 공간
| 반복 정밀성 R | 10 % |
전기 연결 값
| 헤징 | |
| 외부(작동 전압 UB) | 0.25 ... 8 A |
| 외부(작동 전압 UCM) | 0.5 ... 8 A |
| 전력 소비량 | |
| 솔레노이드 | 11 W |
| 작동 전압 DC | |
| LED1, LED2 | 24 V DC -15% V DC ... +10% V DC |
| UB | 24 V DC -15% ... +15% 역극 방지, 조절형, 잔류 리플<5%, PELV |
| EMC 방호 요건 | EN IEC 60947-5-3에 의거 |
| 활용 범주 | |
| DC-13 | 24V 200mA (주의: 유도 부하의 경우 환류 다이오드를 사용하여 출력부를 보호해야 합니다.) |
| 솔레노이드 작동 전압 DC | |
| UCM | 24 V DC -15% ... +10% 역극 방지, 조절형, 잔류 리플<5%, PELV |
| 솔레노이드 듀티 사이클 | 100 % |
| EN 60947-5-3에 따른 위험 시간 | max. 400 ms |
| EN 60947-5-3에 따른 위험 시간, 추가 장치마다 연장됨 | max. 5 ms |
| 스위칭 부하 | |
| UL에 의거 | 24V DC, 2등급 (대체품의 경우, 사용 설명서 참조) |
| 안전 등급 | III |
| 전류 소비 | |
| IB | 80 mA |
| ICM | 450 mA |
| 테스트 펄스 지속 시간 | max. 1 ms |
| 오염 등급(외부, EN 60947-1에 의거) | 3 |
| 피드백 루프 Y | |
| 입력 전압 | |
| LOW | 0 ... 1 V DC 피드백 루프 Y |
| HIGH | 15 ... 27.6 V DC 피드백 루프 Y |
| 모니터링 출력부 OUT | |
| 출력 타입 | 반도체 출력부, p-스위칭, 내단락성 |
| 출력 전압 | |
| OUT | 0.8xUB ... UB V DC |
| 출력 전류 | |
| OUT | 1 ... 50 mA |
| 안전 출력부 OA / OB | |
| 출력 타입 | 반도체 출력부, p-스위칭, 내단락성 |
| 출력 전압 | |
| LOW U(OA,OB) | 0 ... 1 V DC |
| HIGH U(OA,OB) | UB-1.5V ... UB V DC (케이블의 길이를 고려하지 않고 스위칭 전류가 50mA일 때의 값) |
| 출력 전류 | |
| 안전 출력부 하나당 | 1 ... 200 mA |
| 불일치 시간 | |
| 두 안전 출력부 | max. 10 ms |
| 켜짐 시간 | |
| 안전 출력부 | 400 ms |
| 오프 상태 전류 Ir | max. 0.25 mA |
기계적 가치 및 환경
| Anfahrgeschwindigkeit | max. 20 m/min |
| 연결 유형 | 플러그 커넥터 M12 2개, 5-핀 및 8-핀 |
| 대기 지연 | 10 s |
| 설치 방향 | 임의 |
| 스위칭 주파수 | max. 0.5 Hz |
| 자유 등급 X | ±5 mm |
| 자유 등급 Y | ±5 mm |
| 자유 등급 Z | ±4 mm |
| 보관 온도 | -25 ... 70 °C |
| 기계적 수명 | 2 x 10⁶ |
| 내충격성 및 내진동성 | EN IEC 60947-5-3에 의거 |
| 보호 등급 | IP67 (삽입되고 단단히 돌려 죈 상태에서) |
| 주변 온도 | |
| UB = 24V DC에서 | -20 ... 55 °C |
| 재질 | |
| 안전 스위치 하우징 | 다이캐스트 알루미늄 |
| 램프 | 스테인리스 스틸 |
| 잠금력 Fmax | 6500 N |
| 잠금력 FZh | 5000 N |
| 가드 잠금 원리 | 개방회로 전류 원리 |
EN ISO 13849-1 및 EN IEC 62061에 따른 특성 값
| PL | 최대 SIL | PFHD | 범주 | 임무 시간 | |
|---|---|---|---|---|---|
| 가드 잠금장치의 모니터링 | PL e | - | 3.1x10-9 | 4 | 20 y |
기타
| UL 승인에 대한 참고 사항 | UL 2등급 전원장치 또는 그에 상응하는 조치를 통해서만 작동; 사용 설명서 참조 |
부속품
마운팅 부속품
연결부 재료
다운로드
컴플리트 패키지
단 한번 클릭하여 중요한 모든 문서 다운로드.
내용물:
- 사용 설명서와 사용 설명서에 대한 보충 사항 또는 요약 설명서
- 사용 설명서를 보완하는 데이터 시트
- 적합성 선언
컴플리트 패키지 다운로드 (ZIP, 25,2 MB)
단일 문서
지침
Operating Instructions Transponder-Coded Safety Switch with Guard Locking CET.-AR-… (Unicode/Multicode)
문서 번호
버전
언어
크기
Operating Instructions Transponder-Coded Safety Switch with Guard Locking CET.-AR-… (Unicode/Multicode)
문서 번호
2110788
버전
11/22
언어
크기
3,8 MB
Mode d’emploi Interrupteur de sécurité à codage par transpondeur avec interverrouillage CET.-AR-… (unicode / multicode)
문서 번호
2110788
버전
11/22
언어
크기
3,9 MB
Manual de instrucciones Interruptor de seguridad con codificación por transponder con bloqueo CET.-AR-… (Unicode/Multicode)
문서 번호
2110788
버전
11/22
언어
크기
3,8 MB
Betriebsanleitung Transpondercodierter Sicherheitsschalter CET.-AR-…
문서 번호
2110788
버전
11/22
언어
크기
3,8 MB
Istruzioni di impiego Finecorsa di sicurezza con codifica a transponder con meccanismo di ritenuta CET.-AR-… (Unicode/Multicode)
문서 번호
2110788
버전
11/22
언어
크기
3,8 MB
使用说明书 应答机编码安全开关 配有门锁功能 CET.-AR-… (特殊/通用编码)
문서 번호
2110788
버전
11/22
언어
크기
4,2 MB
操作説明書 トランスポンダー コーデッド安全スイッチ ガードロック付き CET.-AR-… (ユニコード/マルチコード)
문서 번호
2110788
버전
11/22
언어
크기
4,2 MB
Инструкция по эксплуатации Транспондерный предохранительный выключатель с защитной блокировкой CET.-AR-… (Uni-/Multicode)
문서 번호
2110788
버전
11/22
언어
크기
4,2 MB
Návod k použití Bezpečnostní spínač s kódovaným transpondérem a jištěním ochranného krytu CET.-AR-… (Unicode/Multicode)
문서 번호
2110788
버전
11/22
언어
크기
4,2 MB
Driftsvejledning Transponderkodet sikkerhedsafbryder med tilholder CET.-AR-… (Uni-/Multicode)
문서 번호
2110788
버전
11/22
언어
크기
4,0 MB
Instrukcja obsługi Wyłącznik bezpieczeństwa kodowany transponderowo z blokadą CET.-AR-… (Uni-/Multicode)
문서 번호
2110788
버전
11/22
언어
크기
4,2 MB
Návod na prevádzku Bezpečnostný spínač kódovaný transpondérom s istením CET.-AR-… (Uni-/Multicode)
문서 번호
2110788
버전
11/22
언어
크기
4,2 MB
İşletim kılavuzu Kapalı tutma mekanizmalı aktarıcı kodlu emniyet şalteri CET.-AR-… (Uni-/Multicode)
문서 번호
2110788
버전
11/22
언어
크기
4,2 MB
Instrucțiuni de utilizare Întrerupător de siguranță codat cu transponder cu blocare de protecție CET.-AR-… (Uni-/Multicode)
문서 번호
2110788
버전
11/22
언어
크기
4,2 MB
기타 다른 문서
승인 및 인증서
WEEE
문서 번호
버전
언어
크기
WEEE
문서 번호
ECO20001806
버전
언어
크기
0,1 MB
c UL us
문서 번호
버전
언어
크기
c UL us
문서 번호
버전
언어
크기
0,3 MB
CAD/eCAD
주문 데이터
| 주문 번호 | 109075 |
| 품목 명칭 | CET2-AR-CRA-AH-50S-SG-109075 |
| 총중량 | 1,16kg |
| 세관품목분류번호 | 85365019000 |
| ECLASS | 27-27-24-05 Safety-related transponder switch with guardlocking |



































