ZSM4204-105645 (주문 번호 105645)
콘텐츠 선택
ZSM, 푸시버튼, 정지 명령 장치
- 3 단계 기능
- 정지 명령 장치
- 푸시버튼
- 코일형 연결 케이블, 길이 5m

설명
3 단계 기능
인에이블링 기능은 두 번째 단계(중앙 위치, 구동 지점)에서만 작동합니다. 푸시버튼에서 손을 떼거나 계속 더 누르면(비상 기능), 인에이블링 기능이 제거됩니다(배선에 따라 다름, 기능 순서 참조).
정지 명령 장치
스위치 하우징에 장착된 2-채널 비상정지 장치(적색, 당김 리셋 및 회전 리셋 버튼 장착), 여러 배선 컨셉트에 사용 가능
비상 시 긴급하게 접근할 수 있도록 상부에 위치
푸시버튼
푸시버튼을 사용하여 인에이블링 스위치에서 직접 추가 기능을 작동시킬 수 있습니다.
케이블
나선형 버전의 고급 연결 케이블을 공급할 수 있습니다.




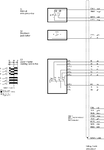
치수 도면

연결 예시

연결 예시

연결 예시

기술 자료
승인


작동 및 디스플레이 요소
| 위치 | 색 | 기타 | 버전 | 슬라이드인 라벨 | 스위칭 부재 | 비고 슬라이드인 라벨 | 번호 | Designation1 | LED |
|---|---|---|---|---|---|---|---|---|---|
| white | 푸시버튼 | 1 | |||||||
| 비상정지 장치 | 1 |
전기 연결 값
| 헤징 | max. 2 A gG |
| 연결 케이블 | 23x0.14 mm² (차폐됨) |
| 정격 조건부 단락 전류 | 100 A |
| 정격 절연 전압 Ui | 50 V |
| 정격 임펄스 전압 Uimp | 0.5 kV |
| 활용 범주 | |
| DC-13 | 24V 0.3A (추가적인 제어를 위해) |
| DC-13 | 30V 0.1A (인에이블링 스위치용, 주의: 유도 부하의 경우 환류 다이오드를 사용하여 출력부를 보호해야 합니다.) |
| 스위칭 특성 | 3 단계 인에이블링 스위치 |
| 오염 등급(외부, EN 60947-1에 의거) | 3 |
기계적 가치 및 환경
| 연결 유형 | 플라잉 리드 |
| 전환 접점의 수량 | 3 (블록 다이어그램에 따른 연결) |
| 보관 온도 | -25 ... 70 °C |
| 케이블 길이 | |
| 인에이블링 스위치에 위치한 케이블의 코일형, 짧은 직선형 피스 | 5 m |
| 기계적 수명 | 1 x 10⁶ |
| 전환 원리 | 스냅 동작 접점 부재 |
| 보호 등급 | IP54 |
| 주변 온도 | -5 ... 60 °C |
| 재질 | PA, CR, TPE (낮은 PAH) |
EN ISO 13849-1 및 EN IEC 62061에 따른 특성 값
| B10D | 임무 시간 | |
|---|---|---|
| 비상 스톱 | 0.1x106 | 20 y |
| 인에이블링 스위치 | 0.1x106 | 20 y |
기타
| 다음에 따라 | 60947-5-8 |
부속품
다운로드
컴플리트 패키지
단 한번 클릭하여 중요한 모든 문서 다운로드.
내용물:
- 사용 설명서와 사용 설명서에 대한 보충 사항 또는 요약 설명서
- 사용 설명서를 보완하는 데이터 시트
- 적합성 선언
컴플리트 패키지 다운로드 (ZIP, 1,8 MB)
단일 문서
지침
Operating Instructions Enabling Switch ZSM
문서 번호
버전
언어
크기
Operating Instructions Enabling Switch ZSM
문서 번호
2098540
버전
08-03/26
언어
크기
0,5 MB
Mode d’emploi Commande d’assentiment ZSM
문서 번호
2098540
버전
08-03/26
언어
크기
0,5 MB
Manual de instrucciones Pulsador de validación ZSM
문서 번호
2098540
버전
08-03/26
언어
크기
0,5 MB
Betriebsanleitung Zustimmtaster ZSM
문서 번호
2098540
버전
08-03/26
언어
크기
0,5 MB
Manual de instruções Chaves enable ZSM
문서 번호
2098540
버전
08-03/26
언어
크기
0,5 MB
Istruzioni di impiego Pulsanti di consenso ZSM
문서 번호
2098540
버전
08-03/26
언어
크기
0,5 MB
기타 다른 문서
승인 및 인증서
DGUV
문서 번호
버전
언어
크기
DGUV
문서 번호
버전
언어
크기
3,2 MB
WEEE
문서 번호
버전
언어
크기
WEEE
문서 번호
ECO20001806
버전
언어
크기
0,1 MB
c UL us
문서 번호
버전
언어
크기
c UL us
문서 번호
버전
언어
크기
0,2 MB
ePlan 매크로
EUC.105645
문서 번호
버전
언어
크기
EUC.105645
문서 번호
버전
언어
크기
0,1 MB
주문 데이터
| 주문 번호 | 105645 |
| 품목 명칭 | ZSM4204-105645 |
| 총중량 | 1,108kg |
| 세관품목분류번호 | 85371098 |
| ECLASS | 27-37-12-38 Agreement switch |




