BETAETIGER-Q-WT (주문 번호 103389)
콘텐츠 선택
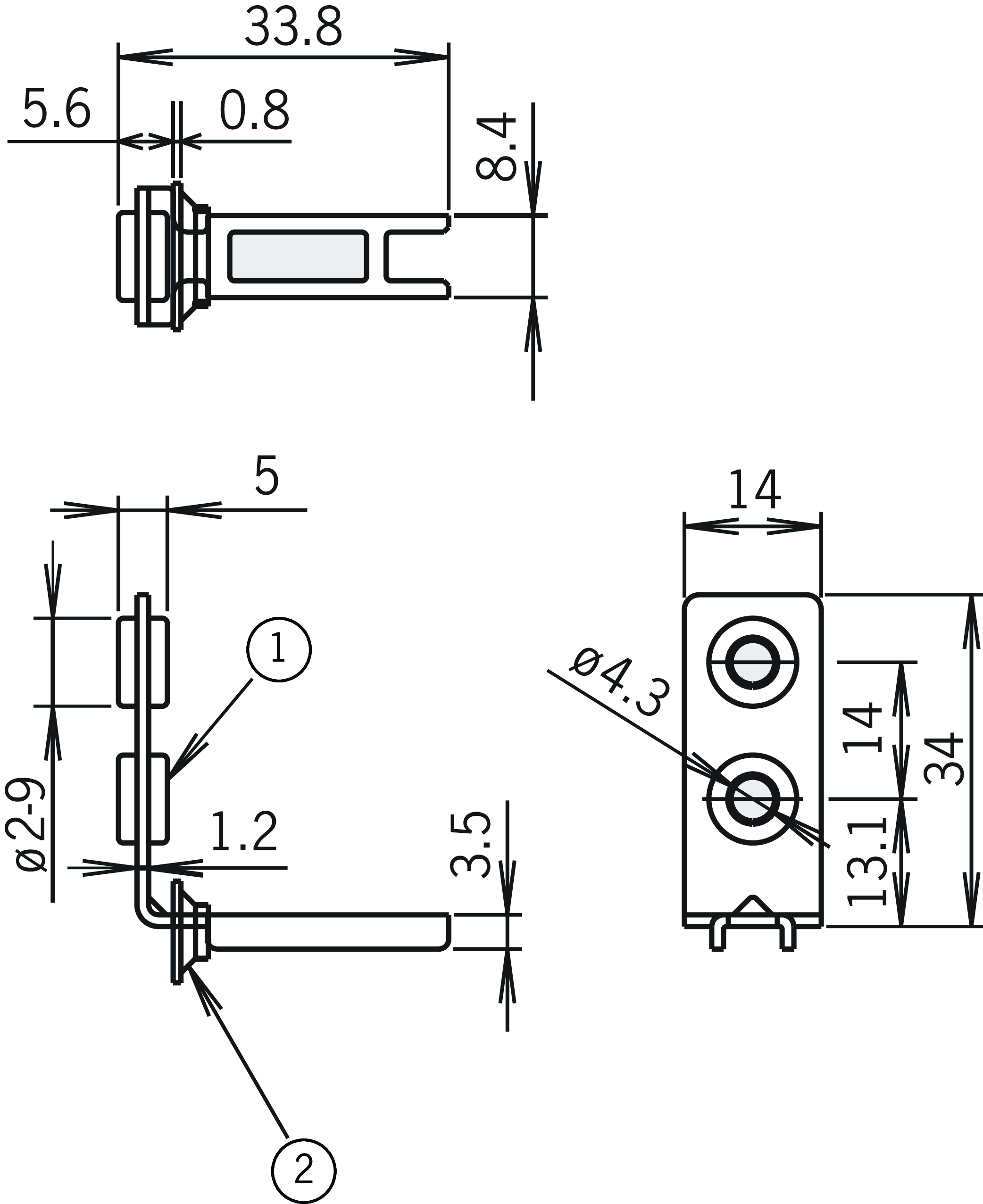
안전 스위치 NQ/TQ용 액추에이터
- 고무제 부싱 장착
- 도어의 최소 반경 160mm
- 최대 잠금력 500N
- 마운팅 보조장치 포함

설명

치수 도면

| 1 | 고무제 부싱 |
| 2 | 마운팅 보조장치 |
기술 자료
기계적 가치 및 환경
| 보관 온도 | -25 ... 70 °C |
| 오버트래블 | 1.3 ... 2.9 mm 제품에 관한 사용 설명서 참조 |
| 도어 반경 | min. 160 mm |
| 재질 | |
| 액추에이터 | 스테인리스 스틸 |
| 고무제 부싱 | NBR |
다운로드
CAD/eCAD
주문 데이터
| 주문 번호 | 103389 |
| 품목 명칭 | BETAETIGER-Q-WT |
| 총중량 | 0,008kg |
| 세관품목분류번호 | 85389099990 |
| ECLASS | 27-27-26-06 Actuator for safety-related position switch |

