CES-AZ-ABS-01B (주문 번호 100064)
콘텐츠 선택
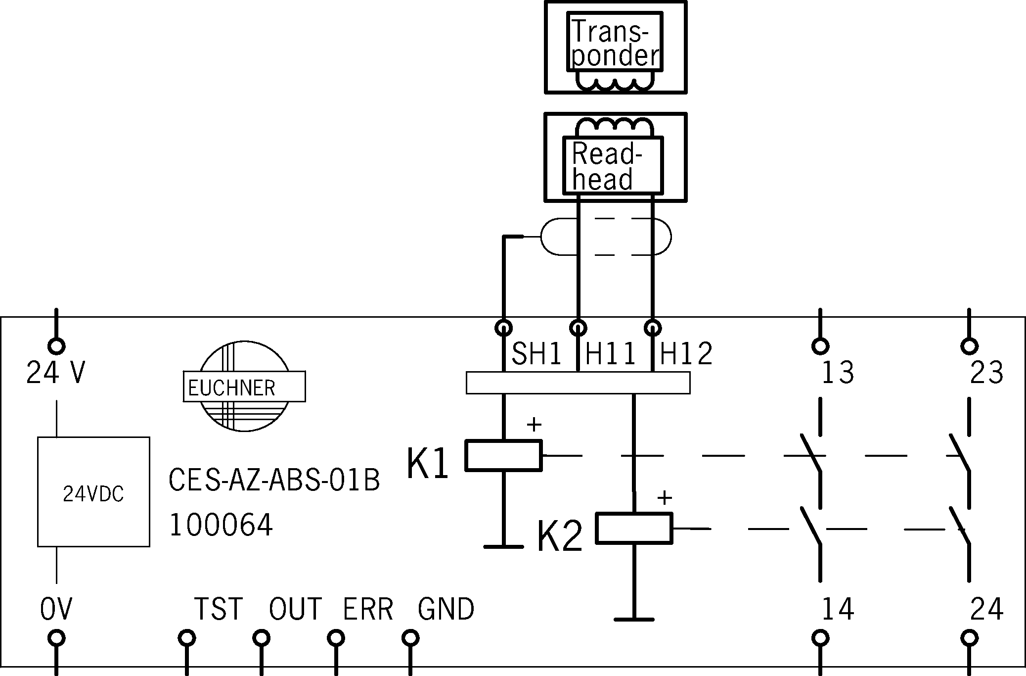
평가 장치 CES-AZ-ABS-01B(읽기 헤드 1개용)
- 읽기 헤드 1개를 연결할 수 있습니다
- 안전 접점 2개(릴레이 접점)
- 안전 접점에 의한 1개의 내부 상시개방 접점 / NO 접점
- 유니코드 평가장치
- EN ISO 13849-1에 따른 범주 3 / PL e

설명
유니코드 평가장치
각 액추에이터는 높은 수준으로 코딩되어 있습니다(유니코드). 평가장치는 길들여진 액추에이터만 감지합니다. 최대 8개의 액추에이터를 길들일 수 있습니다.
가드 잠금장치의 모니터링
CES-AZ 시리즈에 속하는 평가장치가 있으면, 장비의 동작이 오버 트래블하는 동안 작업자를 보호하기 위한 가드 잠금장치가 내장된 읽기 헤드를 사용할 수 있습니다. 액세서리에서 적절한 읽기 헤드를 찾을 수 있을 것입니다.
EN ISO 13849-1에 따른 범주
안전 경로 하나당 모니터링되는 내부 상시개방접점이 2개인 두 개의 중복 안전 경로(릴레이 접점)로 인해 다음에 적합합니다:
- EN ISO 13849-1에 따른 범주 3 / PL e
위의 범주에 속하기 위해서는 양 안전 접점을 항상 평가해야 합니다.
구동 범위
평가장치에는 표준 구동 범위가 있어, 예컨대 읽기 헤드와 액추에이터를 정렬할 때 보다 더 큰 공차가 허용됩니다. 구동 범위가 더 좁아야 할 경우에는 구동 범위가 감소된 버전(CES-A-...-01)을 사용할 수 있습니다.
추가 연결부
TST | 자가 테스트용 입력부 |
OUT | 모니터링 출력부(반도체) |
ERR | 진단 출력부 |
GND | 내부적으로 0V에 연결됨(높은 전류용 아님) |


치수 도면

| 1 | EN 60715에 따른 35mm의 마운팅 레일에 적합 |
연결 예시

기술 자료
승인


작업 공간
| 반복 정밀성 R | |
| EN 60947-5-2에 의거 | 10 % |
작동 및 디스플레이 요소
| LED 디스플레이 | |
| 진단 LED | |
| 상태 LED | |
| 안전 접점 상태 |
전기 연결 값
| 헤징 | |
| 외부(작동 전압 UB) | 0.25 ... 8 A |
| 연결 단면도 | |
| 스크루 단자 | 0.25 ... 2.5 mm² |
| 작동 전압 DC | |
| UB | 21 ... 24 ... 27 V DC 조절됨, 잔류 니플<5 % |
| EMC 방호 요건 | EN IEC 60947-5-3에 의거 |
| 전류 소비 | |
| (전압을 가한 릴레이 포함) | 150 mA (모니터링 출력부에 흐르는 부하 전류 고려하지 않음) |
| 오염 등급(외부, EN 60947-1에 의거) | 2 |
| 입력부: 테스트 입력부 TST | |
| 입력 전압 | |
| LOW | 0 ... 2 V DC |
| HIGH | 15 ... UB V DC |
| 모니터링 출력부: 진단 ERR, 도어 모니터링 출력부 OUT | |
| 출력 타입 | 반도체 출력부, p-스위칭 |
| 출력 전압 | 0.8 x UB ... UB V DC |
| 출력 전류 | max. 20 mA |
| 안전 접점 13/14, 23/24 | |
| 헤징 | |
| EN 60269 -1에 따른 외부(안전 회로) | 6A gG 또는 6A 회로 차단기(특성 B 또는 C) |
| 출력 타입 | 릴레이 접점, 플로팅 방식 |
| 정격 조건부 단락 전류 | 100 A |
| 정격 절연 전압 Ui | 250 V |
| 정격 임펄스 전압 Uimp | 4 kV |
| 불일치 시간 | |
| (두 릴레이의 작동점 사이) | max. 25 ms |
| 활용 범주 | |
| AC-12 | 60V 0.3A |
| DC-13 | 24V 3A |
| AC-15 | 230V 2A |
| DC-12 | 30V 6A |
| DC-12 | 60V 0.3A |
| AC-12 | 30V 6A |
| 스위칭 부하 | |
| c UL us에 의거 | 등급 2 최대 30 V AC / 등급 2 최대 60 V AC |
| 스위칭 전류 | |
| 1 ... 300 mA AC/DC 21 ... 60 V | |
| 10 ... 2000 mA AC 5용 ... 230 V | |
| 10 ... 6000 mA AC/DC 5 ... 30 V |
기계적 가치 및 환경
| 연결 유형 | 플러그인 스크루 단자, 코딩됨 |
| 읽기 헤드의 수량 | 읽기 헤드 1개를 연결할 수 있습니다 |
| 대기 지연 | max. 3 s (작동 전압이 걸린 후, 릴레이 출력부가 꺼지고 대기가 지연되는 동안 도어 모니터링 출력부가 LOW 레벨로 설정됩니다.) |
| 스위칭 주파수 | max. 1 Hz (전류 부하 > 100mA인 경우며, 0.1Hz의 스위칭 주파수를 초과해서는 안 되는 바, 왜냐하면 초과할 경우 릴레이 접점의 기계적 수명에 악영향을 끼칠 것이기 때문입니다.) |
| 보관 온도 | -25 ... 70 °C |
| 대기 습도 | |
| 응축되지 않음 | max. 80 % rH |
| 장착 거리 | |
| 분석기 간 | min. 10 mm |
| 장착 타입 | 마운팅 레일 TH 35(EN IEC 60715) |
| 응답 시간 | |
| 구동 상태로 변경 후 | max. 180 ms (EN 60947-5-3에 따른 위험 시간에 해당됩니다. 이것은 액추에이터를 제거한 후 안전 출력부에 대한 최대 OFF 시간입니다.) |
| 보호 등급 | IP20 |
| 주변 온도 | |
| UB = 24V DC에서 | -20 ... 55 °C |
| 체류 시간 | min. 0.5 s (구동 범위의 안과 밖에서 액추에이터의 체류 시간이 최소한 0.5초여야 평가 장치의 내부 고장을 안전하게 감지할 수 있습니다(자가 모니터링).) |
| 재질 | |
| 하우징 | 플라스틱 PA6.6 |
| 안전 접점 13/14, 23/24 | |
| 안전 접점의 수량 | 2 내부에서 모니터링된 접점이 장착된 릴레이 |
| 기계적 수명 | |
| 작동 주기(릴레이) | 10 x 10⁶ |
EN ISO 13849-1 및 EN IEC 62061에 따른 특성 값
| PL | 최대 SIL | PFHD | 범주 | 임무 시간 | ||
|---|---|---|---|---|---|---|
| 가드 위치의 모니터링 | 머리 읽기 CES-A-L.. CEM-A-L.. | PL e | - | 4.3x10-8 | 3 | 20 y |
| 스위칭 전압 24V DC 및 스위칭 전류 최대 0.1A(최대 스위칭 사이클 760,000 1/y) 또는 최대 1A(최대 스위칭 주기 153,000 1/y) 또는 최대 3A(최대 스위칭 주기 34,600 1/y) | ||||||
| 가드 잠금장치의 모니터링 | 읽기 헤드 CET.-AX | PL e | - | 4.3x10-8 | 3 | 20 y |
| 스위칭 전압 24V DC 및 스위칭 전류 최대 0.1A(최대 스위칭 사이클 760,000 1/y) 또는 최대 1A(최대 스위칭 주기 153,000 1/y) 또는 최대 3A(최대 스위칭 주기 34,600 1/y) | ||||||
| PL | 최대 SIL | 범주 | 임무 시간 | ||
|---|---|---|---|---|---|
| 가드 잠금의 제어 | 읽기 헤드 CET1-AX | 가드 잠금의 외부 제어에 따라 다름 | 20 y | ||
기타
| UL 승인에 대한 참고 사항 | UL 2등급 전원장치 또는 그에 상응하는 수단을 통해서만 작동. |
읽기 헤드 CES-A-LQA-SC와 결합하여
| 장착 거리 | |
| 읽기 헤드 사이 | min. 80 mm |
읽기 헤드 CES-A-LQA-SC 및 액추에이터 CES-A-BBA-071840, CES-A-BCA와 결합하여
| 스위치 켜기 거리 | |
| 수직 방향으로 접근할 때(중심 옵셋 m = 0) | 15 mm (읽기 헤드 및 액추에이터를 표면에 장착하는 경우) |
| 측면 방향에서 접근할 때(x 방향에서 거리 8mm) | 22 mm (읽기 헤드 및 액추에이터를 표면에 장착하는 경우) |
| 보안 스위치 끄기 거리 sar | 47 mm |
| 보안 스위칭 거리 sao | |
| 수직 방향으로 접근할 때(중심 옵셋 m = 0) | min. 10 mm (읽기 헤드 및 액추에이터를 표면에 장착하는 경우) |
| 측면 방향에서 접근할 때(x 방향에서 거리 8mm) | min. +/- 18 mm (읽기 헤드 및 액추에이터를 표면에 장착하는 경우) |
| 스위칭 히스테리시스 | |
| 수직 방향으로 접근할 때(중심 옵셋 m = 0) | 2 ... 3 mm (읽기 헤드 및 액추에이터를 표면에 장착하는 경우) |
| 측면 방향에서 접근할 때(x 방향에서 거리 8mm) | 1 ... 1.8 mm (읽기 헤드 및 액추에이터를 표면에 장착하는 경우) |
읽기 헤드 CES-A-LNA-SC-077715, CES-A-LNA-05P-077806, CES-A-LNA-10P-077807, CES-A-LNA-05V-071845, CES-A-LNA-10V-071846, CES-A-LNA-15V-071847, CES-A-LNA-25V-071975, CES-A-LNA-15P-084682, CES-A-LCA-10V 및 액추에이터 CES-A-BBA-071840, CES-A-BCA와 결합하여
| 액추에이터 거리 s | |
| 측면 접근 방향에 대한 최소 거리 | min. 3 mm |
| 스위치 켜기 거리 | |
| 중심점 옵셋 m=0 포함 | 15 mm (읽기 헤드 및 액추에이터를 표면에 장착하는 경우) |
| 보안 스위치 끄기 거리 sar | 26 mm |
| 보안 스위칭 거리 sao | |
| 중심점 옵셋 m=0 포함 | min. 10 mm (읽기 헤드 및 액추에이터를 표면에 장착하는 경우) |
| 스위칭 히스테리시스 | 0.5 ... 2 mm (읽기 헤드 및 액추에이터를 표면에 장착하는 경우) |
읽기 헤드 CES-A-LMN-SC 및 액추에이터 CES-A-BMB와 결합하여
| 액추에이터 거리 s | |
| 측면 접근 방향에 대한 최소 거리 | min. 1.2 mm |
| 스위치 켜기 거리 | |
| 중심점 옵셋 m=0 포함 | 5 mm (읽기 헤드를 강철의 표면에 장착하는 경우) |
| 보안 스위치 끄기 거리 sar | 10 mm |
| 보안 스위칭 거리 sao | |
| 중심점 옵셋 m=0 포함 | min. 3.5 mm (읽기 헤드를 강철의 표면에 장착하는 경우) |
| 스위칭 히스테리시스 | 0.1 ... 0.3 mm (읽기 헤드를 강철의 표면에 장착하는 경우) |
읽기 헤드 CES-A-LNA-SC-077715, CES-A-LNA-05P-077806, CES-A-LNA-10P-077807, CES-A-LNA-05V-071845, CES-A-LNA-10V-071846, CES-A-LNA-15V-071847, CES-A-LNA-25V-071975, CES-A-LNA-15P-084682, CES-A-LCA-10V와 결합하여
| 장착 거리 | |
| 읽기 헤드 사이 | min. 50 mm |
읽기 헤드 CES-A-LNA-SC-077715, CES-A-LNA-05P-077806, CES-A-LNA-10P-077807, CES-A-LNA-05V-071845, CES-A-LNA-10V-071846, CES-A-LNA-15V-071847, CES-A-LNA-25V-071975, CES-A-LNA-15P-084682, CES-A-LCA-10V 및 액추에이터 CES-A-BDA-20과 결합하여
| 액추에이터 거리 s | |
| 측면 접근 방향에 대한 최소 거리 | min. 4 mm (비금속 환경에서 장착할 때) |
| 스위치 켜기 거리 | |
| 중심점 옵셋 m=0 포함 | 16 mm (비금속 환경에서 장착할 때) |
| 보안 스위치 끄기 거리 sar | 33 mm |
| 보안 스위칭 거리 sao | |
| 중심점 옵셋 m=0 포함 | min. 11 mm (비금속 환경에서 장착할 때) |
| 스위칭 히스테리시스 | 0.5 ... 2 mm (비금속 환경에서 장착할 때) |
읽기 헤드 CES-A-LQA-SC 및 액추에이터 CES-A-BQA와 결합하여
| 스위치 켜기 거리 | |
| 수직 방향으로 접근할 때(중심 옵셋 m = 0) | 23 mm (읽기 헤드 및 액추에이터를 표면에 장착하는 경우) |
| 측면 방향에서 접근할 때(x 방향에서 거리 10mm) | 28 mm (읽기 헤드 및 액추에이터를 표면에 장착하는 경우) |
| 보안 스위치 끄기 거리 sar | 60 mm |
| 보안 스위칭 거리 sao | |
| 측면 방향에서 접근할 때(x 방향에서 거리 10mm) | min. +/- 24 mm (읽기 헤드 및 액추에이터를 표면에 장착하는 경우) |
| 수직 방향으로 접근할 때(중심 옵셋 m = 0) | min. 16 mm (읽기 헤드 및 액추에이터를 표면에 장착하는 경우) |
| 스위칭 히스테리시스 | |
| 측면 방향에서 접근할 때(x 방향에서 거리 10mm) | 1 ... 1.3 mm (읽기 헤드 및 액추에이터를 표면에 장착하는 경우) |
| 수직 방향으로 접근할 때(중심 옵셋 m = 0) | 2 ... 3 mm (읽기 헤드 및 액추에이터를 표면에 장착하는 경우) |
읽기 헤드 CES-A-LMN-SC와 결합하여
| 장착 거리 | |
| 읽기 헤드 사이 | min. 20 mm |
부속품
CEM 읽기 헤드
CES 읽기 헤드
다운로드
컴플리트 패키지
단 한번 클릭하여 중요한 모든 문서 다운로드.
내용물:
- 사용 설명서와 사용 설명서에 대한 보충 사항 또는 요약 설명서
- 사용 설명서를 보완하는 데이터 시트
- 적합성 선언
컴플리트 패키지 다운로드 (ZIP, 3,7 MB)
단일 문서
지침
Operating Instructions Non-Contact Safety System CES-AZ-ABS-01B (Unicode)
문서 번호
버전
언어
크기
Operating Instructions Non-Contact Safety System CES-AZ-ABS-01B (Unicode)
문서 번호
2100063
버전
18-05/25
언어
크기
1,2 MB
Mode d’emploi Système de sécurité sans contact CES-AZ-ABS-01B (unicode)
문서 번호
2100063
버전
18-05/25
언어
크기
1,3 MB
Manual de instrucciones Sistema de seguridad sin contacto CES-AZ-ABS-01B (Unicode)
문서 번호
2100063
버전
18-05/25
언어
크기
1,3 MB
Betriebsanleitung Berührungsloses Sicherheitssystem CES-AZ-ABS-01B (Unicode)
문서 번호
2100063
버전
18-05/25
언어
크기
1,2 MB
Istruzioni di impiego Sistema di sicurezza senza contatto CES-AZ-ABS-01B (Unicode)
문서 번호
2100063
버전
18-05/25
언어
크기
1,3 MB
기타 다른 문서
승인 및 인증서
CCC
문서 번호
버전
언어
크기
CCC
문서 번호
20001849
버전
언어
크기
0,0 MB
S-Mark
문서 번호
버전
언어
크기
S-Mark
문서 번호
버전
언어
크기
0,8 MB
WEEE
문서 번호
버전
언어
크기
WEEE
문서 번호
ECO20001806
버전
언어
크기
0,1 MB
c UL us
문서 번호
버전
언어
크기
c UL us
문서 번호
버전
언어
크기
0,2 MB
CAD/eCAD
주문 데이터
| 주문 번호 | 100064 |
| 품목 명칭 | CES-AZ-ABS-01B |
| 총중량 | 0,244kg |
| Global Trade Item Number (GTIN) | 4047048005594 |
| 세관품목분류번호 | 85364110 |
| ECLASS | 27-27-24-03 Safety-related transponder switch |













