C-M08F03-02X025PU30,0-M12M04-099168 (주문 번호 099168)
콘텐츠 선택
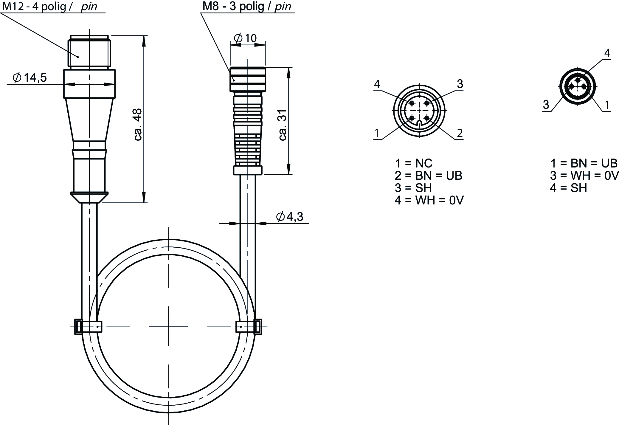
플러그 커넥터 M8 및 M12 2개가 부착된 연결 케이블, 30 m
- 4-핀 M12 수플러그, 직선형
- 3-핀 M8 암플러그, 직선형
- PUR 케이블
- 케이블 길이 30 m

설명

치수 도면

기술 자료
승인


전기 연결 값
| 정격 전압 | |
| DC | 60 V |
| 케이블 차폐 | 예 (Cu 편조, 약 85% 차폐) |
| 연결부 1 | |
| EN 60664-1에 따른 오염 등급 | 3 |
| 연결부 2 | |
| EN 60664-1에 따른 오염 등급 | 3 |
기계적 가치 및 환경
| 전도체 단면적 | 0.25mm² |
| 전도체의 수량 | 2 |
| 동적 굴곡 반경 | 7.5 x 케이블 직경 |
| 정적 굴곡 반경 | 5 x 케이블 직경 |
| 무할로겐 | 예 |
| 보관 온도 | -25 ... 80 °C |
| 케이블 타입 | 직선형 |
| 케이블 직경 | |
| 어림값 | 4.3 mm |
| 케이블 길이 | 30 m |
| 외피 색 | 검은색 |
| 드래그 체인 적합성 | 예 |
| 케이블 주변 온도(동적) | -25 ... 70 °C |
| 케이블 주변 온도(정적) | -25 ... 80 °C |
| 재질 | |
| 외피 | PUR |
| 연결부 1 | |
| 연결 유형 | 플러그 커넥터 M12x1 |
| 연결 유형 | 수플러그 |
| 조임 토크 | 0.6 Nm |
| 케이블 출구 | 직선형 |
| 핀의 수량 | 4 |
| 보호 등급 | IP67 (삽입된 상태에서) |
| 플러그 로크 | 스크루 연결부 |
| 재질 | |
| 플러그 하우징 | PUR |
| 연결부 2 | |
| 연결 유형 | 플러그 커넥터 M8x1 |
| 연결 유형 | 암플러그 |
| 조임 토크 | 0.4 Nm |
| 케이블 출구 | 직선형 |
| 핀의 수량 | 3 |
| 보호 등급 | IP67 (삽입된 상태에서) |
| 플러그 로크 | 스크루 연결부 |
| 재질 | |
| 플러그 하우징 | PUR |
다운로드
컴플리트 패키지
단 한번 클릭하여 중요한 모든 문서 다운로드.
내용물:
- 사용 설명서와 사용 설명서에 대한 보충 사항 또는 요약 설명서
- 사용 설명서를 보완하는 데이터 시트
- 적합성 선언
컴플리트 패키지 다운로드 (ZIP, 1,0 MB)
단일 문서
지침
Safety information
문서 번호
버전
언어
크기
Safety information
Information de sécurité
Información de seguridad
Sicherheitsinformation
Informação de segurança
Informazioni sulla sicurezza
Bezpečnostní informace
Biztonsági információ
Информация за безопасност
Sikkerhedsinformation
Ohutusalane teave
Turvallisuustiedot
Πληροφορία ασφαλείας
Sigurnosne informacije
Informācija par drošību
Saugos informacija
Veiligheidsinformatie
Sikkerhetsinformasjon
Informacje o bezpieczeństwie
Säkerhetsinformation
Varnostne informacije
Bezpečnostné informácie
Güvenlik bilgisi
Informații privind siguranța
Information de sécurité
Información de seguridad
Sicherheitsinformation
Informação de segurança
Informazioni sulla sicurezza
Bezpečnostní informace
Biztonsági információ
Информация за безопасност
Sikkerhedsinformation
Ohutusalane teave
Turvallisuustiedot
Πληροφορία ασφαλείας
Sigurnosne informacije
Informācija par drošību
Saugos informacija
Veiligheidsinformatie
Sikkerhetsinformasjon
Informacje o bezpieczeństwie
Säkerhetsinformation
Varnostne informacije
Bezpečnostné informácie
Güvenlik bilgisi
Informații privind siguranța
문서 번호
MAN20001593
버전
01-10/22
언어
크기
0,6 MB
Sicherheitsinformation
문서 번호
MAN20001593
버전
01-10/22
언어
크기
0,2 MB
기타 다른 문서
승인 및 인증서
WEEE
문서 번호
버전
언어
크기
WEEE
문서 번호
ECO20001806
버전
언어
크기
0,1 MB
주문 데이터
| 주문 번호 | 099168 |
| 품목 명칭 | C-M08F03-02X025PU30,0-M12M04-099168 |
| 총중량 | 0,735kg |
| 세관품목분류번호 | 85389099990 |
| ECLASS | 27-06-03-04 Appliance cord (data cable) |
