CES-A-UEA-02B (주문 번호 097077)
콘텐츠 선택
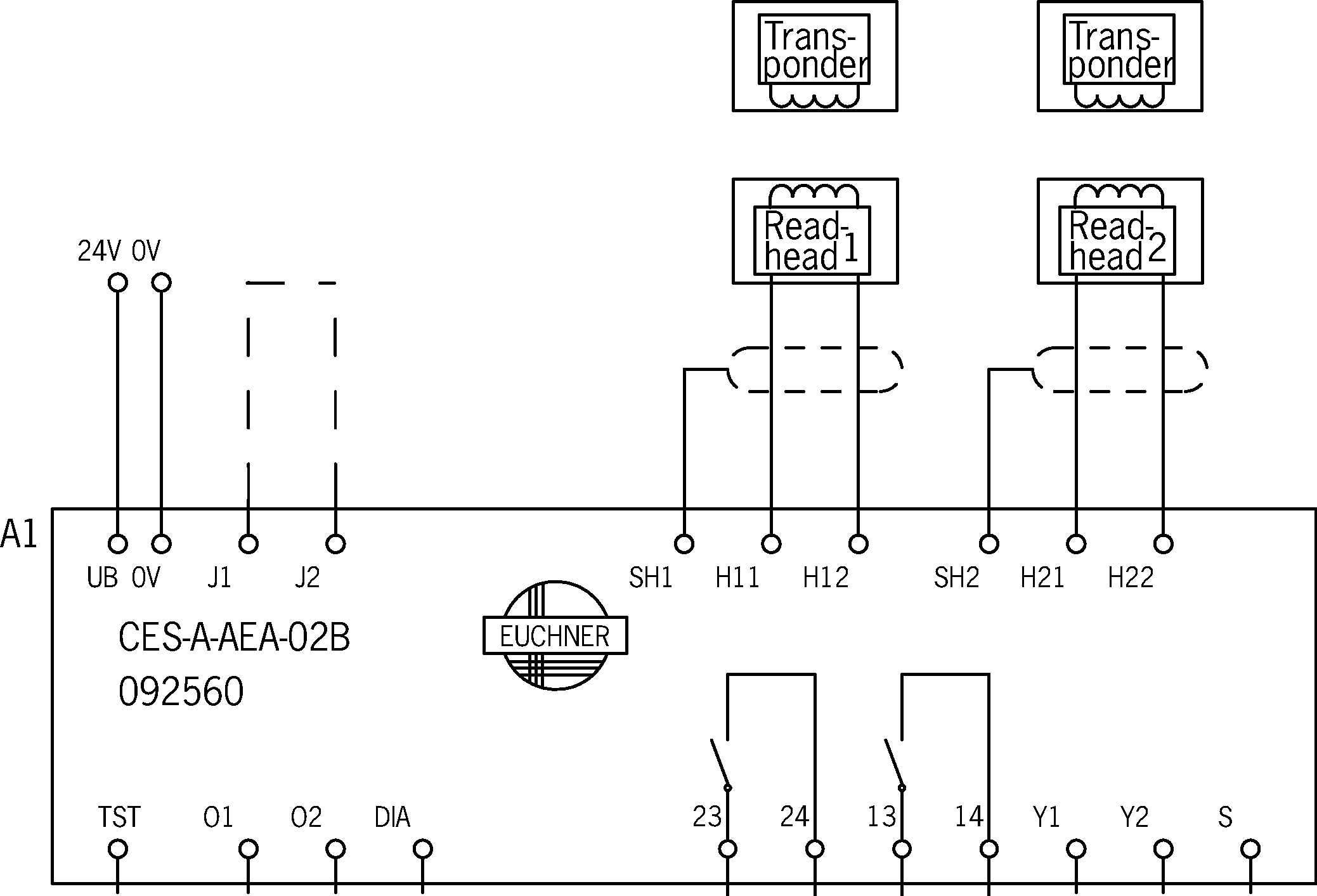
평가 장치 CES-A-AEA-02B/CES-A-UEA-02B(읽기 헤드 2개용)
- 읽기 헤드 2개를 연결할 수 있습니다
- 안전 접점 2개(릴레이 접점)
- 안전 접점에 의한 1개의 내부 상시 개방 접점
- 시작 버튼과 피드백 루프를 연결할 수 있습니다
- 멀티코드 평가장치
- EN ISO 13849-1에 따른 범주 4 / PL e

설명
멀티코드 평가장치
적절한 액추에이터는 모두 평가장치에 의해 감지됩니다.
EN ISO 13849-1에 따른 범주
내부에서 모니터링된 접점이 있는 두 개의 중복 릴레이 출력부(안전 출력부)로 인해, 다음에 적합합니다:
- EN ISO 13849-1에 따른 범주 4 / PL e
구동 범위
평가장치에는 표준 구동 범위가 있어, 예컨대 읽기 헤드와 액추에이터를 정렬할 때 보다 더 큰 공차가 허용됩니다.
TST | 자가 테스트용 입력부 |
DIA | 진단 출력부 |
O1, O2 | 모니터링 출력부(반도체) |
Y1, Y2 | 피드백 루프 |
S | 시작 버튼 연결 |


치수 도면

| 1 | EN 60715에 따른 35mm의 마운팅 레일에 적합 |
연결 예시

기술 자료
승인



작업 공간
| 반복 정밀성 R | |
| EN 60947-5-2에 의거 | 10 % |
작동 및 디스플레이 요소
| LED 디스플레이 | |
| 적색: - 외부 고장(피드백 루프에서의 고장) | |
| 적색: - 작동 고장 | |
| 적색: - 유효하지 않은 Teach-In 작동 | |
| 노란색: 안전 회로 닫힘 | |
| 적색: - 내부 장치 고장 | |
| 녹색: 상태 표시(섬광 모드를 사용한 다기능 디스플레이) |
| 위치 | 색 | 기타 | 버전 | 스위칭 부재 | 비고 슬라이드인 라벨 | 슬라이드인 라벨 | 번호 | Designation1 | LED |
|---|---|---|---|---|---|---|---|---|---|
| Teach-In 작동을 위한 구성 설정 | DIP 스위치(H1, H2, S, Y) |
전기 연결 값
| 헤징 | |
| 외부(작동 전압 UB) | 0.25 ... 8 A |
| 연결 단면도 | |
| 스크루 단자 | 0.25 ... 2.5 mm² |
| 작동 전압 DC | |
| UB | 21 ... 24 ... 27 V DC 조절됨, 잔류 니플<5 % |
| EMC 방호 요건 | EN IEC 60947-5-3에 의거 |
| 전류 소비 | |
| (전압을 가한 릴레이 포함) | 150 mA (모니터링 출력부에 흐르는 부하 전류 고려하지 않음) |
| 피드백 루프를 통한 전류 | 5 ... 8 ... 10 mA |
| 오염 등급(외부, EN 60947-1에 의거) | 2 |
| 피드백 루프에서 허용할 수 있는 저항 | max. 600 Ω |
| 입력부: 시작 버튼 S, 테스트 입력부 TST | |
| 입력 전압 | |
| HIGH | 15 ... UB V DC |
| LOW | 0 ... 2 V DC |
| 입력 전류 | |
| HIGH | 5 ... 8 ... 10 mA |
| 모니터링 출력부: 진단 DIA, 도어 모니터링 출력부 O1, O2 | |
| 출력 타입 | 반도체 출력부, p-스위칭, 내단락성 |
| 출력 전압 | 0.8 x UB ... UB V DC |
| 스위칭 전류 | max. 20 mA |
| 안전 접점 13/14, 23/24 | |
| 헤징 | |
| EN 60269 -1에 따른 외부(안전 회로) | 6A gG 또는 6A 회로 차단기(특성 B 또는 C) |
| 출력 타입 | 릴레이 접점, 플로팅 방식 |
| 정격 조건부 단락 전류 | 100 A |
| 정격 절연 전압 Ui | 250 V |
| 정격 임펄스 전압 Uimp | 4 kV |
| 불일치 시간 | |
| (두 릴레이의 작동점 사이, 액티브 액추에이터 2개 포함) | max. 240 ms |
| 활용 범주 | |
| AC-12 | 30V 6A |
| AC-15 | 230V 1.5A |
| DC-12 | 30V 6A |
| DC-12 | 60V 0.3A |
| AC-12 | 60V 0.3A |
| DC-13 | 24V 1.2A |
| 스위칭 부하 | |
| c UL us에 의거 | 등급 2 최대 30 V AC / 등급 2 최대 60 V AC |
| 스위칭 전류 | |
| 1 ... 300 mA AC/DC 1용 ... 60 V | |
| 15 ... 6000 mA AC/DC 17 ... 30 V | |
| 15 ... 1500 mA AC 17용 ... 230 V |
기계적 가치 및 환경
| 연결 유형 | 스크루 단자 |
| 읽기 헤드의 수량 | 읽기 헤드를 최대 2개 연결할 수 있습니다 |
| 대기 지연 | 10 ... 12 s (작동 전압이 걸린 후, 릴레이 출력부가 꺼지고 대기가 지연되는 동안 도어 모니터링 출력부가 LOW 레벨로 설정됩니다. 그 지연을 시각적으로 표시하기 위해, 녹색 STATE LED가 약 15Hz의 주파수로 섬광을 냅니다.) |
| 스위칭 주파수 | max. 0.25 Hz (피드백 루프를 사용하여 모니터링하는 경우, 액추에이터는 피드백 루프가 닫힐 때까지, 예를 들어 도어를 열어 구동 범위 밖에 있어야 합니다.) |
| 보관 온도 | -25 ... 70 °C |
| 대기 습도 | |
| 응축되지 않음 | max. 80 % rH |
| 장착 거리 | |
| 분석기 간 | min. 10 mm |
| 장착 타입 | 마운팅 레일 TH 35(EN IEC 60715) |
| 응답 시간 | |
| 구동 상태로 변경 후, 액티브 액추에이터 2개 | max. 290 ms (EN 60947-5-3에 따른 위험 시간에 해당됩니다. 이것은 액추에이터를 제거한 후 안전 출력부에 대한 최대 OFF 시간입니다. EN 60947-5-3에 따른 요건을 초과하여 EMC 간섭이 발생하는 경우 OFF 시간은 최대 430 ms로 늘어날 수 있습니다. 0.4초의 짧은 구동<후에는 후속 구동이 즉시 뒤따르는 경우 켜기 지연이 최대 3초로 늘어날 수 있습니다.) |
| 구동 상태로 변경 후, 액티브 액추에이터 1개 | max. 210 ms (EN 60947-5-3에 따른 위험 시간에 해당됩니다. 이것은 액추에이터를 제거한 후 안전 출력부에 대한 최대 OFF 시간입니다. EN 60947-5-3에 따른 요건을 초과하여 EMC 간섭이 발생하는 경우 OFF 시간은 최대 430 ms로 늘어날 수 있습니다. 0.4초의 짧은 구동<후에는 후속 구동이 즉시 뒤따르는 경우 켜기 지연이 최대 3초로 늘어날 수 있습니다.) |
| 시작 버튼 작동 지속 시간(수동 시작 작동 모드용) | min. 250 ms |
| 시작 버튼 반응 지연(수동 시작 작동 모드용) | 200 ... 300 ms |
| 보호 등급 | IP20 |
| 주변 온도 | |
| UB = 24V DC에서 | -20 ... 55 °C |
| 체류 시간 | min. 3 s (체류 시간이란 액추에이터가 구동 범위 밖에 있어야 하는 시간을 의미합니다.) |
| 재질 | |
| 하우징 | 플라스틱 PA6.6 |
| 안전 접점 13/14, 23/24 | |
| 안전 접점의 수량 | 2 내부에서 모니터링된 접점이 장착된 릴레이 (안전을 확보하기 위해 두 안전 출력부(13/14 및 23/24)를 평가해야 합니다.) |
| 기계적 수명 | |
| 작동 주기(릴레이) | 10 x 10⁶ |
EN ISO 13849-1 및 EN IEC 62061에 따른 특성 값
| PL | 최대 SIL | PFHD | 범주 | 임무 시간 | ||
|---|---|---|---|---|---|---|
| 가드 위치의 모니터링 | 머리 읽기 CES-A-L.. CEM-A-L.. | PL e | - | 1.9x10-8 | 4 | 20 y |
| 스위칭 전압 24V DC 및 스위칭 전류 최대 0.1A(최대 스위칭 사이클 760,000 1/y) 또는 최대 1A(최대 스위칭 주기 153,000 1/y) 또는 최대 3A(최대 스위칭 주기 34,600 1/y) | ||||||
기타
| UL 승인에 대한 참고 사항 | UL 2등급 전원장치 또는 그에 상응하는 수단을 통해서만 작동. |
읽기 헤드 CES-A-LQA-SC 및 액추에이터 CES-A-BQA와 결합하여
| 스위치 켜기 거리 | |
| 수직 방향으로 접근할 때(중심 옵셋 m = 0) | 23 mm (읽기 헤드 및 액추에이터를 표면에 장착하는 경우) |
| 측면 방향에서 접근할 때(x 방향에서 거리 10mm) | 28 mm (읽기 헤드 및 액추에이터를 표면에 장착하는 경우) |
| 보안 스위치 끄기 거리 sar | 60 mm |
| 보안 스위칭 거리 sao | |
| 수직 방향으로 접근할 때(중심 옵셋 m = 0) | min. 16 mm (읽기 헤드 및 액추에이터를 표면에 장착하는 경우) |
| 측면 방향에서 접근할 때(x 방향에서 거리 10mm) | min. +/- 24 mm (읽기 헤드 및 액추에이터를 표면에 장착하는 경우) |
| 스위칭 히스테리시스 | |
| 수직 방향으로 접근할 때(중심 옵셋 m = 0) | 2 ... 3 mm (읽기 헤드 및 액추에이터를 표면에 장착하는 경우) |
| 측면 방향에서 접근할 때(x 방향에서 거리 10mm) | 1 ... 1.3 mm (읽기 헤드 및 액추에이터를 표면에 장착하는 경우) |
읽기 헤드 CES-A-LNA-SC-077715, CES-A-LNA-05P-077806, CES-A-LNA-10P-077807, CES-A-LNA-05V-071845, CES-A-LNA-10V-071846, CES-A-LNA-15V-071847, CES-A-LNA-25V-071975, CES-A-LNA-15P-084682, CES-A-LCA-10V 및 액추에이터 CES-A-BDA-20과 결합하여
| 액추에이터 거리 s | |
| 측면 접근 방향에 대한 최소 거리 | min. 4 mm (비금속 환경에서 장착할 때) |
| 스위치 켜기 거리 | |
| 중심점 옵셋 m=0 포함 | 16 mm (비금속 환경에서 장착할 때) |
| 보안 스위치 끄기 거리 sar | 33 mm |
| 보안 스위칭 거리 sao | |
| 중심점 옵셋 m=0 포함 | min. 11 mm (비금속 환경에서 장착할 때) |
| 스위칭 히스테리시스 | 0.5 ... 2 mm (비금속 환경에서 장착할 때) |
읽기 헤드 CES-A-LNA-SC-077715, CES-A-LNA-05P-077806, CES-A-LNA-10P-077807, CES-A-LNA-05V-071845, CES-A-LNA-10V-071846, CES-A-LNA-15V-071847, CES-A-LNA-25V-071975, CES-A-LNA-15P-084682, CES-A-LCA-10V와 결합하여
| 장착 거리 | |
| 읽기 헤드 사이 | min. 50 mm |
읽기 헤드 CES-A-LMN-SC와 결합하여
| 장착 거리 | |
| 읽기 헤드 사이 | min. 20 mm |
읽기 헤드 CES-A-LMN-SC 및 액추에이터 CES-A-BMB와 결합하여
| 액추에이터 거리 s | |
| 측면 접근 방향에 대한 최소 거리 | min. 1.2 mm |
| 스위치 켜기 거리 | |
| 중심점 옵셋 m=0 포함 | 5 mm (읽기 헤드를 강철의 표면에 장착하는 경우) |
| 보안 스위치 끄기 거리 sar | 10 mm |
| 보안 스위칭 거리 sao | |
| 중심점 옵셋 m=0 포함 | min. 3.5 mm (읽기 헤드를 강철의 표면에 장착하는 경우) |
| 스위칭 히스테리시스 | 0.1 ... 0.3 mm (읽기 헤드를 강철의 표면에 장착하는 경우) |
읽기 헤드 CES-A-LQA-SC 및 액추에이터 CES-A-BBA-071840, CES-A-BCA와 결합하여
| 스위치 켜기 거리 | |
| 측면 방향에서 접근할 때(x 방향에서 거리 8mm) | 22 mm (읽기 헤드 및 액추에이터를 표면에 장착하는 경우) |
| 수직 방향으로 접근할 때(중심 옵셋 m = 0) | 15 mm (읽기 헤드 및 액추에이터를 표면에 장착하는 경우) |
| 보안 스위치 끄기 거리 sar | 47 mm |
| 보안 스위칭 거리 sao | |
| 측면 방향에서 접근할 때(x 방향에서 거리 8mm) | min. +/- 18 mm (읽기 헤드 및 액추에이터를 표면에 장착하는 경우) |
| 수직 방향으로 접근할 때(중심 옵셋 m = 0) | min. 10 mm (읽기 헤드 및 액추에이터를 표면에 장착하는 경우) |
| 스위칭 히스테리시스 | |
| 측면 방향에서 접근할 때(x 방향에서 거리 8mm) | 1 ... 1.8 mm (읽기 헤드 및 액추에이터를 표면에 장착하는 경우) |
| 수직 방향으로 접근할 때(중심 옵셋 m = 0) | 2 ... 3 mm (읽기 헤드 및 액추에이터를 표면에 장착하는 경우) |
읽기 헤드 CES-A-LQA-SC와 결합하여
| 장착 거리 | |
| 읽기 헤드 사이 | min. 80 mm |
읽기 헤드 CES-A-LNA-SC-077715, CES-A-LNA-05P-077806, CES-A-LNA-10P-077807, CES-A-LNA-05V-071845, CES-A-LNA-10V-071846, CES-A-LNA-15V-071847, CES-A-LNA-25V-071975, CES-A-LNA-15P-084682, CES-A-LCA-10V 및 액추에이터 CES-A-BBA-071840, CES-A-BCA와 결합하여
| 액추에이터 거리 s | |
| 측면 접근 방향에 대한 최소 거리 | min. 3 mm |
| 스위치 켜기 거리 | |
| 중심점 옵셋 m=0 포함 | 15 mm (읽기 헤드 및 액추에이터를 표면에 장착하는 경우) |
| 보안 스위치 끄기 거리 sar | 32 mm |
| 보안 스위칭 거리 sao | |
| 중심점 옵셋 m=0 포함 | min. 10 mm (읽기 헤드 및 액추에이터를 표면에 장착하는 경우) |
| 스위칭 히스테리시스 | 0.5 ... 2 mm (읽기 헤드 및 액추에이터를 표면에 장착하는 경우) |
부속품
CEM 읽기 헤드
CES 읽기 헤드
다운로드
컴플리트 패키지
단 한번 클릭하여 중요한 모든 문서 다운로드.
내용물:
- 사용 설명서와 사용 설명서에 대한 보충 사항 또는 요약 설명서
- 사용 설명서를 보완하는 데이터 시트
- 적합성 선언
컴플리트 패키지 다운로드 (ZIP, 6,3 MB)
단일 문서
지침
Operating Instructions Safety System CES-A-UEA-02B/CES-A-UEA-04B (Multicode)
문서 번호
버전
언어
크기
Operating Instructions Safety System CES-A-UEA-02B/CES-A-UEA-04B (Multicode)
문서 번호
2097098
버전
19-08/20
언어
크기
1,5 MB
Mode d'emploi système de sécurité CES-A-UEA-02B/CES-A-UEA-04B (Multicode)
문서 번호
2097098
버전
19-08/20
언어
크기
1,5 MB
Manual de instrucciones del sistema de seguridad CES-A-UEA-02B/CES-A-UEA-04B (Multicode)
문서 번호
2097098
버전
19-08/20
언어
크기
1,5 MB
Betriebsanleitung Berührungsloses Sicherheitssystem CES-A-UEA-02B/CES-A-UEA-04B (Multicode)
문서 번호
2097098
버전
19-08/20
언어
크기
1,5 MB
Istruzioni di impiego del sistema di sicurezza CES-A-UEA-02B/CES-A-UEA-04B (Multicode)
문서 번호
2097098
버전
19-08/20
언어
크기
1,5 MB
기타 다른 문서
승인 및 인증서
CCC
문서 번호
버전
언어
크기
CCC
문서 번호
20001849
버전
언어
크기
0,0 MB
S-Mark
문서 번호
버전
언어
크기
S-Mark
문서 번호
버전
언어
크기
0,8 MB
WEEE
문서 번호
버전
언어
크기
WEEE
문서 번호
ECO20001806
버전
언어
크기
0,1 MB
ePlan 매크로
EUC.097077
문서 번호
버전
언어
크기
EUC.097077
문서 번호
버전
언어
크기
0,3 MB
CAD/eCAD
주문 데이터
| 주문 번호 | 097077 |
| 품목 명칭 | CES-A-UEA-02B |
| 총중량 | 0,321kg |
| 세관품목분류번호 | 85364110 |
| ECLASS | 27-27-24-03 Safety-related transponder switch |








