NOT-HALT TASTE 16MM 2 OE/ZUG (주문 번호 096298)
콘텐츠 선택
하우징 ZSM/HBA/HBM에 설치하기 위한 비상정지장치
- 견인 리셋 버튼 포함
- EN ISO 13850에 따른 비상정지 장치
- 인에이블링 스위치 ZXE가 장착되지 않은 하우징 ZSM/HBA/HBM용 비상 스톱 장치, 3단계

설명
하우징 ZSM/HBA/HBM에 설치하기 위한 2-채널 비상정지 장치(적색, 당김 리셋 버튼 장착), 여러 배선 컨셉트에 사용 가능
비고
- 비상정지 장치는 눌러서 구동될 때 체결되고, 당기면 잠금이 해제되며 과부하가 방지되어 있습니다
- 3 단계 인에이블링 스위치 ZXE가 장착된 ZSM/HBA/HBM 하우징과 함께 사용하지 마십시오

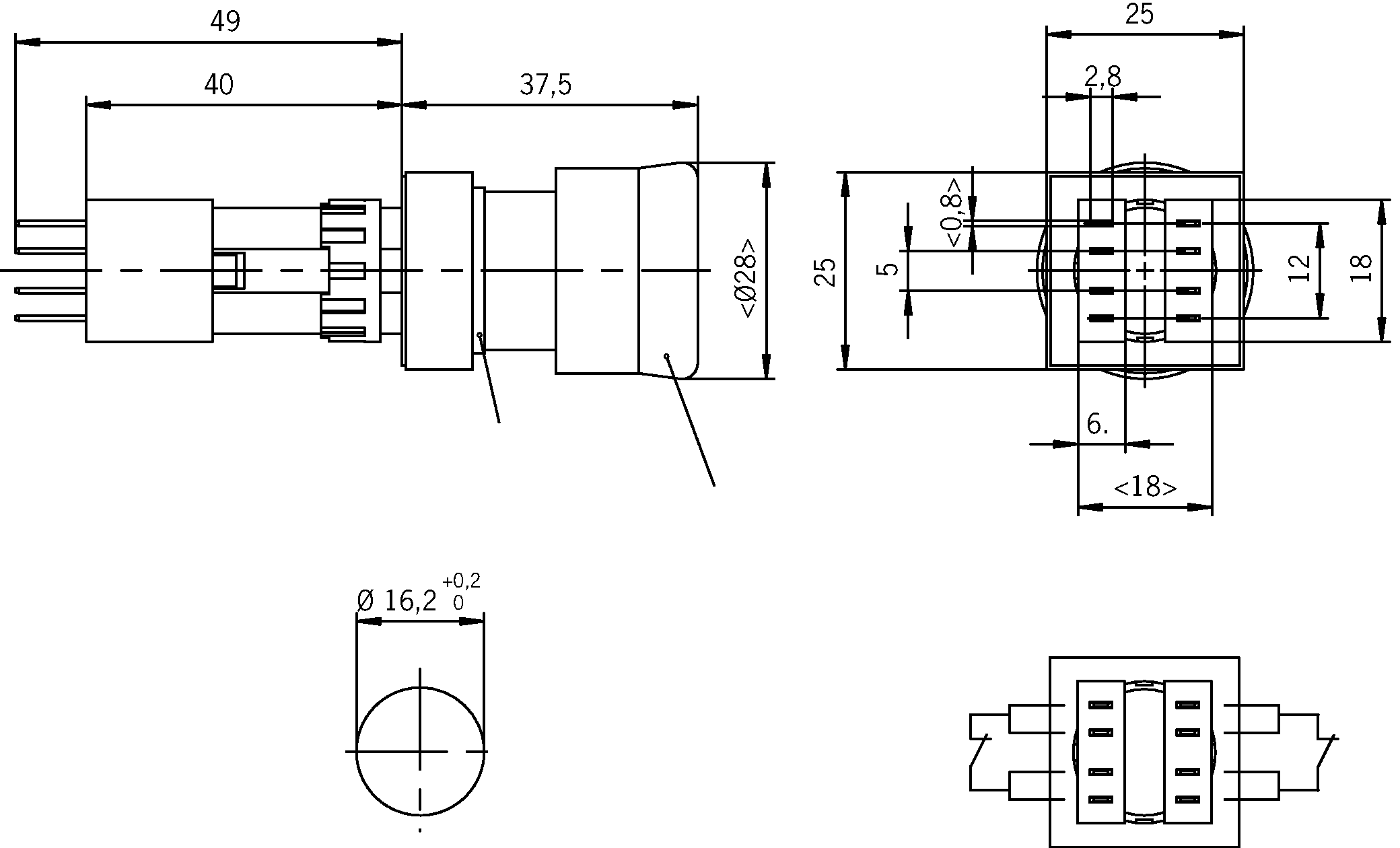
치수 도면

기술 자료
전기 연결 값
| 활용 범주 | |
| DC-13 | 3A 24V |
| 스위칭 특성 | 래칭, 당겨서 리셋 |
기계적 가치 및 환경
| 스위칭 부재의 수량 | 2 각각 양의 방향으로 구동된 접점 한 개 |
| 보관 온도 | -25 ... 70 °C |
| 기계적 수명 | 0.05 x 10⁶ |
| 보호 등급 | IP65 |
기타
| 색 | |
| 구동 버튼 | 빨간색 |
| 바닥 부분 | yellow |
다운로드
승인 및 인증서
WEEE
문서 번호
버전
언어
크기
WEEE
문서 번호
ECO20001806
버전
언어
크기
0,1 MB
CAD/eCAD
주문 데이터
| 주문 번호 | 096298 |
| 품목 명칭 | NOT-HALT TASTE 16MM 2 OE/ZUG |
| 총중량 | 0,029kg |
| 세관품목분류번호 | 85389099990 |

