BETAETIGER-S-WQT-SN (주문 번호 095740)
콘텐츠 선택
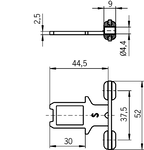
액추에이터 S, 곡형, 안전 스위치 SGA/SGP/STA/STP/STM용
- 2개의 안전 스크루 포함됨

설명
주의 사항
S-.- SN 액추에이터를 삽입 깔대기와 연결하여 사용해서는 안 됩니다. S-...-LN 액추에이터를 삽입 깔대기용으로 사용해야 합니다.
곡형 액추에이터
최대 1000N의 장력에 적합.
스테인리스 스틸제 스크루
포함된 이 안전 스크루를 일반적인 공구를 사용하여 삽입할 수 있지만, 다시 제거할 수는 없습니다.

치수 도면

기술 자료
승인

기계적 가치 및 환경
| 보관 온도 | -25 ... 70 °C |
| 오버트래블 | max. 5 mm |
| 도어 반경 | min. 300 mm |
| 재질 | |
| 스크루 | 스테인리스 스틸 |
| 고무제 부싱 | NBR |
| 액추에이터 | 스테인리스 스틸 |
| 잠금력 Fmax | max. 1000 N 액추에이터에 의해 감소된 잠금력 |
기타
| 삽입 깔대기의 유용성 | NO |
부속품
다운로드
컴플리트 패키지
단 한번 클릭하여 중요한 모든 문서 다운로드.
내용물:
- 사용 설명서와 사용 설명서에 대한 보충 사항 또는 요약 설명서
- 사용 설명서를 보완하는 데이터 시트
- 적합성 선언
컴플리트 패키지 다운로드 (ZIP, 0,1 MB)
단일 문서
기타 다른 문서
승인 및 인증서
DGUV
문서 번호
버전
언어
크기
DGUV
문서 번호
버전
언어
크기
3,5 MB
영업 문서
Safety Switches with Metal Housing
문서 번호
버전
언어
크기
Safety Switches with Metal Housing
문서 번호
100369
버전
11-03/18
언어
크기
7,8 MB
Interrupteurs de sécurité avec boîtier métallique
문서 번호
100676
버전
11-03/18
언어
크기
7,9 MB
Interruptores de seguridad con carcasa metálica
문서 번호
104856
버전
11-03/18
언어
크기
14,0 MB
Sicherheitsschalter mit Metallgehäuse
문서 번호
100319
버전
11-03/18
언어
크기
7,9 MB
金属壳体 的安全开关
문서 번호
102453
버전
11-03/18
언어
크기
8,2 MB
Bezpečnostní spínače s kovovým pouzdrem
문서 번호
121650
버전
11-03/18
언어
크기
7,8 MB
Safety Switches with Plastic Housing
문서 번호
버전
언어
크기
Safety Switches with Plastic Housing
문서 번호
096956
버전
11-03/18
언어
크기
6,5 MB
Interrupteurs de sécurité avec boîtier plastique
문서 번호
100677
버전
11-03/18
언어
크기
6,6 MB
Interruptores de seguridad con carcasa plástica
문서 번호
104855
버전
11-03/18
언어
크기
6,6 MB
Sicherheitsschalter mit Kunststoffgehäuse
문서 번호
096955
버전
11-03/18
언어
크기
6,6 MB
塑料壳体 的安全开关
문서 번호
116243
버전
11-03/18
언어
크기
6,1 MB
Bezpečnostní spínače s plastovým pouzdrem
문서 번호
121649
버전
11-03/18
언어
크기
6,5 MB
주문 데이터
| 주문 번호 | 095740 |
| 품목 명칭 | BETAETIGER-S-WQT-SN |
| 총중량 | 0,028kg |
| 세관품목분류번호 | 85389099990 |
| ECLASS | 27-27-26-06 Actuator for safety-related position switch |


