NZ2HB-511SVM5 (주문 번호 090861)
콘텐츠 선택
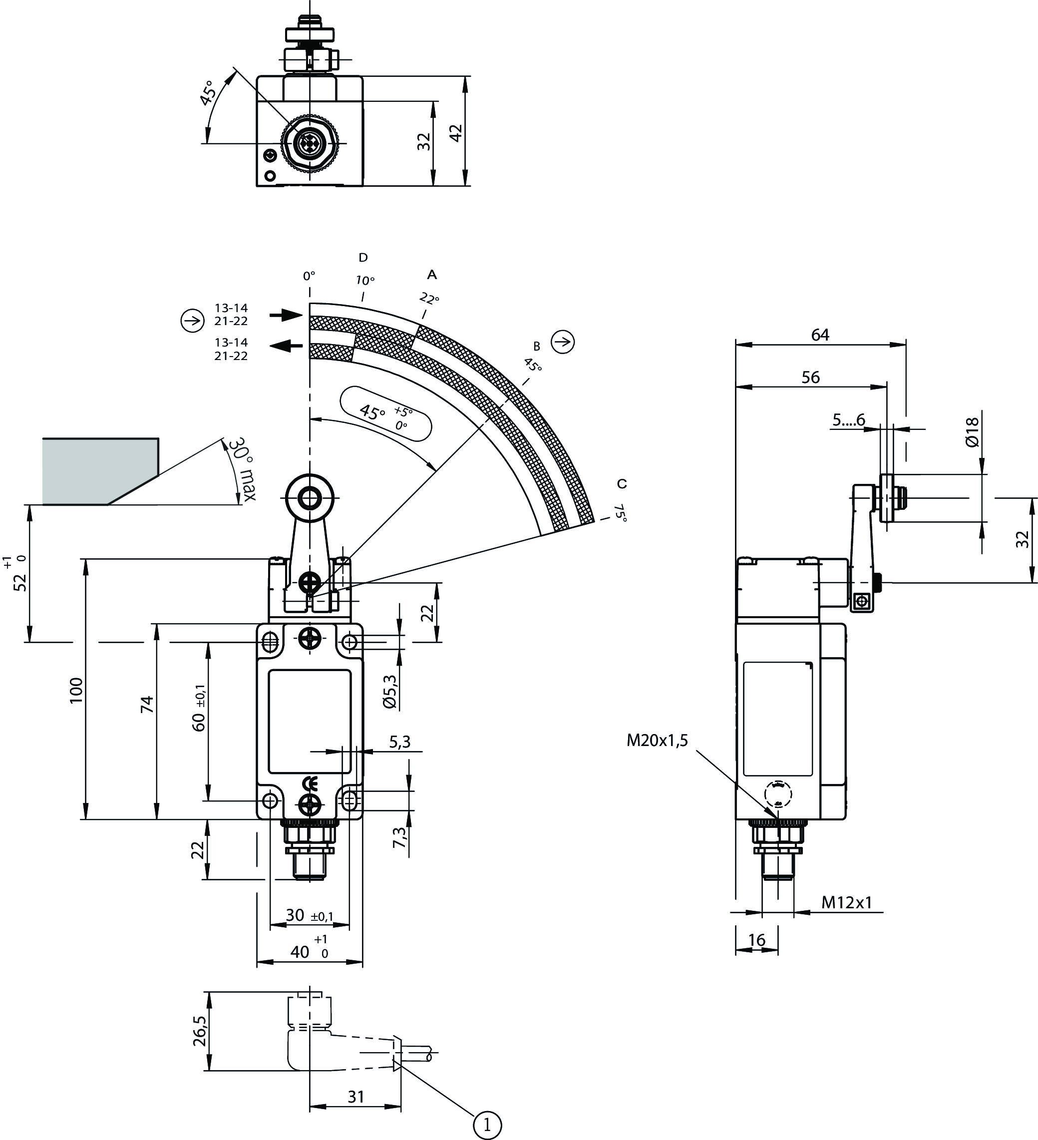
안전 스위치 NZ.HB, 플라스틱제 롤러 장착 레버 암, 플러그 커넥터 M12
- 레버 암, 플라스틱제 롤러 ø 18 mm
- EN 50041에 따른 버전 A
- 플러그 커넥터 M12, 5-핀
- 순방향 구동 접점 1개
- NO 접점 1개

설명
치수 도면

| 1 | 직각형 플러그 커넥터: 케이블 출구 최대 270° 조절 가능, 기본 설정 케이블 출구에 대해 우측으로. |
| A | = 작동점 |
| B | = 양의 방향으로 구동 |
| C | = 최종 위치 |
| D | = 리셋 지점 |
연결 예시

교대근무 이동 다이어그램

![]() | 접점 닫힘 |
![]() | 접점 열림 |
![]() | 접점, 직접 구동 |
기술 자료
승인



전기 연결 값
| 헤징 | max. 4 A gG |
| 정격 절연 전압 Ui | 50 V |
| 정격 임펄스 전압 Uimp | 1.5 kV |
| 활용 범주 | |
| DC-13 | 4A 24V |
| AC-15 | 4A 30V |
| 스위칭 전류 | |
| 최소 DC 24V에서 | 10 mA |
| 정격 열전류 Ith | 4 A |
기계적 가치 및 환경
| Anfahrgeschwindigkeit | 0.1 ... 300 m/min |
| 연결 유형 | |
| 1번 | 플러그 커넥터 M12 (5-핀) |
| NO 접점의 수량 | 1 |
| 도어 위치 순방향 구동 접점의 수량 | 1 |
| 구동 부재 | |
| 플라스틱제 슬라이드 베어링 | 레버 암 (롤러 d = 18 mm, 길이 = 32 mm) |
| 구동력 | min. 15 N |
| 설치 방향 | 임의 |
| 보관 온도 | -25 ... 80 °C |
| 기계적 수명 | 30 x 10⁶ |
| 접점 바운스 시간 | max. 3 ms |
| 전환 원리 | 스냅 동작 스위칭 접점 (접점 폐쇄 시간<4 접점 바운스 시간<3) |
| Schließzeit | max. 4 ms |
| 보호 등급 | IP67 |
| 주변 온도 | -25 ... 80 °C |
| 재질 | |
| 접점 | 은합금, 금 도금 |
| 하우징 | 양극산화로 처리된 다이캐스트 합금 |
EN ISO 13849-1 및 EN IEC 62061에 따른 특성 값
| B10D | 임무 시간 | |
|---|---|---|
| 안전한 위치 감지 | 2x107 | 20 y |
| 중요! DC-13 100 mA/24V에서 유효한 값 | ||
부속품
다운로드
컴플리트 패키지
단 한번 클릭하여 중요한 모든 문서 다운로드.
내용물:
- 사용 설명서와 사용 설명서에 대한 보충 사항 또는 요약 설명서
- 사용 설명서를 보완하는 데이터 시트
- 적합성 선언
컴플리트 패키지 다운로드 (ZIP, 5,8 MB)
단일 문서
지침
Operating Instructions Safety Switch NZ.H/P
문서 번호
버전
언어
크기
Operating Instructions Safety Switch NZ.H/P
문서 번호
2074550
버전
08/25
언어
크기
0,8 MB
Mode d’emploi Interrupteur de sécurité NZ.H/P
문서 번호
2074550
버전
08/25
언어
크기
0,8 MB
Manual de instrucciones Interruptor de seguridad NZ.H/P
문서 번호
2074550
버전
08/25
언어
크기
0,8 MB
Betriebsanleitung Sicherheitsschalter NZ.H/P
문서 번호
2074550
버전
08/25
언어
크기
0,8 MB
Istruzioni di impiego Finecorsa di sicurezza NZ.H/P
문서 번호
2074550
버전
08/25
언어
크기
0,8 MB
Instrukcja obsługi Wyłącznik bezpieczeństwa NZ.H/P
문서 번호
2074550
버전
08/25
언어
크기
1,3 MB
Návod na prevádzku Bezpečnostný spínač NZ.H/P
문서 번호
2074550
버전
08/25
언어
크기
1,3 MB
İşletim kılavuzu Emniyet şalteri NZ.H/P
문서 번호
2074550
버전
08/25
언어
크기
1,2 MB
기타 다른 문서
승인 및 인증서
CCC
문서 번호
버전
언어
크기
CCC
문서 번호
20001849
버전
언어
크기
0,0 MB
DNV-GL
문서 번호
버전
언어
크기
DNV-GL
문서 번호
버전
언어
크기
0,2 MB
WEEE
문서 번호
버전
언어
크기
WEEE
문서 번호
ECO20001806
버전
언어
크기
0,1 MB
c UL us
문서 번호
버전
언어
크기
c UL us
문서 번호
버전
언어
크기
0,3 MB
영업 문서
Safety Switches with Metal Housing
문서 번호
버전
언어
크기
Safety Switches with Metal Housing
문서 번호
100369
버전
11-03/18
언어
크기
7,8 MB
Interrupteurs de sécurité avec boîtier métallique
문서 번호
100676
버전
11-03/18
언어
크기
7,9 MB
Interruptores de seguridad con carcasa metálica
문서 번호
104856
버전
11-03/18
언어
크기
14,0 MB
Sicherheitsschalter mit Metallgehäuse
문서 번호
100319
버전
11-03/18
언어
크기
7,9 MB
金属壳体 的安全开关
문서 번호
102453
버전
11-03/18
언어
크기
8,2 MB
Bezpečnostní spínače s kovovým pouzdrem
문서 번호
121650
버전
11-03/18
언어
크기
7,8 MB
ePlan 매크로
EUC.090861
문서 번호
버전
언어
크기
EUC.090861
문서 번호
버전
언어
크기
0,1 MB
CAD/eCAD
주문 데이터
| 주문 번호 | 090861 |
| 품목 명칭 | NZ2HB-511SVM5 |
| 총중량 | 0,389kg |
| 세관품목분류번호 | 85365019000 |
| ECLASS | 27-27-26-01 Safety position switch (Type 1) |
+ 1 NO 접점










