SPIRALLEITUNG 12-ADRIG 3,9M (주문 번호 086721)
콘텐츠 선택
휴대용 펜던트 스테이션 HBA/HBM/HBL/ZSM용 연결 케이블, 코딩됨
- PUR 케이블, 코일형
- 케이블 길이 3.9 m
- 플라잉 리드 장착
- 철선 12개, 완전히 절단
설명


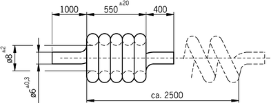
치수 도면

| 케이블 길이 3.9 m |
연결 예시

기술 자료
전기 연결 값
| 케이블 차폐 | 예 (Cu 나사산 덮개, 광학적으로 약 90% 차폐) |
| 특정 전도체 저항 | max. 145 Ω/km |
기계적 가치 및 환경
| 전도체 ID | DIN 47100에 색상 코드 |
| 전도체 단면적 | 0.14 mm² |
| 전도체의 수량 | 12 |
| 동적 굴곡 반경 | 15 x 케이블 직경 |
| 정적 굴곡 반경 | 10 x 케이블 직경 |
| 보관 온도 | -40 ... 80 °C |
| 케이블 타입 | 코일형 |
| 케이블 직경 | 6.0 mm -0,3 ... +0,3 mm |
| 케이블 길이 | 3.9 m (확장됨) |
| 외피 색 | 검은색 매트 |
| 케이블 주변 온도(동적) | -10 ... 70 °C |
| 케이블 주변 온도(정적) | -40 ... 80 °C |
| 재질 | |
| 외피 | PUR |
| 연결부 1, 2 | |
| 전도체 종단부 | 마름질한 평활 |
| 연결 유형 | 플라잉 리드 |
주문 데이터
| 주문 번호 | 086721 |
| 품목 명칭 | SPIRALLEITUNG 12-ADRIG 3,9M |
| 총중량 | 0,308kg |
| 세관품목분류번호 | 85389099990 |
| ECLASS | 27-06-03-04 Appliance cord (data cable) |
