ENA10B050UP048LKK10-M (주문 번호 086280)
콘텐츠 선택
유도형 단일 리밋 스위치 디자인 ENA
- DIN 43693에 따른 하우징
- 정격 작동 거리 5mm
- LED 기능 디스플레이, 선택 사양

설명


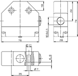
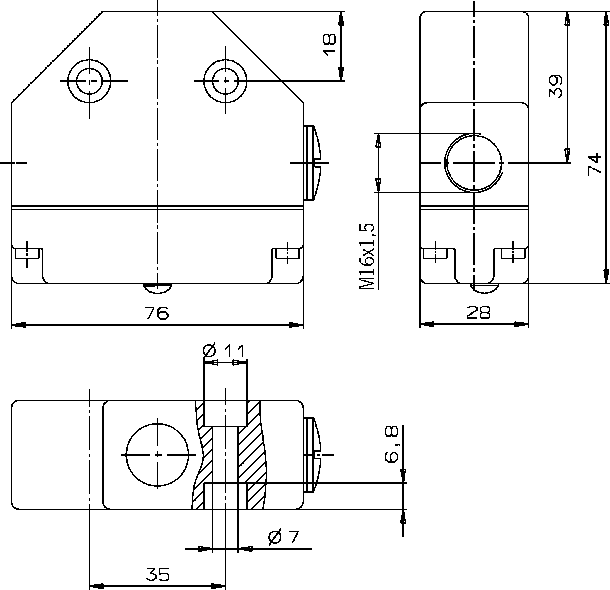
치수 도면

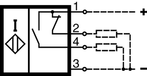
연결 예시

기술 자료
승인

작업 공간
| 정격 작동 거리 Sn | 5 mm |
| 보장된 작동 거리 Sa | 0 ... 4 mm (치수는 강철(ST37) 및 시리즈 UX../ GX..의 EUCHNER 트립 도그에만 적용됩니다.) |
| 스위칭 히스테리시스 | max. 0.5 mm |
| 반복 정밀성 R | 5 % |
작동 및 디스플레이 요소
| LED 디스플레이 | NO |
전기 연결 값
| 연결 단면도 | 0.34 ... 1.5 mm² |
| 출력 타입 | PNP |
| 정격 작동 전류 Ie | max. 250 mA |
| 정격 절연 전압 Ui | 60 V |
| 작동 전압 DC | 10 ... 55 V DC |
| EMC 방호 요건 | IEC 60947-5-2 |
| 활용 범주 | |
| DC-13 | DC-13 |
| 단락 및 과부하 방호, 펄스됨 | 예 |
| 무부하 전류 I0 | 15 |
| 오프 상태 전류 Ir | max. 0.001 mA |
| 전압 하강 Ud | max. 2.5 V |
| 역극 방지 | 예 |
기계적 가치 및 환경
| 연결 유형 | |
| 2번 | M16 x 1.5 |
| 디자인 | DIN 43693에 따른 하우징 |
| 설치 방향 | 임의 |
| 스위칭 주파수 | max. 500 Hz |
| 보관 온도 | -25 ... 70 °C |
| 전환 원리 | NO + NC |
| 보호 등급 | IP67 |
| 주변 온도 | -25 ... 70 °C |
| 재질 | |
| 하우징 | 알루미늄 다이캐스팅, 양극산화 처리 |
| 액티브 페이스 | PBT |
기타
| 추가 기능 | |
| 와이어 파단 안전 | 예 |
다운로드
컴플리트 패키지
단 한번 클릭하여 중요한 모든 문서 다운로드.
내용물:
- 사용 설명서와 사용 설명서에 대한 보충 사항 또는 요약 설명서
- 사용 설명서를 보완하는 데이터 시트
- 적합성 선언
컴플리트 패키지 다운로드 (ZIP, 0,3 MB)
단일 문서
기타 다른 문서
승인 및 인증서
WEEE
문서 번호
버전
언어
크기
WEEE
문서 번호
ECO20001806
버전
언어
크기
0,1 MB
c UL us
문서 번호
버전
언어
크기
c UL us
문서 번호
버전
언어
크기
0,3 MB
CAD/eCAD
주문 데이터
| 주문 번호 | 086280 |
| 품목 명칭 | ENA10B050UP048LKK10-M |
| 총중량 | 0,252kg |
| 세관품목분류번호 | 85365019000 |
| ECLASS | 27-27-01-01 Inductive proximity switch |

