AE-K-A1-DULK1-84177 (주문 번호 084177)
콘텐츠 선택
안전 스위치 CTP/CTA/TP/STP용의 보조 릴리스용 로크
- 로크를 독특한 방식으로 잠금
- “잠금해제” 및 “잠금” 위치에서 키 제거 가능

설명
안전 스위치 CTP/TP/STP와 결합하여 로크를 사용합니다. 보조 키 릴리즈 덕분에 인가자는 관련 키를 사용하여 보조 릴리스를 구동시킬 수 있습니다. 잠금해제 매거니즘에 의해 솔레노이드는 “잠금해제” 위치를 유지합니다. 로크를 안전 스위치의 커버 (보조 릴리스 위)에 고정시킬 때 스크루 2개를 사용합니다.
- 안전 스위치 CTP/TP/STP 별도 주문
- 키가 2개 포함되어 있습니다
- 시리즈 CTP/TP/STP의 모든 안전 스위치를 업그레이드하여 로크를 포함시킬 수 있습니다..


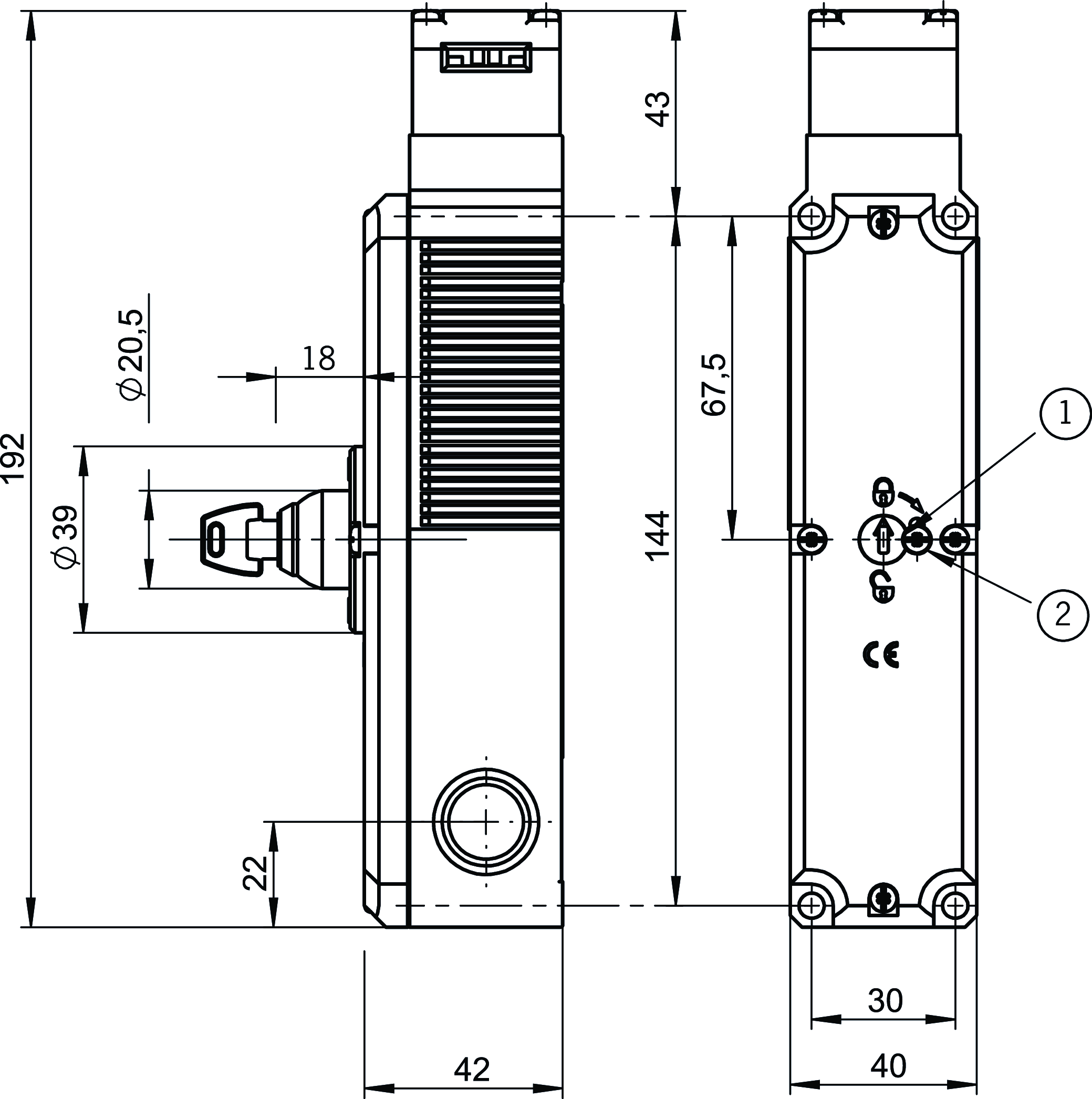
치수 도면

| 1 | 잠김 |
| 2 | 해제됨 |
치수 도면

| 1 | 보조 릴리스(기본 위치) |
| 2 | 잠금 스크루 |
기술 자료
기계적 가치 및 환경
| 제거 위치 | 두 개 (0° 및 180°) |
| 보관 온도 | -25 ... 70 °C |
| 닫힘 타입 | 독자적인 잠금 기능 |
| 재질 | 플라스틱 (로크: 금속) |
다운로드
컴플리트 패키지
단 한번 클릭하여 중요한 모든 문서 다운로드.
내용물:
- 사용 설명서와 사용 설명서에 대한 보충 사항 또는 요약 설명서
- 사용 설명서를 보완하는 데이터 시트
- 적합성 선언
컴플리트 패키지 다운로드 (ZIP, 3,4 MB)
단일 문서
지침
Assembly Instructions Releases for CTA, CTP, TP, STP, STA, MGB2
문서 번호
버전
언어
크기
Assembly Instructions Releases for CTA, CTP, TP, STP, STA, MGB2
Montageanleitung Entriegelungen für CTA, CTP, TP, STP, STA, MGB2
Montageanleitung Entriegelungen für CTA, CTP, TP, STP, STA, MGB2
문서 번호
MAN20001451
버전
01-09/21
언어
크기
1,4 MB
Assembly Instructions Releases for CTA, CTP, TP, STP, STA, MGB2
Montageanleitung Entriegelungen für CTA, CTP, TP, STP, STA, MGB2
Montageanleitung Entriegelungen für CTA, CTP, TP, STP, STA, MGB2
문서 번호
MAN20001451
버전
01-09/21
언어
크기
1,4 MB
기타 다른 문서
영업 문서
Multifunctional Gate Box MGBS Slimline
문서 번호
버전
언어
크기
Multifunctional Gate Box MGBS Slimline
문서 번호
163691
버전
03-03/20
언어
크기
13,3 MB
Multifunctional Gate Box MGBS Slimline
문서 번호
163692
버전
03-03/20
언어
크기
13,4 MB
Multifunctional Gate Box MGBS Slimline
문서 번호
163693
버전
03-03/20
언어
크기
13,4 MB
Multifunctional Gate Box MGBS Slimline
문서 번호
163690
버전
03-03/20
언어
크기
13,3 MB
製品/マルチファンクション-ゲート-ボックス- MGBS Slimline
문서 번호
164508
버전
03-03/20
언어
크기
4,8 MB
Safety Switches with Plastic Housing
문서 번호
버전
언어
크기
Safety Switches with Plastic Housing
문서 번호
096956
버전
11-03/18
언어
크기
6,5 MB
Interrupteurs de sécurité avec boîtier plastique
문서 번호
100677
버전
11-03/18
언어
크기
6,6 MB
Interruptores de seguridad con carcasa plástica
문서 번호
104855
버전
11-03/18
언어
크기
6,6 MB
Sicherheitsschalter mit Kunststoffgehäuse
문서 번호
096955
버전
11-03/18
언어
크기
6,6 MB
塑料壳体 的安全开关
문서 번호
116243
버전
11-03/18
언어
크기
6,1 MB
Bezpečnostní spínače s plastovým pouzdrem
문서 번호
121649
버전
11-03/18
언어
크기
6,5 MB
CAD/eCAD
주문 데이터
| 주문 번호 | 084177 |
| 품목 명칭 | AE-K-A1-DULK1-84177 |
| 총중량 | 0,028kg |
| 세관품목분류번호 | 85389099990 |

