RASTFEDER NP/TP (주문 번호 076501)
콘텐츠 선택
유지력 증가를 위한 래치 스프링
설명
래치 스프링은 잠금이 해제된 상태에서 안전 스위치 NP와 GP 또는 TP에 대해 약 30N의 강화된 유지력을 제공합니다. 고무 부싱(주문 번호070 046)이 장착된 직선형 액추에이터와 결합해서만 사용할 수 있습니다.


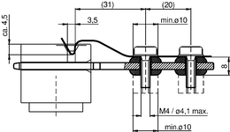
치수 도면

치수 도면

기술 자료
기계적 가치 및 환경
| 보관 온도 | -25 ... 70 °C |
| 재질 | 스테인리스 스틸 |
기타
| 추가 기능 | 약 30N의 증가된 유지력 |
다운로드
영업 문서
Safety Switches with Plastic Housing
문서 번호
버전
언어
크기
Safety Switches with Plastic Housing
문서 번호
096956
버전
11-03/18
언어
크기
6,5 MB
Interrupteurs de sécurité avec boîtier plastique
문서 번호
100677
버전
11-03/18
언어
크기
6,6 MB
Interruptores de seguridad con carcasa plástica
문서 번호
104855
버전
11-03/18
언어
크기
6,6 MB
Sicherheitsschalter mit Kunststoffgehäuse
문서 번호
096955
버전
11-03/18
언어
크기
6,6 MB
塑料壳体 的安全开关
문서 번호
116243
버전
11-03/18
언어
크기
6,1 MB
Bezpečnostní spínače s plastovým pouzdrem
문서 번호
121649
버전
11-03/18
언어
크기
6,5 MB
CAD/eCAD
주문 데이터
| 주문 번호 | 076501 |
| 품목 명칭 | RASTFEDER NP/TP |
| 총중량 | 0,011kg |
| 세관품목분류번호 | 85389099990 |

