BETAETIGER-M-WT (주문 번호 074080)
콘텐츠 선택
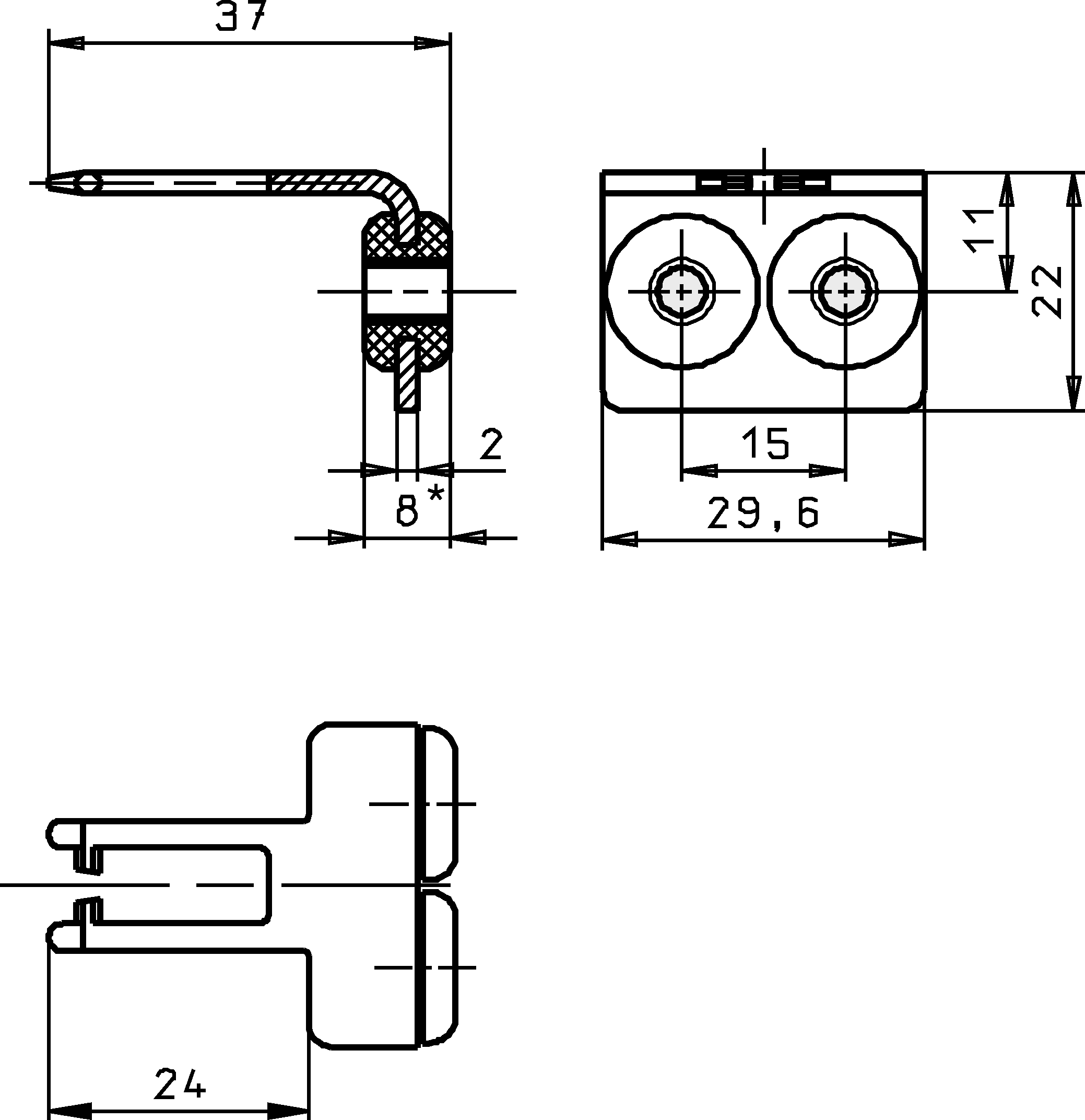
안전 스위치 NM.VZ용 액추에이터
- 스테인리스 스틸제 액추에이터
- 액추에이터 하나당 두 개의 스테인리스 스틸제 안전 스크루
- 고무제 부싱 장착 액추에이터

설명
곡형 액추에이터
각형 액추에이터는 도어의 반경이 150mm 이상인 슬라이딩형 도어나 경첩형 도어에 사용됩니다. 안전 스크루로 고정되어 있으므로 액추에이터의 스크루가 풀리지 않습니다.
고무제 부싱 장착 액추에이터
액추에이터를 유연하게 장착하도록 하기 위해.
스테인리스 스틸제 스크루
포함된 이 안전 스크루를 일반적인 공구를 사용하여 삽입할 수 있지만, 다시 제거할 수는 없습니다.


치수 도면

치수 도면

기술 자료
기계적 가치 및 환경
| 보관 온도 | -25 ... 70 °C |
| 오버트래블 | max. 4 mm |
| 도어 반경 | min. 150 mm |
| 재질 | |
| 고무제 부싱 | NBR |
| 스크루 | 스테인리스 스틸 |
| 액추에이터 | 스테인리스 스틸 |
기타
| 삽입 깔대기의 유용성 | 예 |
부속품
다운로드
영업 문서
Safety Switches with Plastic Housing
문서 번호
버전
언어
크기
Safety Switches with Plastic Housing
문서 번호
096956
버전
11-03/18
언어
크기
6,5 MB
Interrupteurs de sécurité avec boîtier plastique
문서 번호
100677
버전
11-03/18
언어
크기
6,6 MB
Interruptores de seguridad con carcasa plástica
문서 번호
104855
버전
11-03/18
언어
크기
6,6 MB
Sicherheitsschalter mit Kunststoffgehäuse
문서 번호
096955
버전
11-03/18
언어
크기
6,6 MB
塑料壳体 的安全开关
문서 번호
116243
버전
11-03/18
언어
크기
6,1 MB
Bezpečnostní spínače s plastovým pouzdrem
문서 번호
121649
버전
11-03/18
언어
크기
6,5 MB
CAD/eCAD
주문 데이터
| 주문 번호 | 074080 |
| 품목 명칭 | BETAETIGER-M-WT |
| 총중량 | 0,022kg |
| 세관품목분류번호 | 85389099990 |
| ECLASS | 27-27-26-06 Actuator for safety-related position switch |

