SR6WFPG11R (주문 번호 024999)
콘텐츠 선택
플러그 커넥터 SR6
- 소켓 크림프 접점
- 6-핀+PE
- 접점 캐리어를 7개의 출구 방향에서 조절할 수 있습니다

설명
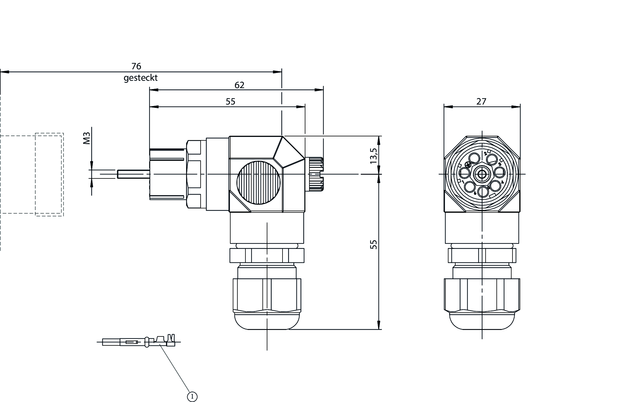
치수 도면

| 1 | 소켓 접점 7개가 플랫 백에 포장되어 있습니다. 크림프 연결부가 있는 플러그(Ø 1.6mm )용(연결부 단면적 0.5 - 1.5mm²) |
연결 예시

| 1 | 플러그 측면 보기 |
기술 자료
전기 연결 값
| 연결 단면도 | 0.5 ... 1.5 mm² |
| 정격 전압 | |
| AC/DC | 250 V |
| 정격 전류 I | 10000 mA |
기계적 가치 및 환경
| 연결 유형 | 크림프 연결부 |
| 연결 유형 | 암플러그 |
| 플러그 커넥터 명칭 | SR6 |
| 보관 온도 | -40 ... 90 °C |
| 케이블 출구 | 각형 |
| 케이블 직경 | 7 ... 9 mm |
| 핀의 수량 | 7 (6+PE) |
| 보호 등급 | IP65 |
| 플러그 로크 | 중앙 M3 스크루 |
| 주변 온도 | -40 ... 90 °C |
| 재질 | |
| 플러그 하우징 | PET (금속제 유니온 너트 장착) |
부속품
다운로드
컴플리트 패키지
단 한번 클릭하여 중요한 모든 문서 다운로드.
내용물:
- 사용 설명서와 사용 설명서에 대한 보충 사항 또는 요약 설명서
- 사용 설명서를 보완하는 데이터 시트
- 적합성 선언
컴플리트 패키지 다운로드 (ZIP, 1,0 MB)
단일 문서
지침
Safety information
문서 번호
버전
언어
크기
Safety information
Information de sécurité
Información de seguridad
Sicherheitsinformation
Informação de segurança
Informazioni sulla sicurezza
Bezpečnostní informace
Biztonsági információ
Информация за безопасност
Sikkerhedsinformation
Ohutusalane teave
Turvallisuustiedot
Πληροφορία ασφαλείας
Sigurnosne informacije
Informācija par drošību
Saugos informacija
Veiligheidsinformatie
Sikkerhetsinformasjon
Informacje o bezpieczeństwie
Säkerhetsinformation
Varnostne informacije
Bezpečnostné informácie
Güvenlik bilgisi
Informații privind siguranța
Information de sécurité
Información de seguridad
Sicherheitsinformation
Informação de segurança
Informazioni sulla sicurezza
Bezpečnostní informace
Biztonsági információ
Информация за безопасност
Sikkerhedsinformation
Ohutusalane teave
Turvallisuustiedot
Πληροφορία ασφαλείας
Sigurnosne informacije
Informācija par drošību
Saugos informacija
Veiligheidsinformatie
Sikkerhetsinformasjon
Informacje o bezpieczeństwie
Säkerhetsinformation
Varnostne informacije
Bezpečnostné informácie
Güvenlik bilgisi
Informații privind siguranța
문서 번호
MAN20001593
버전
01-10/22
언어
크기
0,6 MB
Sicherheitsinformation
문서 번호
MAN20001593
버전
01-10/22
언어
크기
0,2 MB
기타 다른 문서
승인 및 인증서
WEEE
문서 번호
버전
언어
크기
WEEE
문서 번호
ECO20001806
버전
언어
크기
0,1 MB
영업 문서
Safety Switches with Metal Housing
문서 번호
버전
언어
크기
Safety Switches with Metal Housing
문서 번호
100369
버전
11-03/18
언어
크기
7,8 MB
Interrupteurs de sécurité avec boîtier métallique
문서 번호
100676
버전
11-03/18
언어
크기
7,9 MB
Interruptores de seguridad con carcasa metálica
문서 번호
104856
버전
11-03/18
언어
크기
14,0 MB
Sicherheitsschalter mit Metallgehäuse
문서 번호
100319
버전
11-03/18
언어
크기
7,9 MB
金属壳体 的安全开关
문서 번호
102453
버전
11-03/18
언어
크기
8,2 MB
Bezpečnostní spínače s kovovým pouzdrem
문서 번호
121650
버전
11-03/18
언어
크기
7,8 MB
Safety Switches with Plastic Housing
문서 번호
버전
언어
크기
Safety Switches with Plastic Housing
문서 번호
096956
버전
11-03/18
언어
크기
6,5 MB
Interrupteurs de sécurité avec boîtier plastique
문서 번호
100677
버전
11-03/18
언어
크기
6,6 MB
Interruptores de seguridad con carcasa plástica
문서 번호
104855
버전
11-03/18
언어
크기
6,6 MB
Sicherheitsschalter mit Kunststoffgehäuse
문서 번호
096955
버전
11-03/18
언어
크기
6,6 MB
塑料壳体 的安全开关
문서 번호
116243
버전
11-03/18
언어
크기
6,1 MB
Bezpečnostní spínače s plastovým pouzdrem
문서 번호
121649
버전
11-03/18
언어
크기
6,5 MB
CAD/eCAD
주문 데이터
| 주문 번호 | 024999 |
| 품목 명칭 | SR6WFPG11R |
| 총중량 | 0,051kg |
| 세관품목분류번호 | 85389099990 |



