CTM-I2-AS2B-U-AZ-SJ-171319 (주문 번호 171319)
가드 잠금 기능이 있는 안전 스위치 CTM-AS ASi, RFID, M12 플러그 커넥터
- AS-Interface
- 개방회로 전류 원리
- 프로세스 보호를 위한 가드 잠금
- 유니코드
- 플러그 커넥터 M12, 4-핀
- 구동력/추출력/유지력: 35/30/15 N
- 보조 릴리스

설명
가드 잠금 원리
개방회로 전류(전원을 켜서 잠금): 개방회로 전류 원리를 기반으로 한 가드 잠금 기능이 있는 가드의 경우, 가드 잠금 솔레노이드로의 전원 공급이 중단될 때까지 가드가 잠깁니다. 잠금은 스프링 힘에 의해 해제됩니다. 전기적 가드 잠금이라는 용어도 사용됩니다.
프로세스의 보호용 가드 잠금 기능.
이 안전 스위치는 프로세스 보호를 위한 가드 잠금 기능이 있는 연동 장치에 대한 요구 사항을 충족시킵니다. 이 스위치에는 안전 가드 로크 모니터링 기능이 없습니다.
스위칭 기능
도어가 닫히면 안전 출력이 켜집니다.
유니코드 평가
각 액추에이터는 높은 수준으로 코딩되어 있습니다(유니코드). 스위치는 길들이기가 완료된 액추에이터만 감지합니다. 추가 액추에이터를 길들일 수 있습니다.
액추에이터의 마지막 Teach-In만 감지됩니다.
보조 릴리스
전면의 보조 릴리스를 통해 정전 등의 고장이 발생했을 때 기계에 접근할 수 있습니다.
가드 잠금 솔레노이드의 제어
가드 잠금 솔레노이드는 AS 인터페이스 버스 비트 D0을 통해 제어됩니다. 가드 잠금을 안전하게 제어하려면 보조 전압도 안전하게 스위칭되어야 합니다.
보조 전압
가드 잠금 솔레노이드에 전원을 공급하려면 ASi 보조 전압이 필요합니다.
AS 인터페이스 입력부
D0, D1, D2, D3 | 가드 위치의 모니터링 |
AS-Interface 출력부
D0 | 가드 잠금의 제어 |
LED 인디케이터
ASI LED는 ASi 버스의 상태를 나타냅니다.
잠금 LED는 가드 잠금 상태를 나타냅니다.
상태/다이아 LED는 스위치의 상태와 가능한 오류를 나타냅니다.
액세서리 필요
액추에이터가 포함되지 않았습니다.



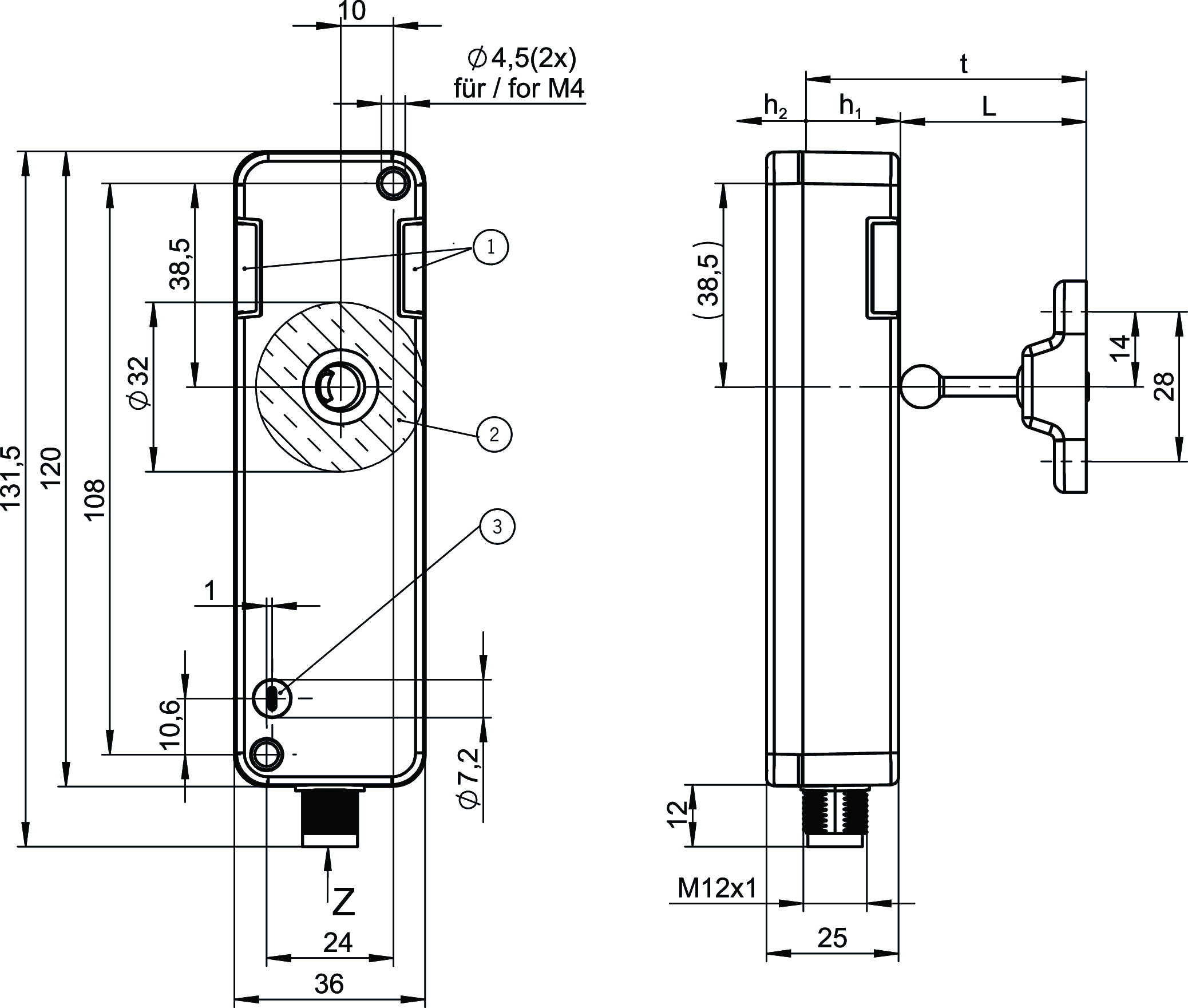
치수 도면

| 1 | LED |
| 2 | 읽기 헤드의 액티브 페이스 |
| 3 | 보조 릴리스 |
연결 예시

| 플러그 측면 보기 |
연결 예시

기술 자료
승인

작업 공간
| 반복 정밀성 R | 10 % |
전기 연결 값
| ASI 작동 전류 | max. 50 mA |
| 보조 전압 AS 인터페이스 | 20.4 ... 24 ... 26.4 V |
| 보조 전류 AS 인터페이스 | 650 mA |
| AS-인터페이스 프로토콜 | ASi-3 |
| ASI 데이터 출력 | D0 = 가드 잠금의 제어 |
| ASI 데이터의 | D0, D1 = 도어 위치, D2, D3 = 가드 잠금 |
| AS- 인터페이스 슬레이브 유형 | ID-Code: B, EA-Code: 7 |
| ASI 전압 | 26.5 ... 30 ... 31.6 V |
| EMC 방호 요건 | EN IEC 60947-5-3에 의거 |
| 솔레노이드 듀티 사이클 | 100 % |
| 스위칭 부하 | DC 24V, UL 2등급 (또는 사용 설명서 참조) |
| 안전 등급 | III |
| 오염 등급(외부, EN 60947-1에 의거) | 3 |
기계적 가치 및 환경
| Anfahrgeschwindigkeit | max. 20 m/min |
| 연결 유형 | 플러그 커넥터 M12, 4-핀 |
| 인출력 | 30 N |
| 대기 지연 | 3 s |
| 구동력 | 35 N |
| 설치 방향 | 임의 |
| 스위칭 주파수 | max. 0.25 Hz |
| 보관 온도 | -25 ... 70 °C |
| 기계적 수명 | 1 x 10⁶ |
| 오버트래블 | 2 mm |
| 내충격성 및 내진동성 | EN IEC 60947-5-3에 의거 |
| 보호 등급 | IP65/IP67 (삽입되고 단단히 돌려 죈 상태에서) |
| 주변 온도 | |
| UB = 24V DC에서 | -20 ... 60 °C |
| 재질 | |
| 안전 스위치 하우징 | 강화 열가소성 플라스틱 |
| 씰 | 불소 고무(FKM) |
| 잠금력 Fmax | 1300 N |
| 잠금력 FZh | 1000 N |
| 가드 잠금 원리 | 개방회로 전류 원리 |
EN ISO 13849-1 및 EN IEC 62061에 따른 특성 값
| PL | 최대 SIL | PFHD | 범주 | 임무 시간 | |
|---|---|---|---|---|---|
| 가드 위치의 모니터링 | PL e | 3 | 4.83x10-9 | 4 | 20 y |
기타
| UL 승인에 대한 참고 사항 | UL 2등급 전원장치 또는 그에 상응하는 조치를 통해서만 작동; 사용 설명서 참조 |
부속품
다운로드
컴플리트 패키지
단 한번 클릭하여 중요한 모든 문서 다운로드.
내용물:
- 사용 설명서와 사용 설명서에 대한 보충 사항 또는 요약 설명서
- 사용 설명서를 보완하는 데이터 시트
- 적합성 선언
단일 문서
기타 다른 문서
주문 데이터
| 주문 번호 | 171319 |
| 품목 명칭 | CTM-I2-AS2B-U-AZ-SJ-171319 |
| 총중량 | 0,26kg |
| 세관품목분류번호 | 85365019 |
| ECLASS | 27-27-24-05 Safety-related transponder switch with guardlocking |



