TZ1LE024SEM4AS1-C1937 (주문 번호 090278)
안전 스위치 TZ ASi, 플러그 커넥터 M12, 비상 릴리스
- AS-Interface
- 플러그 커넥터 M12, 4-핀
- 회전 노브가 장착된 비상 릴리스
- LED 인디케이터
- 좌측에 장착된 구동 헤드
- 폐쇄회로 전류 원리

설명
가드 잠금 원리
잠금을 해제하는 전원: 폐쇄회로 전류 원리를 기반으로 한 가드 잠금 기능이 있는 가드의 경우, 가드는 가드 잠금 솔레노이드로 전원이 공급될 때까지 스프링 힘에 의해 잠깁니다. 잠금은 솔레노이드 힘에 의해 해제됩니다. 기계적 가드 잠금이라는 용어도 사용됩니다.
가드 잠금 솔레노이드의 제어
가드 잠금 솔레노이드는 AS 인터페이스 버스 비트 D0을 통해 제어됩니다. 가드 잠금을 안전하게 제어하려면 보조 전압도 안전하게 스위칭되어야 합니다.
보조 전압
가드 잠금 솔레노이드에 전원을 공급하려면 ASi 보조 전압이 필요합니다.
AS 인터페이스 입력부
D0, D1 | 가드 위치의 모니터링 |
D2, D3 | 가드 잠금장치의 모니터링 |
AS-Interface 출력부
D0 | 가드 잠금의 제어 |
D1 | LED 적색 |
D2 | LED 녹색 |
LED 인디케이터
전원 LED는 버스에서의 작동 전압을 가리킵니다.
고장 LED는 AS 인터페이스 버스에서 고장이 감지되었는지를 가리킵니다.
필요하면 비트 D1 및 D2를 통해 제어 시스템에 의해 녹색 및 적색 LED를 제어할 수 있습니다.
비상 릴리스
전면에 위치한 비상 릴리스는 비상 시 공구를 사용하지 않고 가드 잠금을 수동으로 해제하는 데 사용됩니다. 비상 잠금해제 매커니즘을 수동으로 잠긴 상태로 복귀해야 합니다. 조작으로부터 보호하기 위해 실링을 장착할 수 있습니다.
액세서리 필요
액추에이터가 포함되지 않았습니다.
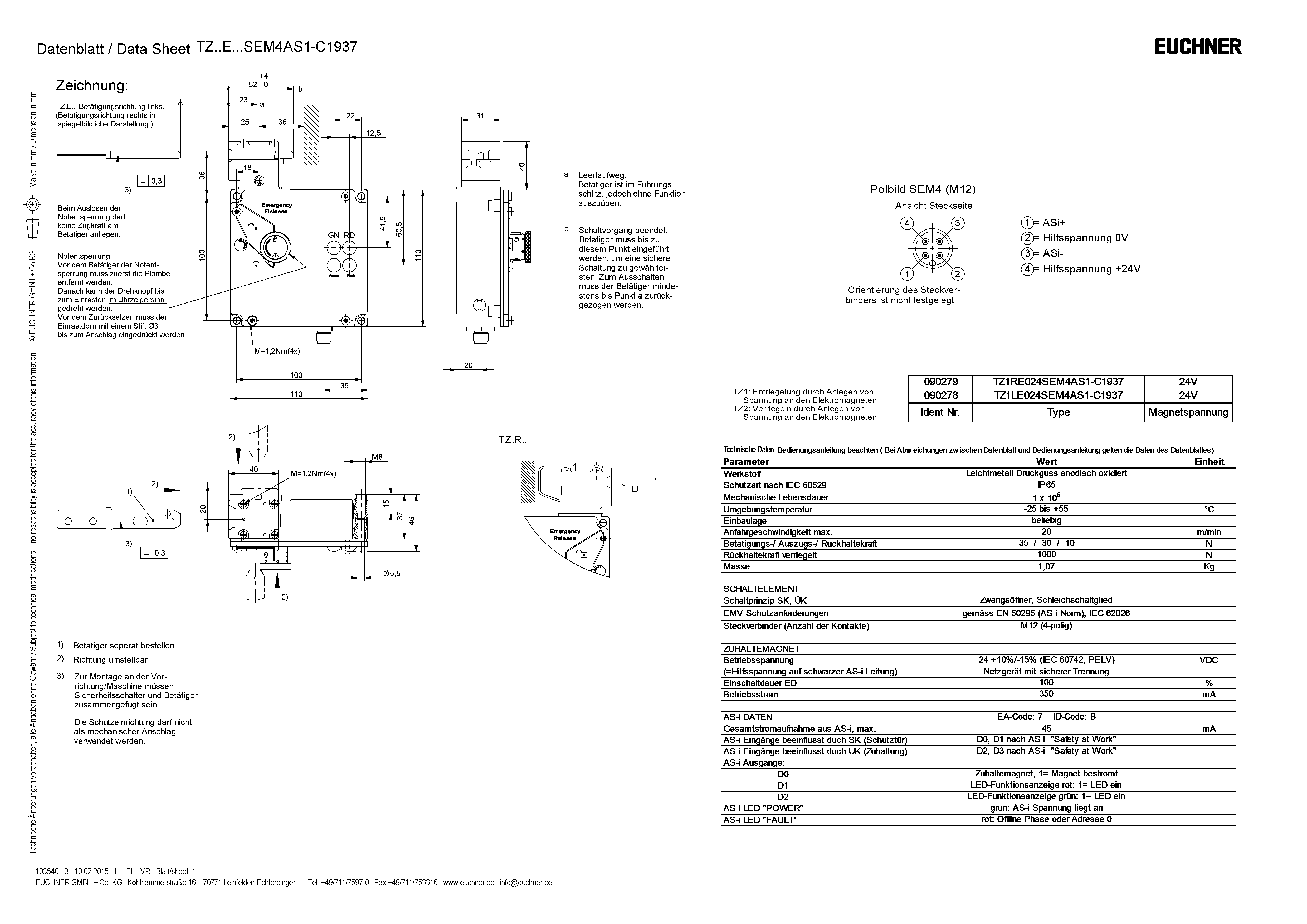
치수 도면

| 1 | 비상 잠금해제장치(회전식 노브) |
| 2 | 플러그 커넥터 정렬되지 않음 |
연결 예시

| 플러그 측면 보기 |
기술 자료
승인




전기 연결 값
| ASI 작동 전류 | max. 45 mA |
| 보조 전압 AS 인터페이스 | 20.4 ... 24 ... 26.4 V |
| 보조 전류 AS 인터페이스 | 350 mA |
| AS 인터페이스 LED | |
| 빨간색 | 결함 |
| 녹색 | 전원 |
| AS-인터페이스 프로토콜 | ASi-3 |
| ASI 데이터 출력 | D0 = 가드 잠금의 제어, D1 = 적색 LED, D2 = 녹색 LED |
| ASI 데이터의 | D0, D1 = 도어 위치, D2, D3 = 가드 잠금 |
| AS- 인터페이스 슬레이브 유형 | ID-Code: B, EA-Code: 7 |
| ASI 전압 | 22.5 ... 30 ... 31.6 V |
| 솔레노이드 듀티 사이클 | 100 % |
기계적 가치 및 환경
| Anfahrgeschwindigkeit | max. 20 m/min |
| 접근 방향 | |
| 좌측 구동 헤드 | C |
| 연결 유형 | |
| 1번 | 플러그 커넥터 M12 (4-핀) |
| 도어 위치 순방향 구동 접점의 수량 | |
| AS-i Safety at Work에 의거 | |
| 가드 로크 모니터링 순방향 구동 접점의 수량 | |
| AS-i Safety at Work에 의거 | D2, D3 (1 = 잠김) |
| 인출력 | 30 N |
| 구동 주파수 | max. 1200 1/h |
| 구동력 | 35 N |
| 설치 방향 | 임의 |
| 삽입 깊이 | 52 mm |
| 보관 온도 | -25 ... 70 °C |
| 기계적 수명 | 1 x 10⁶ |
| 유지력 | 10 N |
| 전환 원리 | 느린 동작 스위칭 접점 |
| 보호 등급 | IP67 |
| 주변 온도 | -25 ... 55 °C |
| 재질 | |
| 접점 | 은합금, 금 도금 |
| 하우징 | 양극산화로 처리된 다이캐스트 합금 |
| 가드 잠금 원리 | 폐쇄회로 전류 원리 |
EN ISO 13849-1 및 EN IEC 62061에 따른 특성 값
| B10D | 임무 시간 | |
|---|---|---|
| 가드 잠금장치의 모니터링 | 3x106 | 20 y |
| 중요! DC-13 100 mA/24V에서 유효한 값 | ||
| PL | 최대 SIL | 범주 | 임무 시간 | |
|---|---|---|---|---|
| 가드 잠금의 제어 | 가드 잠금의 외부 제어에 따라 다름 | 20 y | ||
기타
| C 번호 | |
| C1937 | 보조 릴리스 장착, 특수 배선 |
액추에이터 ACTUATOR-Z-GN과 결합하여
| 오버트래블 | 16 mm |
액추에이터 ACTUATOR-Z-G와 결합하여
| 오버트래블 | 4 mm |
부속품
다운로드
컴플리트 패키지
단 한번 클릭하여 중요한 모든 문서 다운로드.
내용물:
- 사용 설명서와 사용 설명서에 대한 보충 사항 또는 요약 설명서
- 사용 설명서를 보완하는 데이터 시트
- 적합성 선언
단일 문서
기타 다른 문서
ePlan 매크로
CAD/eCAD
주문 데이터
| 주문 번호 | 090278 |
| 품목 명칭 | TZ1LE024SEM4AS1-C1937 |
| 총중량 | 1,21kg |
| 세관품목분류번호 | 85365019000 |
| ECLASS | 27-27-26-03 Safety switch with guard control |
























