CTP-L1-AP-U-HA-AZ-SA-EX-136675 (주문 번호 136675)
콘텐츠 선택
가드 잠금 기능이 있는 안전 스위치 CTP-AP ATEX, RFID, M12 플러그 커넥터
- ATEX 버전
- 폐쇄회로 전류 원리
- 유니코드
- 신호 출력 도어 위치 OD
- 가드 잠금 모니터링 출력부 OL
- 플러그 커넥터 M12, 8-핀

설명
ATEX 버전
구역 2 및 22(가스 및 먼지)에서 사용하기에 적합합니다.
적용 분야:
II 3 G
II 3 D
가드 잠금 원리
잠금을 해제하는 전원: 폐쇄회로 전류 원리를 기반으로 한 가드 잠금 기능이 있는 가드의 경우, 가드는 가드 잠금 솔레노이드로 전원이 공급될 때까지 스프링 힘에 의해 잠깁니다. 잠금은 솔레노이드 힘에 의해 해제됩니다. 기계적 가드 잠금이라는 용어도 사용됩니다.
유니코드 평가
각 액추에이터는 높은 수준으로 코딩되어 있습니다(유니코드). 스위치는 길들이기가 완료된 액추에이터만 감지합니다. 추가 액추에이터를 길들일 수 있습니다.
액추에이터의 마지막 Teach-In만 감지됩니다.
단자 할당
액세서리 필요
액추에이터가 포함되지 않았습니다.
안전 스위치는 이 용도로 제공되는 액추에이터와 함께 사용해야만 작동할 수 있습니다.
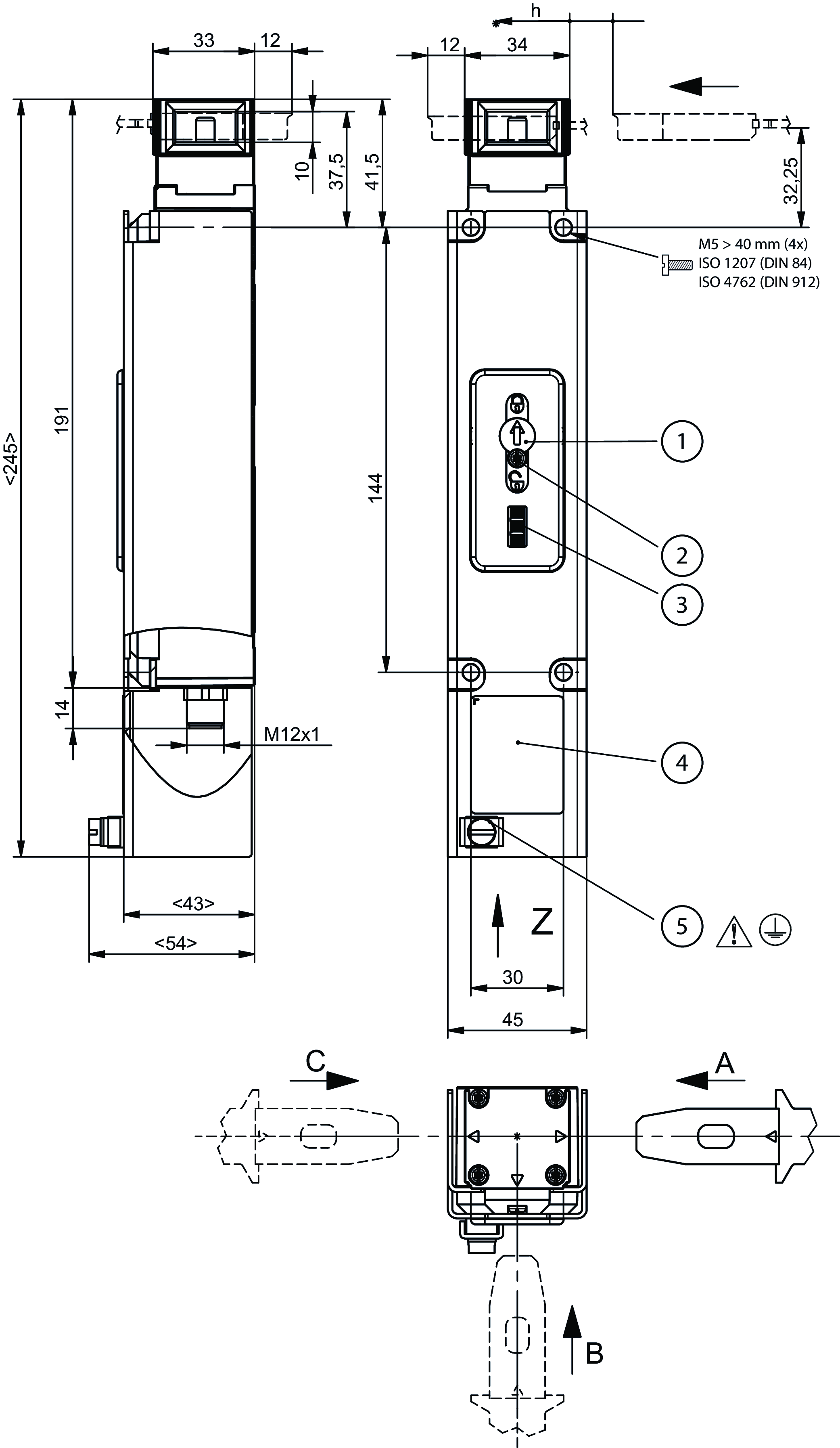
치수 도면

| 1 | 보조 릴리스 |
| 2 | 잠금 스크루 |
| 3 | LED |
| 4 | 보호판 |
| 5 | 단자 접지 - 정전기 하전을 방지하기 위해 케이블을 통한 접지 스위치. 케이블 단면적 4...6mm² |
연결 예시

기술 자료
승인


작업 공간
| 반복 정밀성 R | 10 % |
전기 연결 값
| 헤징 | |
| 외부(솔레노이드 작동 전압 IMP) | 0.5 ... 8 A |
| 외부(작동 전압 UB) | 0.25 ... 8 A |
| 전력 소비량 | 6 W |
| 정격 절연 전압 Ui | 50 V |
| 정격 임펄스 전압 Uimp | 0.5 kV |
| 작동 전압 DC | |
| UUB | 24 V DC -15% ... +15% 역극 방지, 조절형, 잔류 리플<5%, PELV |
| EMC 방호 요건 | EN IEC 60947-5-3에 의거 |
| 활용 범주 | |
| DC-13 | 24V 150mA (주의: 유도 부하의 경우 환류 다이오드를 사용하여 출력부를 보호해야 합니다.) |
| 솔레노이드 작동 전압 DC | |
| UIMP | 24 V DC -15% ... +10% 역극 방지, 조절형, 잔류 리플<5%, PELV |
| 솔레노이드 듀티 사이클 | 100 % |
| 스위칭 부하 | |
| UL에 의거 | 24V DC, 2등급 (또는 사용 설명서 참조) |
| 안전 등급 | III |
| 전류 소비 | |
| IUB | 40 mA |
| IIMP | 400 mA |
| 테스트 펄스 지속 시간 | max. 0.3 ms (부하에 C<= 30 nF 및 R<= 20 kohm을 적용합니다) |
| 테스트 펄스 간격 | min. 100 ms |
| 오염 등급(외부, EN 60947-1에 의거) | 3 |
| 모니터링 출력부 OD, OL | |
| 출력 타입 | p-스위칭, 내단락성 |
| 출력 전압 | 0.8xUB ... UB V DC |
| 스위칭 전류 | 1 ... 50 mA |
| 안전 출력부 FO1A/FO1B | |
| 출력 타입 | 반도체 출력부 2개, p-스위칭, 내단락성 |
| 출력 전압 | |
| HIGH U(FO1A) / U(FO1B) | UB-1.5 ... UB V DC |
| LOW U(FO1A) / U(FO1B) | 0 ... 1 V DC |
| 불일치 시간 | |
| 두 안전 출력부 | max. 10 ms EN IEC 60947-5-3에 의거 |
| 켜짐 시간 | max. 400 ms |
| 오프 상태 전류 Ir | max. 0.25 mA |
| 스위칭 전류 | |
| 안전 출력부 FO1A / FO1B에 의해 | 1 ... 150 mA |
기계적 가치 및 환경
| Anfahrgeschwindigkeit | max. 20 m/min |
| 연결 유형 | 플러그 커넥터 M12 1개, 8-핀 |
| 인출력 | 20 N |
| 대기 지연 | max. 1 s |
| 구동력 | 10 N |
| 설치 방향 | 임의 |
| 스위칭 주파수 | max. 0.5 Hz |
| 보관 온도 | -25 ... 70 °C |
| 기계적 수명 | 1 x 10⁶ |
| 오버트래블 | 5 mm |
| 유지력 | 20 N |
| 내충격성 및 내진동성 | EN IEC 60947-5-3에 의거 |
| 보호 등급 | IP65/IP66 (삽입되고 단단히 돌려 죈 상태에서) |
| 주변 온도 | |
| UB = 24V DC에서 | -20 ... 55 °C |
| 재질 | |
| 스위치 헤드 커버 | 다이캐스트 아연 |
| 안전 스위치 하우징 | 강화 열가소성 플라스틱 |
| 잠금력 Fmax | 3900 N |
| 잠금력 FZh | 3000 N (Fzh = Fmax/1.3, 사용된 액추에이터에 따라 다름) |
| 가드 잠금 원리 | 폐쇄회로 전류 원리 |
EN ISO 13849-1 및 EN IEC 62061에 따른 특성 값
| PL | 최대 SIL | PFHD | 범주 | 임무 시간 | |
|---|---|---|---|---|---|
| 가드 잠금장치의 모니터링 | PL e | - | 4.1x10-9 | 4 | 20 y |
| PL | 최대 SIL | 범주 | 임무 시간 | |
|---|---|---|---|---|
| 가드 잠금의 제어 | 가드 잠금의 외부 제어에 따라 다름 | 20 y | ||
기타
| ATEX 지침 2014/34/EU에 따른 폭발 방지 | II 3 G Ex ec IIC T4 Gc X / II 3 D Ex tc IIIC T110°C Dc X |
| UL 승인에 대한 참고 사항 | UL 2등급 전원장치 또는 그에 상응하는 조치를 통해서만 작동; 사용 설명서 참조 |
다운로드
컴플리트 패키지
단 한번 클릭하여 중요한 모든 문서 다운로드.
내용물:
- 사용 설명서와 사용 설명서에 대한 보충 사항 또는 요약 설명서
- 사용 설명서를 보완하는 데이터 시트
- 적합성 선언
컴플리트 패키지 다운로드 (ZIP, 5,5 MB)
단일 문서
지침
Operating Instructions Transponder-Coded Safety Switch With Guard Locking CTP-AP-...-EX Unicode/Multicode
문서 번호
버전
언어
크기
Operating Instructions Transponder-Coded Safety Switch With Guard Locking CTP-AP-...-EX Unicode/Multicode
문서 번호
2127610
버전
05-08/20
언어
크기
2,0 MB
Mode d'emploi Interrupteur de sécurité à codage par transpondeur avec interverrouillage CTP-AP-...-EX uni-/multicode
문서 번호
2127610
버전
05-08/20
언어
크기
2,0 MB
Manual de instrucciones Interruptor de seguridad con codificación por transponder con bloqueo CTP-AP-...-EX Unicode/Multicode
문서 번호
2127610
버전
05-08/20
언어
크기
2,0 MB
Betriebsanleitung Transpondercodierter Sicherheitsschalter mit Zuhaltung CTP-AP-...-EX Uni-/Multicode
문서 번호
2127610
버전
05-08/20
언어
크기
2,0 MB
Istruzioni di impiego Finecorsa di sicurezza con codifica a transponder con meccanismo di ritenuta CTP-AP-...-EX Uni-/Multicode
문서 번호
2127610
버전
05-08/20
언어
크기
2,0 MB
기타 다른 문서
승인 및 인증서
FCC
문서 번호
버전
언어
크기
FCC
문서 번호
버전
언어
크기
0,1 MB
WEEE
문서 번호
버전
언어
크기
WEEE
문서 번호
ECO20001806
버전
언어
크기
0,1 MB
c UL us
문서 번호
버전
언어
크기
c UL us
문서 번호
버전
언어
크기
0,3 MB
ePlan 매크로
EUC.136675
문서 번호
버전
언어
크기
EUC.136675
문서 번호
버전
언어
크기
0,1 MB
CAD/eCAD
주문 데이터
| 주문 번호 | 136675 |
| 품목 명칭 | CTP-L1-AP-U-HA-AZ-SA-EX-136675 |
| 총중량 | 0,99kg |
| 세관품목분류번호 | 85365019000 |
| ECLASS | 27-27-24-05 Safety-related transponder switch with guardlocking |










