HKD025S100G12 (주문 번호 091525)
콘텐츠 선택
핸들 HKD
- 회전당 100개의 디텐트
- 무마모 자석식 디텐트 위치
- 회전당 25회의 펄스
- 조작자 패널 및 EUCHNER의 휴대용 펜던트 스테이션 시리즈 HBL에 설치

설명
기능 도면

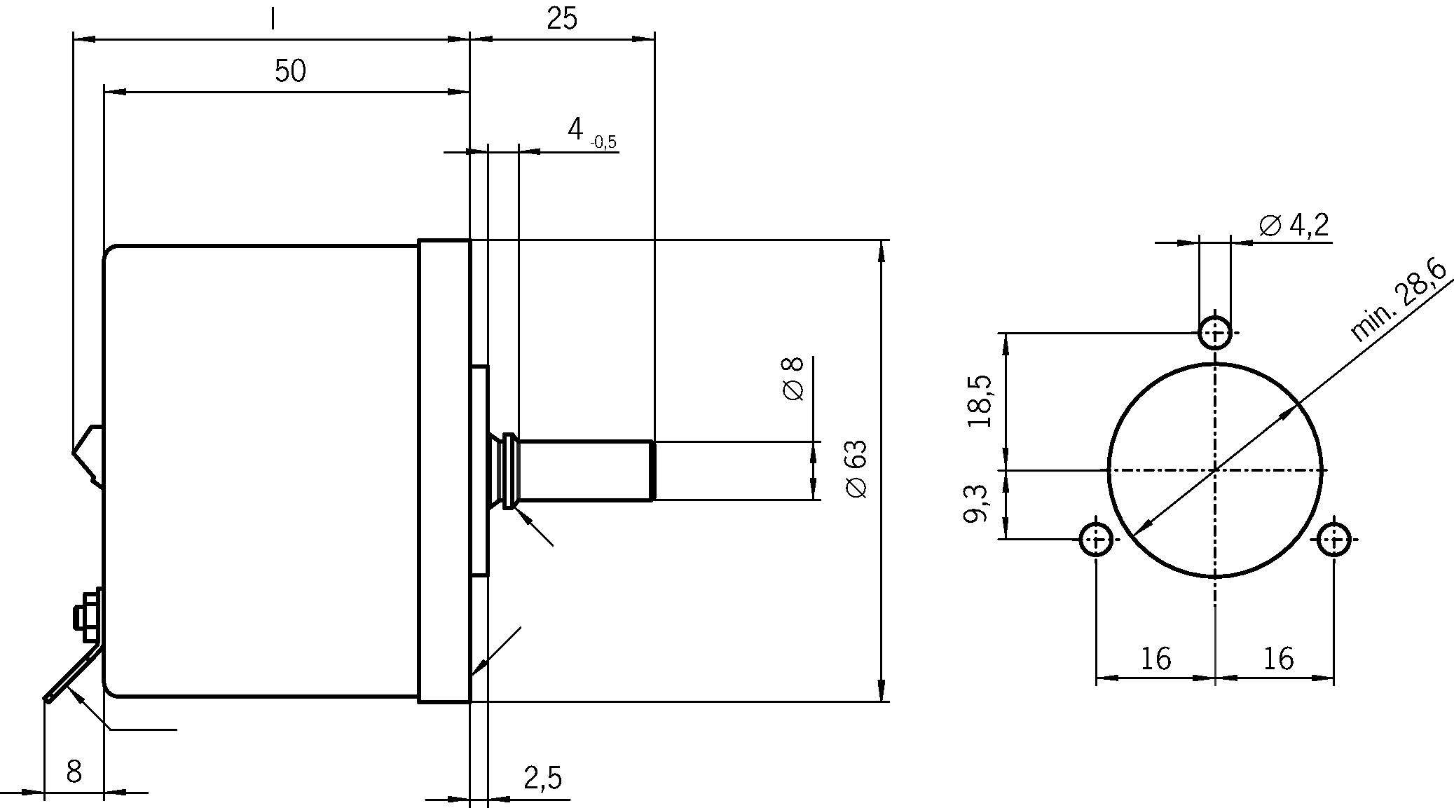
치수 도면

연결 예시

기술 자료
승인

전기 연결 값
| 연결 단면도 | 0.08 ... 2.5 mm² |
| 연결 단면적 AWG | 28 ... 12 AWG |
| 출력 타입 | 푸시-풀 |
| 출력 전압 | |
| HIGH(1) | min. 4.9 V DC 0mA에서 |
| HIGH(1) | min. 3.9 V DC 5mA에서 |
| LOW(0) | max. 1.3 V DC 15mA에서 |
| HIGH(1) | min. 3.6 V DC 20mA에서 |
| 작동 전압 DC | 10 ... 30 V DC |
| EMC 방호 요건 | |
| CE에 의거 | EN 61000-6-2, EN 61000-6-4 |
| 회전당 펄스 | 2x25 |
| 전류 소비 | |
| 무부하 | max. 80 mA |
기계적 가치 및 환경
| 연결 유형 | 스크루 단자, 6-핀 |
| 조임 토크 | max. 0.5 Nm |
| 보관 온도 | -25 ... 70 °C |
| 대기 습도 | |
| (응결 허용되지 않음) | 80 % rH |
| 회전당 디텐트 위치 | 100 |
| 내충격성 및 내진동성 | EN 60068-2-27/-2-6에 의거 |
| 보호 등급 | |
| NEMA에 의거 | 250-12 (설치된 상태에서) |
| IP65 (설치된 상태에서) | |
| 주변 온도 | 0 ... 70 °C |
| 재질 | 알루미늄 |
기타
| 디텐트 매카니즘 | 자석식 |
다운로드
컴플리트 패키지
단 한번 클릭하여 중요한 모든 문서 다운로드.
내용물:
- 사용 설명서와 사용 설명서에 대한 보충 사항 또는 요약 설명서
- 사용 설명서를 보완하는 데이터 시트
- 적합성 선언
컴플리트 패키지 다운로드 (ZIP, 1,3 MB)
단일 문서
기타 다른 문서
승인 및 인증서
WEEE
문서 번호
버전
언어
크기
WEEE
문서 번호
ECO20001806
버전
언어
크기
0,1 MB
CAD/eCAD
주문 데이터
| 주문 번호 | 091525 |
| 품목 명칭 | HKD025S100G12 |
| 총중량 | 0,404kg |
| 세관품목분류번호 | 85365019000 |
| ECLASS | 27-24-23-07 Command-, control-, signal appliance |










