SGP-TW-1E-2131AC-M-S1 (주문 번호 099900)
콘텐츠 선택
안전 스위치 SGP-TW, 케이블 인입구 M20 x 1.5
- TWIN 기능(두 개의 구동 헤드)
- 케이블 인입구 3개, M20 x 1.5
- 순방향 구동 접점 3개
- NO 접점 1개
- 스위치 헤드에 위치한 보조 로크

설명
스위칭 부재
2131 | 느린 동작 스위칭 접점 순방향 구동 접점 3개 |
TWIN 버전
스위치에는 두 개의 구동 헤드가 있습니다. 이 헤드는 두 개의 이동식 가드가 동시에 고정되도록 합니다.
액세서리 필요
액추에이터가 포함되지 않았습니다.
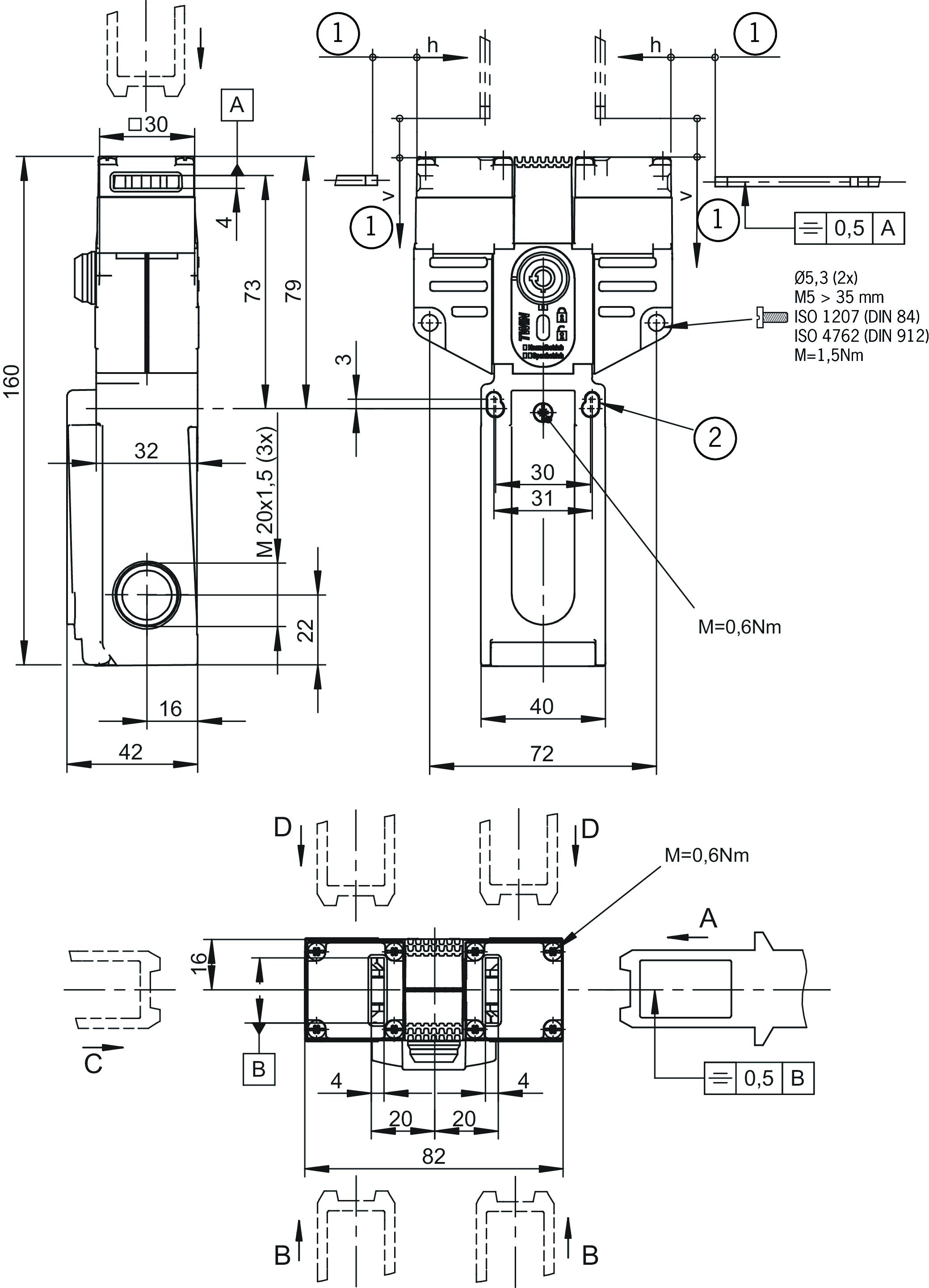
치수 도면

| 1 | 삽입 깊이 |
| 2 | 여기서는 나사를 단단히 죄지 마십시오(2개) |
연결 예시

기술 자료
승인

전기 연결 값
| 헤징 | max. 4 A gG |
| 연결 단면도 | 0.34 ... 1.5 mm² |
| 정격 절연 전압 Ui | 250 V |
| 정격 임펄스 전압 Uimp | 2.5 kV |
| 활용 범주 | |
| DC-13 | 4A 24V |
| AC-15 | 4A 230V |
| 스위칭 전압 | |
| 최소 10mA에서 | 12 V |
| 스위칭 전류 | |
| 최소 24V에서 | 1 mA |
| 정격 열전류 Ith | 4 A |
기계적 가치 및 환경
| Anfahrgeschwindigkeit | max. 20 m/min |
| 접근 방향 | A와 C (두 개의 구동 헤드) |
| 연결 유형 | |
| 3번 | M20 x 1.5 |
| 도어 위치 NO 접점의 수량 | 1 |
| 도어 위치 순방향 구동 접점의 수량 | 3 |
| 인출력 | 25 N |
| 구동 주파수 | max. 6700 1/h |
| 구동력 | 25 N |
| 설치 방향 | 임의 |
| 삽입 깊이 | 24.5 mm |
| 보관 온도 | -25 ... 80 °C |
| 기계적 수명 | 1 x 10⁶ |
| 유지력 | 10 N |
| 전환 원리 | 느린 동작 스위칭 접점 |
| 보호 등급 | IP67 |
| 주변 온도 | -20 ... 80 °C |
| 재질 | |
| 하우징 | 강화 열가소성 플라스틱 |
| 접점 | 은합금, 금 도금 |
EN ISO 13849-1 및 EN IEC 62061에 따른 특성 값
| B10D | 임무 시간 | |
|---|---|---|
| 가드 위치의 모니터링 | 2x106 | 20 y |
| 중요! DC-13 100 mA/24V에서 유효한 값 | ||
기타
| 추가 기능 | 잠금 기능 탑재(동일) |
액추에이터 ACTUATOR-S-GT-SN과 결합하여
| 오버트래블 | 5 mm |
부속품
다운로드
컴플리트 패키지
단 한번 클릭하여 중요한 모든 문서 다운로드.
내용물:
- 사용 설명서와 사용 설명서에 대한 보충 사항 또는 요약 설명서
- 사용 설명서를 보완하는 데이터 시트
- 적합성 선언
컴플리트 패키지 다운로드 (ZIP, 4,6 MB)
단일 문서
지침
Operating Instructions Safety Switch SGP-TW… (Twin)
문서 번호
버전
언어
크기
Operating Instructions Safety Switch SGP-TW… (Twin)
문서 번호
2100872
버전
06/25
언어
크기
1,2 MB
Mode d’emploi Interrupteur de sécurité SGP-TW… (Twin)
문서 번호
2100872
버전
06/25
언어
크기
1,2 MB
Manual de instrucciones Interruptor de seguridad SGP-TW… (Twin)
문서 번호
2100872
버전
06/25
언어
크기
1,2 MB
Betriebsanleitung Sicherheitsschalter SGP-TW… (Twin)
문서 번호
2100872
버전
06/25
언어
크기
1,2 MB
Istruzioni di impiego Finecorsa di sicurezza SGP-TW… (Twin)
문서 번호
2100872
버전
06/25
언어
크기
1,2 MB
기타 다른 문서
승인 및 인증서
WEEE
문서 번호
버전
언어
크기
WEEE
문서 번호
ECO20001806
버전
언어
크기
0,1 MB
Zulassung
문서 번호
버전
언어
크기
Zulassung
문서 번호
20001753
버전
언어
크기
0,0 MB
영업 문서
Safety Switches with Plastic Housing
문서 번호
버전
언어
크기
Safety Switches with Plastic Housing
문서 번호
096956
버전
11-03/18
언어
크기
6,5 MB
Interrupteurs de sécurité avec boîtier plastique
문서 번호
100677
버전
11-03/18
언어
크기
6,6 MB
Interruptores de seguridad con carcasa plástica
문서 번호
104855
버전
11-03/18
언어
크기
6,6 MB
Sicherheitsschalter mit Kunststoffgehäuse
문서 번호
096955
버전
11-03/18
언어
크기
6,6 MB
塑料壳体 的安全开关
문서 번호
116243
버전
11-03/18
언어
크기
6,1 MB
Bezpečnostní spínače s plastovým pouzdrem
문서 번호
121649
버전
11-03/18
언어
크기
6,5 MB
CAD/eCAD
주문 데이터
| 주문 번호 | 099900 |
| 품목 명칭 | SGP-TW-1E-2131AC-M-S1 |
| 총중량 | 0,407kg |
| 세관품목분류번호 | 85365019000 |
| ECLASS | 27-27-26-02 Safety switch with separate actuator (Type 2) |
+ 1 NO 접점











