NZ1VZ-2131E-MC1233 (주문 번호 093859)
콘텐츠 선택
안전 스위치 NZ.VZ, 보호판, 케이블 인입구 M20 x 1.5
- 케이블 인입구 M20 x 1.5
- 순방향 구동 접점 3개
- NO 접점 1개
- 스위치 헤드용 보호판

설명
스위치 헤드용 보호판
스위치를 사용한 조작을 더욱 더 어렵게 합니다.
스위칭 부재
2131H | 느린 동작 스위칭 접점 순방향 구동 접점 3개 |
액세서리 필요
액추에이터가 포함되지 않았습니다.
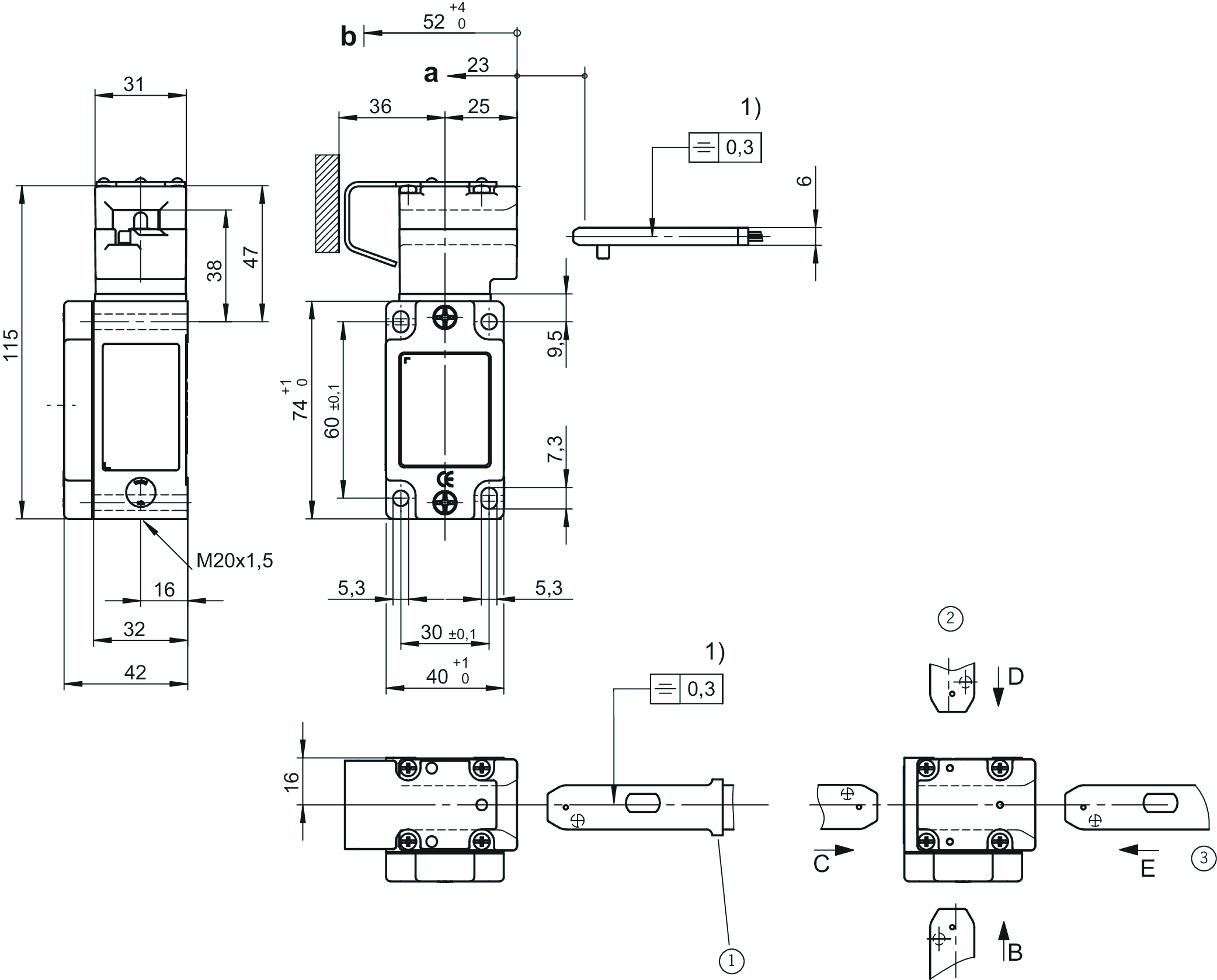
기능 도면

치수 도면

| 1) | 액추에이터를 별도 주문하십시오. 안전 스위치와 액추에이터는 장비에 부착하기 위해 함께 위치해야 합니다. 액추에이터를 엔드 스톱으로서 사용하지 마십시오. 오버 트래블을 별도로 제한하십시오. |
| 2 | 구동 방향을 변경할 수 있습니다 |
| 3 | 표준 |
| a | 작동 없는 트래블: 액추에이터가 가이드 슬롯 내에 있으나, 기능이 트리거링되지 않습니다. |
| b | 스위칭 작동 완료됨: 액추에이터가 이 지점에 삽입되어 있어야 스위칭이 안전하게 이루어집니다. 끄기 위해서는 액추에이터가 적어도 지점 a에서 물러나야 합니다. |
연결 예시

기술 자료
승인




전기 연결 값
| 헤징 | max. 4 A gG |
| 연결 단면도 | 0.34 ... 1.5 mm² |
| 정격 절연 전압 Ui | 250 V |
| 정격 임펄스 전압 Uimp | 2.5 kV |
| 활용 범주 | |
| AC-15 | 4A 230V |
| DC-13 | 4A 24V |
| 스위칭 전압 | |
| 최소 10mA에서 | 12 V |
| 스위칭 전류 | |
| 최소 24V에서 | 1 mA |
| 정격 열전류 Ith | 4 A |
기계적 가치 및 환경
| Anfahrgeschwindigkeit | max. 20 m/min |
| 접근 방향 | A |
| 연결 유형 | |
| 1번 | M20 x 1.5 |
| 도어 위치 NO 접점의 수량 | 1 |
| 도어 위치 순방향 구동 접점의 수량 | 3 |
| 인출력 | 35 N |
| 구동 주파수 | max. 1200 1/h |
| 구동력 | 35 N |
| 설치 방향 | 임의 |
| 삽입 깊이 | 52 mm |
| 보관 온도 | -25 ... 80 °C |
| 기계적 수명 | 2 x 10⁶ |
| 유지력 | 8 N |
| 전환 원리 | 느린 동작 스위칭 접점 |
| 보호 등급 | IP67 |
| 주변 온도 | -25 ... 80 °C |
| 재질 | |
| 접점 | 은합금, 금 도금 |
| 하우징 | 양극산화로 처리된 다이캐스트 합금 |
EN ISO 13849-1 및 EN IEC 62061에 따른 특성 값
| B10D | 임무 시간 | |
|---|---|---|
| 가드 위치의 모니터링 | 4.5x106 | 20 y |
| 중요! DC-13 100 mA/24V에서 유효한 값 | ||
기타
| C 번호 | |
| C1233 |
액추에이터 ACTUATOR-Z-G와 결합하여
| 오버트래블 | 4 mm |
액추에이터 ACTUATOR-Z-GN과 결합하여
| 오버트래블 | 16 mm |
부속품
금속제 볼트
볼트, 안전 스위치 NZ.VZ 및 NZ.VZ.VS용

104398
BTC-NZVZ-S-TH-00-X
BTC-NZVZ-S-TH-00-X
- 볼트, 안전 스위치 NZ.VZ 및 NZ.VZ.VS용
- 알루미늄 다이캐스팅 볼트
- 좌측 또는 우측에 경첩으로 연결된 도어용
- 약 15 mm의 도어 틈새에 적합

083890
RIEGEL NZ-AB
RIEGEL NZ-AB
- 볼트, 안전 스위치 NZ.VZ 및 NZ.VZ.VS용
- 강철제 볼트
- 우측에 경첩으로 연결된 도어용
- 닫힌 위치에 있는 볼 디텐트 매커니즘
- 약 15 mm의 도어 틈새에 적합

078455
RIEGEL NZ-AR2
RIEGEL NZ-AR2
- 볼트, 안전 스위치 NZ.VZ 및 NZ.VZ.VS용
- 강철제 볼트
- 우측에 경첩으로 연결된 도어용
- 열린 위치에 있는 디텐트 노브
- 닫힌 위치에 있는 디텐트 노브 매커니즘
- 약 15 mm의 도어 틈새에 적합

057735
RIEGEL NZ-C
RIEGEL NZ-C
- 볼트, 안전 스위치 NZ.VZ 및 NZ.VZ.VS용
- 강철제 볼트
- 좌측에 경첩으로 연결된 도어용
- 약 15 mm의 도어 틈새에 적합

083892
RIEGEL NZ-CB
RIEGEL NZ-CB
- 볼트, 안전 스위치 NZ.VZ 및 NZ.VZ.VS용
- 강철제 볼트
- 좌측에 경첩으로 연결된 도어용
- 닫힌 위치에 있는 볼 디텐트 매커니즘
- 약 15 mm의 도어 틈새에 적합

078456
RIEGEL NZ-CR2
RIEGEL NZ-CR2
- 볼트, 안전 스위치 NZ.VZ 및 NZ.VZ.VS용
- 강철제 볼트
- 좌측에 경첩으로 연결된 도어용
- 열린 위치에 있는 디텐트 노브
- 닫힌 위치에 있는 디텐트 노브 매커니즘
- 약 15 mm의 도어 틈새에 적합
액추에이터
다운로드
컴플리트 패키지
단 한번 클릭하여 중요한 모든 문서 다운로드.
내용물:
- 사용 설명서와 사용 설명서에 대한 보충 사항 또는 요약 설명서
- 사용 설명서를 보완하는 데이터 시트
- 적합성 선언
컴플리트 패키지 다운로드 (ZIP, 5,2 MB)
단일 문서
지침
Operating Instructions Safety Switch NZ.VZ
문서 번호
버전
언어
크기
Operating Instructions Safety Switch NZ.VZ
문서 번호
2094060
버전
08/25
언어
크기
0,8 MB
Mode d’emploi Interrupteur de sécurité NZ.VZ
문서 번호
2094060
버전
08/25
언어
크기
0,8 MB
Manual de instrucciones Interruptor de seguridad NZ.VZ
문서 번호
2094060
버전
08/25
언어
크기
0,8 MB
Betriebsanleitung Sicherheitsschalter NZ.VZ
문서 번호
2094060
버전
08/25
언어
크기
0,9 MB
Istruzioni di impiego Finecorsa di sicurezza NZ.VZ
문서 번호
2094060
버전
08/25
언어
크기
0,8 MB
Käyttöohje Turvakytkimet NZ.VZ
문서 번호
2094060
버전
08/25
언어
크기
0,8 MB
Instrukcja obsługi Wyłącznik bezpieczeństwa NZ.VZ
문서 번호
2094060
버전
08/25
언어
크기
1,3 MB
Instruktionsbok Säkerhetsbrytare NZ.VZ
문서 번호
2094060
버전
08/25
언어
크기
0,8 MB
Návod na prevádzku Bezpečnostný spínač NZ.VZ
문서 번호
2094060
버전
08/25
언어
크기
1,3 MB
기타 다른 문서
승인 및 인증서
CCC
문서 번호
버전
언어
크기
CCC
문서 번호
20001849
버전
언어
크기
0,0 MB
DGUV
문서 번호
버전
언어
크기
DGUV
문서 번호
버전
언어
크기
3,3 MB
DNV-GL
문서 번호
버전
언어
크기
DNV-GL
문서 번호
버전
언어
크기
0,2 MB
WEEE
문서 번호
버전
언어
크기
WEEE
문서 번호
ECO20001806
버전
언어
크기
0,1 MB
c UL us
문서 번호
버전
언어
크기
c UL us
문서 번호
버전
언어
크기
0,3 MB
영업 문서
Safety Switches with Metal Housing
문서 번호
버전
언어
크기
Safety Switches with Metal Housing
문서 번호
100369
버전
11-03/18
언어
크기
7,8 MB
Interrupteurs de sécurité avec boîtier métallique
문서 번호
100676
버전
11-03/18
언어
크기
7,9 MB
Interruptores de seguridad con carcasa metálica
문서 번호
104856
버전
11-03/18
언어
크기
14,0 MB
Sicherheitsschalter mit Metallgehäuse
문서 번호
100319
버전
11-03/18
언어
크기
7,9 MB
金属壳体 的安全开关
문서 번호
102453
버전
11-03/18
언어
크기
8,2 MB
Bezpečnostní spínače s kovovým pouzdrem
문서 번호
121650
버전
11-03/18
언어
크기
7,8 MB
CAD/eCAD
주문 데이터
| 주문 번호 | 093859 |
| 품목 명칭 | NZ1VZ-2131E-MC1233 |
| 총중량 | 0,358kg |
| 세관품목분류번호 | 85365019000 |
| ECLASS | 27-27-26-02 Safety switch with separate actuator (Type 2) |
+ 1 NO 접점























