TP3-4141A024RC18EXT1 (주문 번호 103339)
안전 스위치 TP EXTENDED, 플러그 커넥터 M23(RC18), 도어 위치용 접점
- 확장형(푸시 버튼 및 조명 부착물)
- 플러그 커넥터 M23(RC18)
- 도어 위치용 접점
- 보조 릴리스
- 폐쇄회로 전류 원리

설명
접근 방향
수평 및 수직
90° 단계로 조정할 수 있습니다
수평으로 접근하는 방향에 대해 오버 트래블 증가.
도어를 닫았을 때 더 큰 유격이 필요한 경우, 오버트래블이 있는 액추에이터를 사용할 수 있습니다. 이러한 액추에이터를 사용하면 도어가 닫혔을 때 그 도어를 구동 방향으로 약간 움직일 수 있습니다. 이는 예를 들어 안전 도어에 고무 엔드 스톱이 있는 경우 중요합니다. 오버트래블이 있는 액추에이터를 사용하면 압축 고무에서 발생하는 지속적인 압력을 줄일 수 있습니다. 이렇게 하면 스위치 헤드와 도어 메커니즘에 가해지는 부하가 감소합니다.
확장형 버전
확장형에는 추가 제어 및 표시 부재가 있습니다.
가드 잠금 원리
잠금을 해제하는 전원: 폐쇄회로 전류 원리를 기반으로 한 가드 잠금 기능이 있는 가드의 경우, 가드는 가드 잠금 솔레노이드로 전원이 공급될 때까지 스프링 힘에 의해 잠깁니다. 잠금은 솔레노이드 힘에 의해 해제됩니다. 기계적 가드 잠금이라는 용어도 사용됩니다.
스위칭 부재
4141 | 느린 동작 스위칭 접점 |
가드 잠금용 점점: 2개의 순방향 구동 접점 | |
도어 모니터링용 점점: 2개의 순방향 구동 접점 |
보조 릴리스
전면에 위치한 보조 릴리스는 정전과 같은 고장 발생 시 장비에 접근할 수 있도록 합니다. 잠금 해제는 공구나 키를 사용하여 수행합니다. 보조 릴리스는 오용(실링, 래커)으로부터 보호되어야 합니다.
액세서리 필요
액추에이터가 포함되지 않았습니다.
기능 도면

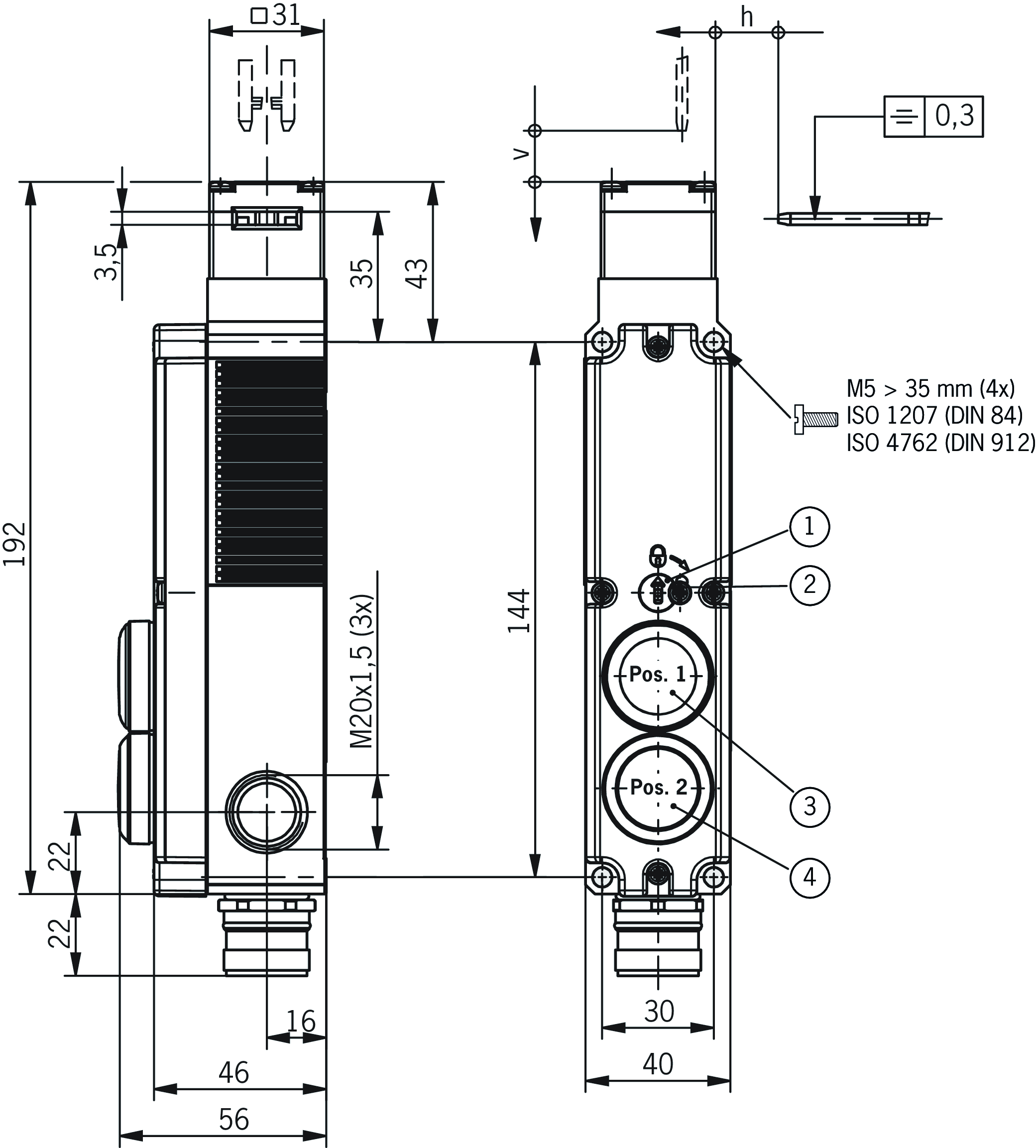
치수 도면

| 1 | 보조 릴리스 |
| 2 | 잠금 스크루 |
| 3 | 신호 인디케이터, 녹색 |
| 4 | 검은색 푸시버튼 |
연결 예시

![]() | 도어 모니터링 |
![]() | 솔레노이드 모니터링 |
기술 자료
승인


전기 연결 값
| 헤징 | max. 4 A gG |
| 전력 소비량 | 8 W |
| 연결 단면도 | 0.34 ... 1.5 mm² |
| 정격 절연 전압 Ui | 50 V |
| 정격 임펄스 전압 Uimp | 1.5 kV |
| 활용 범주 | |
| AC-15 | 4A 50V |
| DC-13 | 4A 24V |
| 솔레노이드 작동 전압 | |
| AC/DC | 24 V -15% ... +10% |
| 솔레노이드 듀티 사이클 | 100 % |
| 스위칭 전압 | |
| 최소 10mA에서 | 12 V |
| 스위칭 전류 | |
| 최소 24V에서 | 1 mA |
| 정격 열전류 Ith | 4 A |
기계적 가치 및 환경
| Anfahrgeschwindigkeit | max. 20 m/min |
| 연결 유형 | |
| 1번 | 일체형 커넥터 RC18(18-핀) |
| 도어 위치 순방향 구동 접점의 수량 | 2 |
| 가드 로크 모니터링 순방향 구동 접점의 수량 | 2 |
| 인출력 | 20 N |
| 구동 주파수 | max. 1200 1/h |
| 구동력 | 10 N |
| 설치 방향 | 임의 |
| 보관 온도 | -25 ... 70 °C |
| 기계적 수명 | 1 x 10⁶ |
| 유지력 | 10 N |
| 전환 원리 | 느린 동작 스위칭 접점 |
| 보호 등급 | IP54 |
| 주변 온도 | -20 ... 55 °C |
| 재질 | |
| 하우징 | 강화 열가소성 플라스틱 |
| 접점 | 은합금, 금 도금 |
| 잠금력 Fmax | 1300 N |
| 잠금력 FZh | 1000 N |
| 가드 잠금 원리 | 폐쇄회로 전류 원리 |
EN ISO 13849-1 및 EN IEC 62061에 따른 특성 값
| B10D | 임무 시간 | |
|---|---|---|
| 가드 위치의 모니터링 | 3x106 | 20 y |
| 중요! DC-13 100 mA/24V에서 유효한 값 | ||
| 가드 잠금장치의 모니터링 | 3x106 | 20 y |
| 중요! DC-13 100 mA/24V에서 유효한 값 | ||
| PL | 최대 SIL | 범주 | 임무 시간 | |
|---|---|---|---|---|
| 가드 잠금의 제어 | 가드 잠금의 외부 제어에 따라 다름 | 20 y | ||
기타
| 추가 기능 | |
| 신호 인디케이터 1개 | green (24V DC) |
| 푸시버튼 1개 | 검은색 (24V(최대 차단 용량 250mW)) |
액추에이터 ACTUATOR- P-GNT와 결합하여
| 수평 방향 오버트래블 | 7 mm |
액추에이터 ACTUATOR- P-GT와 결합하여
| 수평 방향 오버트래블 | 2 mm |
| 수직 방향 오버트래블 | 1.5 mm |
부속품
다운로드
컴플리트 패키지
단 한번 클릭하여 중요한 모든 문서 다운로드.
내용물:
- 사용 설명서와 사용 설명서에 대한 보충 사항 또는 요약 설명서
- 사용 설명서를 보완하는 데이터 시트
- 적합성 선언
단일 문서
기타 다른 문서
ePlan 매크로
주문 데이터
| 주문 번호 | 103339 |
| 품목 명칭 | TP3-4141A024RC18EXT1 |
| 총중량 | 0,552kg |
| 세관품목분류번호 | 85371098 |
| ECLASS | 27-27-26-03 Safety switch with guard control |






























