TX1C-A024MC2161 (주문 번호 099489)
콘텐츠 선택
안전 스위치 TX, 케이블 인입구 M20 x 1.5, 탈출 릴리스
- 케이블 인입구 3개, M20 x 1.5
- 도어 위치용 접점
- 긴 탈출 릴리스
- 보조 릴리스
- LED 인디케이터
- 폐쇄회로 전류 원리

설명
LED 인디케이터
스위치에는 임의로 할당할 수 있는 LED 인디케이터가 두 개(적색 및 녹색) 있습니다.
가드 잠금 원리
잠금을 해제하는 전원: 폐쇄회로 전류 원리를 기반으로 한 가드 잠금 기능이 있는 가드의 경우, 가드는 가드 잠금 솔레노이드로 전원이 공급될 때까지 스프링 힘에 의해 잠깁니다. 잠금은 솔레노이드 힘에 의해 해제됩니다. 기계적 가드 잠금이라는 용어도 사용됩니다.
스위칭 부재
ETX C | 느린 동작 스위칭 접점 |
가드 잠금용 점점: 2개의 순방향 구동 접점 | |
도어 모니터링용 접점: 1 NO 접점 |
보조 릴리스
전면에 위치한 보조 릴리스는 정전과 같은 고장 발생 시 장비에 접근할 수 있도록 합니다. 잠금 해제는 공구나 키를 사용하여 수행합니다. 보조 릴리스는 오용(실링, 래커)으로부터 보호되어야 합니다.
탈출 릴리스
이는 위험 구역 내에서 공구 없이 가드 잠금 기능을 수동으로 해제하는 데 사용됩니다.
액세서리 필요
액추에이터가 포함되지 않았습니다.
기능 도면

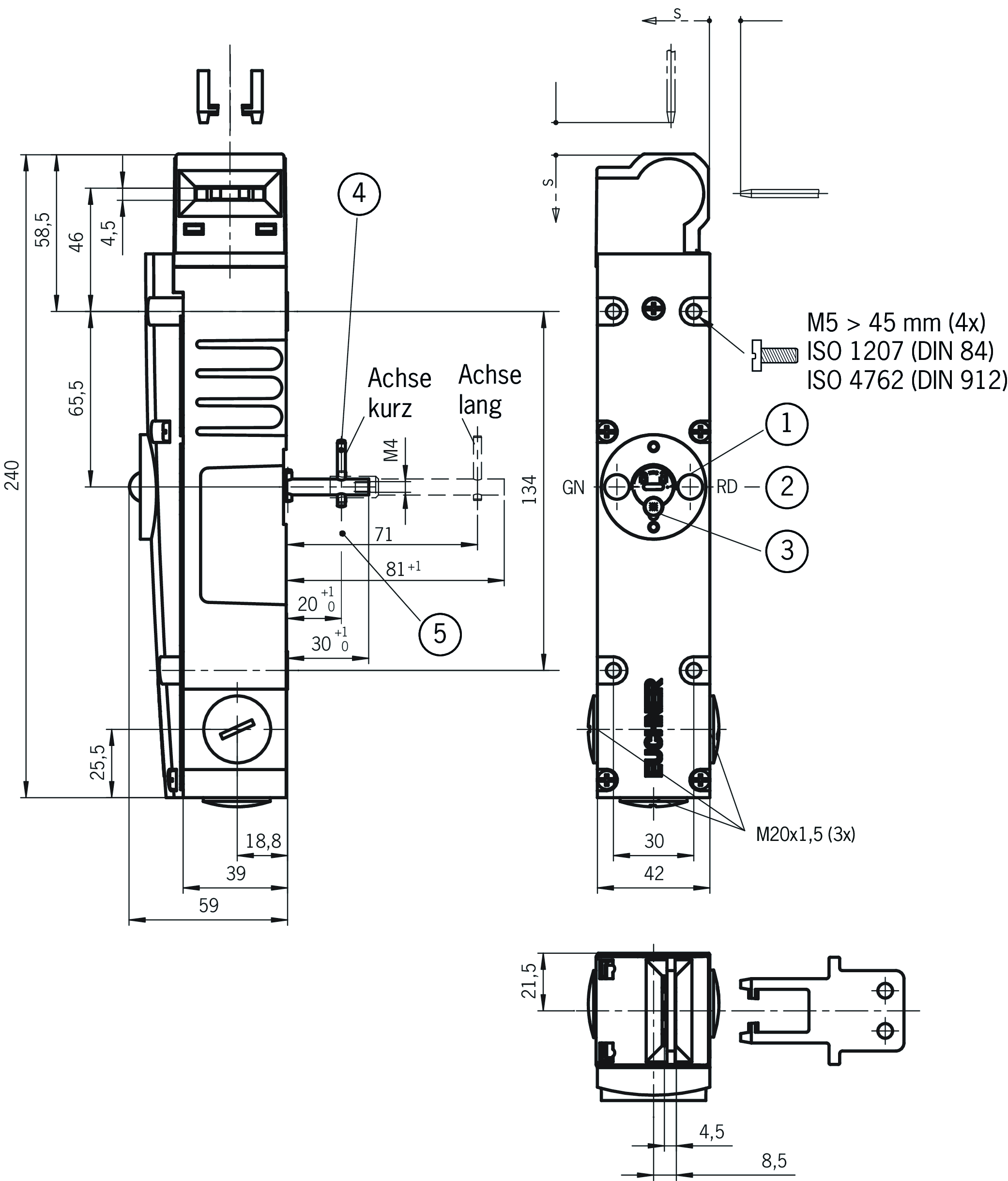
치수 도면

| 1 | 보조 릴리스 |
| 2 | LED 인디케이터 |
| 3 | 잠금 스크루 |
| 4 | 탈출 릴리스, 기본 위치 |
| 5 | 탈출 릴리스, 잠기지 않은 위치 |
연결 예시

기술 자료
승인




작동 및 디스플레이 요소
| LED 디스플레이 | 작동 전압은 솔레노이드 전압과 일치합니다 (LED 2개; 녹색, 적색) |
전기 연결 값
| 헤징 | max. 4 A gG |
| 전력 소비량 | 8 W |
| 연결 단면도 | 0.34 ... 1.5 mm² |
| 정격 절연 전압 Ui | 50 V |
| 정격 임펄스 전압 Uimp | 2.5 kV |
| 활용 범주 | |
| DC-13 | 4A 24V |
| AC-15 | 4A 50V |
| 솔레노이드 작동 전압 | |
| AC/DC | 24 V -15% ... +10% |
| 솔레노이드 듀티 사이클 | 100 % |
| 스위칭 전압 | |
| 최소 10mA에서 | 12 V |
| 스위칭 전류 | |
| 최소 24V에서 | 1 mA |
| 정격 열전류 Ith | 4 A |
기계적 가치 및 환경
| Anfahrgeschwindigkeit | max. 20 m/min |
| 접근 방향 | A |
| 연결 유형 | |
| 3번 | M20 x 1.5 |
| 도어 위치 NO 접점의 수량 | 1 |
| 도어 잠금 모니터링 NO 접점의 수량 | 1 |
| 가드 로크 모니터링 순방향 구동 접점의 수량 | 2 |
| 인출력 | 35 N |
| 구동 주파수 | max. 1200 1/h |
| 구동력 | 35 N |
| 설치 방향 | 임의 |
| 삽입 깊이 | 32 mm |
| 보관 온도 | -25 ... 80 °C |
| 기계적 수명 | 1 x 10⁶ |
| 유지력 | 20 N |
| 전환 원리 | 느린 동작 스위칭 접점 |
| 보호 등급 | IP67 |
| 주변 온도 | -20 ... 80 °C |
| 재질 | |
| 접점 | 은합금, 금 도금 |
| 하우징 | 음극 침지 다이캐스트 합금 |
| 잠금력 Fmax | 1700 N |
| 잠금력 FZh | 1300 N |
| 가드 잠금 원리 | 폐쇄회로 전류 원리 |
EN ISO 13849-1 및 EN IEC 62061에 따른 특성 값
| B10D | 임무 시간 | |
|---|---|---|
| 가드 잠금장치의 모니터링 | 5x106 | 20 y |
| 중요! DC-13 100 mA/24V에서 유효한 값 | ||
| PL | 최대 SIL | 범주 | 임무 시간 | |
|---|---|---|---|---|
| 가드 잠금의 제어 | 가드 잠금의 외부 제어에 따라 다름 | 20 y | ||
기타
| C 번호 | |
| C2161 | 긴 액추에이터 축이 있는 탈출 릴리스 |
액추에이터 ACTUATOR-X-GQ와 결합하여
| 오버트래블 | 1 mm |
액추에이터 ACTUATOR-X-GNQ와 결합하여
| 오버트래블 | 8 mm |
부속품
다운로드
컴플리트 패키지
단 한번 클릭하여 중요한 모든 문서 다운로드.
내용물:
- 사용 설명서와 사용 설명서에 대한 보충 사항 또는 요약 설명서
- 사용 설명서를 보완하는 데이터 시트
- 적합성 선언
컴플리트 패키지 다운로드 (ZIP, 3,1 MB)
단일 문서
지침
Operating Instructions Safety Switch TX…
문서 번호
버전
언어
크기
Operating Instructions Safety Switch TX…
문서 번호
2079777
버전
05/25
언어
크기
1,4 MB
Mode d’emploi Interrupteur de sécurité TX…
문서 번호
2079777
버전
05/25
언어
크기
1,4 MB
Manual de instrucciones Interruptor de seguridad TX…
문서 번호
2079777
버전
05/25
언어
크기
1,4 MB
Betriebsanleitung Sicherheitsschalter TX…
문서 번호
2079777
버전
05/25
언어
크기
1,4 MB
Istruzioni di impiego Finecorsa di sicurezza TX…
문서 번호
2079777
버전
05/25
언어
크기
1,4 MB
기타 다른 문서
승인 및 인증서
CCC
문서 번호
버전
언어
크기
CCC
문서 번호
20001849
버전
언어
크기
0,0 MB
DGUV
문서 번호
버전
언어
크기
DGUV
문서 번호
버전
언어
크기
3,2 MB
DNV-GL
문서 번호
버전
언어
크기
DNV-GL
문서 번호
버전
언어
크기
0,2 MB
WEEE
문서 번호
버전
언어
크기
WEEE
문서 번호
ECO20001806
버전
언어
크기
0,1 MB
c UL us
문서 번호
버전
언어
크기
c UL us
문서 번호
버전
언어
크기
0,3 MB
영업 문서
Safety Switches with Metal Housing
문서 번호
버전
언어
크기
Safety Switches with Metal Housing
문서 번호
100369
버전
11-03/18
언어
크기
7,8 MB
Interrupteurs de sécurité avec boîtier métallique
문서 번호
100676
버전
11-03/18
언어
크기
7,9 MB
Interruptores de seguridad con carcasa metálica
문서 번호
104856
버전
11-03/18
언어
크기
14,0 MB
Sicherheitsschalter mit Metallgehäuse
문서 번호
100319
버전
11-03/18
언어
크기
7,9 MB
金属壳体 的安全开关
문서 번호
102453
버전
11-03/18
언어
크기
8,2 MB
Bezpečnostní spínače s kovovým pouzdrem
문서 번호
121650
버전
11-03/18
언어
크기
7,8 MB
ePlan 매크로
EUC.099489
문서 번호
버전
언어
크기
EUC.099489
문서 번호
버전
언어
크기
0,1 MB
CAD/eCAD
주문 데이터
| 주문 번호 | 099489 |
| 품목 명칭 | TX1C-A024MC2161 |
| 총중량 | 1,023kg |
| 세관품목분류번호 | 85365019000 |
| ECLASS | 27-27-26-03 Safety switch with guard control |
+ 1 NO 접점




















