STP4A-4141A024SEM4AS1 (주문 번호 097789)
안전 스위치 STP ASi, 플러그 커넥터 M12
- AS-Interface
- 플러그 커넥터 M12, 4-핀
- 보조 릴리스
- 개방회로 전류 원리

설명
접근 방향
수평 및 수직
90° 단계로 조정할 수 있습니다
수평으로 접근하는 방향에 대해 오버 트래블 증가.
도어를 닫았을 때 더 큰 유격이 필요한 경우, 오버트래블이 있는 액추에이터를 사용할 수 있습니다. 이러한 액추에이터를 사용하면 도어가 닫혔을 때 그 도어를 구동 방향으로 약간 움직일 수 있습니다. 이는 예를 들어 안전 도어에 고무 엔드 스톱이 있는 경우 중요합니다. 오버트래블이 있는 액추에이터를 사용하면 압축 고무에서 발생하는 지속적인 압력을 줄일 수 있습니다. 이렇게 하면 스위치 헤드와 도어 메커니즘에 가해지는 부하가 감소합니다.
가드 잠금 원리
개방회로 전류(전원을 켜서 잠금): 개방회로 전류 원리를 기반으로 한 가드 잠금 기능이 있는 가드의 경우, 가드 잠금 솔레노이드로의 전원 공급이 중단될 때까지 가드가 잠깁니다. 잠금은 스프링 힘에 의해 해제됩니다. 전기적 가드 잠금이라는 용어도 사용됩니다.
가드 잠금 솔레노이드의 제어
가드 잠금 솔레노이드는 AS 인터페이스 버스 비트 D0을 통해 제어됩니다.
보조 전압
가드 잠금 솔레노이드에 전원을 공급하려면 ASi 보조 전압이 필요합니다.
AS 인터페이스 입력부
D0, D1 | 가드 위치의 모니터링 |
D2, D3 | 가드 잠금장치의 모니터링 |
AS-Interface 출력부
D0 | 가드 잠금의 제어 |
D1 | LED 적색 |
D2 | LED 녹색 |
LED 인디케이터
전원 LED는 버스에서의 작동 전압을 가리킵니다.
고장 LED는 AS 인터페이스 버스에서 고장이 감지되었는지를 가리킵니다.
필요하면 비트 D1 및 D2를 통해 제어 시스템에 의해 녹색 및 적색 LED를 제어할 수 있습니다.
보조 릴리스
전면에 위치한 보조 릴리스는 정전과 같은 고장 발생 시 장비에 접근할 수 있도록 합니다. 잠금 해제는 공구나 키를 사용하여 수행합니다. 보조 릴리스는 오용(실링, 래커)으로부터 보호되어야 합니다.
액세서리 필요
액추에이터가 포함되지 않았습니다.
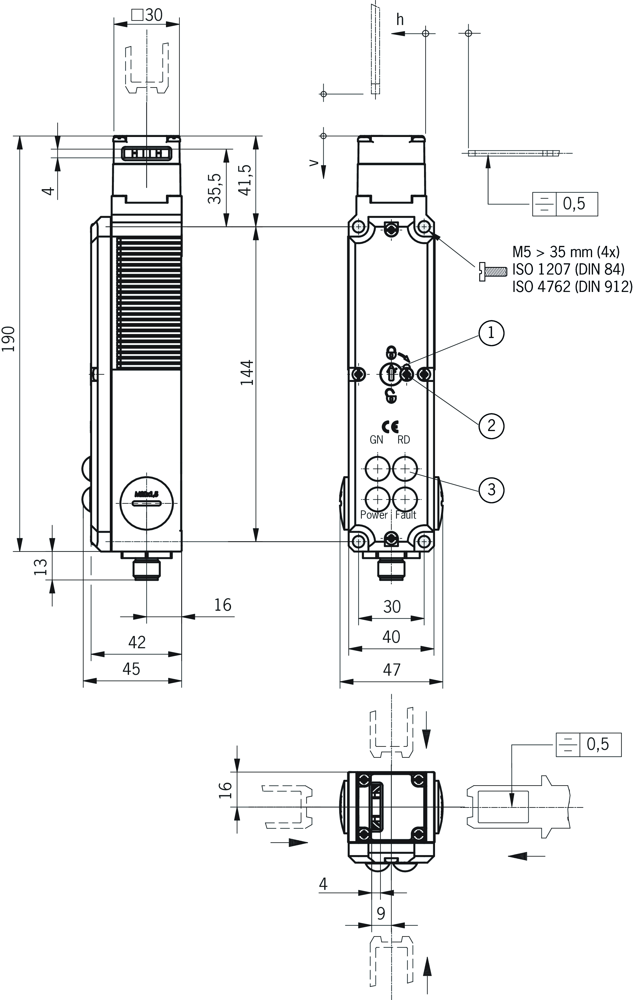
치수 도면

| 1 | 보조 릴리스 |
| 2 | 잠금 스크루 |
| 3 | LED 인디케이터 |
연결 예시

| 플러그 측면 보기 |
기술 자료
승인



전기 연결 값
| ASI 작동 전류 | max. 45 mA |
| 보조 전압 AS 인터페이스 | 20.4 ... 24 ... 26.4 V |
| 보조 전류 AS 인터페이스 | 300 mA |
| AS 인터페이스 LED | |
| 빨간색 | 결함 |
| 녹색 | 전원 |
| AS-인터페이스 프로토콜 | ASi-3 |
| ASI 데이터 출력 | D0 = 가드 잠금의 제어, D1 = 적색 LED, D2 = 녹색 LED |
| ASI 데이터의 | D0, D1 = 도어 위치, D2, D3 = 가드 잠금 |
| AS- 인터페이스 슬레이브 유형 | ID-Code: B, EA-Code: 7 |
| ASI 전압 | 22.5 ... 30 ... 31.6 V |
| 솔레노이드 듀티 사이클 | 100 % |
기계적 가치 및 환경
| Anfahrgeschwindigkeit | max. 20 m/min |
| 연결 유형 | |
| 1번 | 플러그 커넥터 M12 (4-핀) |
| 도어 위치 순방향 구동 접점의 수량 | |
| AS-i Safety at Work에 의거 | |
| 가드 로크 모니터링 순방향 구동 접점의 수량 | |
| AS-i Safety at Work에 의거 | D2, D3 (1 = 잠김) |
| 인출력 | 30 N |
| 구동 주파수 | max. 1200 1/h |
| 구동력 | 35 N |
| 설치 방향 | 임의 |
| 보관 온도 | -25 ... 70 °C |
| 기계적 수명 | 1 x 10⁶ |
| 유지력 | 20 N |
| 전환 원리 | 느린 동작 스위칭 접점 |
| 보호 등급 | IP67 |
| 주변 온도 | -20 ... 55 °C |
| 재질 | |
| 하우징 | 강화 열가소성 플라스틱 |
| 접점 | 은합금, 금 도금 |
| 잠금력 Fmax | 2500 N |
| 잠금력 FZh | 2000 N |
| 가드 잠금 원리 | 개방회로 전류 원리 |
EN ISO 13849-1 및 EN IEC 62061에 따른 특성 값
| B10D | 임무 시간 | |
|---|---|---|
| 가드 잠금장치의 모니터링 | 5x106 | 20 y |
| 중요! DC-13 100 mA/24V에서 유효한 값 | ||
액추에이터 ACTUATOR-S-GT-SN과 결합하여
| 수평 방향 삽입 깊이 | 24.5 mm |
| 수직 방향 삽입 깊이 | 24.5 mm |
| 수평 방향 오버트래블 | 5 mm |
| 수직 방향 오버트래블 | 5 mm |
부속품
AE-B-A1-02,0-096230
- 탈출 릴리스 또는 비상 릴리스로서 사용될 수 있습니다
- 자동 복귀 아님
- 덮개 길이 2m(로프 길이 6m)
AE-B-A1-02,0-F-097747
- 탈출 릴리스 또는 비상 릴리스로서 사용될 수 있습니다
- 자동 복귀
- 덮개 길이 2m(로프 길이 6m)
AE-B-A1-03,0-098313
- 탈출 릴리스 또는 비상 릴리스로서 사용될 수 있습니다
- 자동 복귀 아님
- 덮개 길이 3m(로프 길이 6m)
AE-B-A1-03,0-F-111233
- 탈출 릴리스 또는 비상 릴리스로서 사용될 수 있습니다
- 자동 복귀
- 덮개 길이 3m(로프 길이 6m)
AE-B-A1-04,0-098314
- 탈출 릴리스 또는 비상 릴리스로서 사용될 수 있습니다
- 자동 복귀 아님
- 덮개 길이 4m(로프 길이 6m)
AE-B-A1-06,0-125582
- 탈출 릴리스 또는 비상 릴리스로서 사용될 수 있습니다
- 자동 복귀 아님
- 로프 길이 6m(덮개 제외)
AE-B-A1-06,0-F-124770
- 탈출 릴리스 또는 비상 릴리스로서 사용될 수 있습니다
- 자동 복귀
- 로프 길이 6m(덮개 제외)
다운로드
컴플리트 패키지
단 한번 클릭하여 중요한 모든 문서 다운로드.
내용물:
- 사용 설명서와 사용 설명서에 대한 보충 사항 또는 요약 설명서
- 사용 설명서를 보완하는 데이터 시트
- 적합성 선언
단일 문서
기타 다른 문서
주문 데이터
| 주문 번호 | 097789 |
| 품목 명칭 | STP4A-4141A024SEM4AS1 |
| 총중량 | 0,539kg |
| 세관품목분류번호 | 85365019000 |
| ECLASS | 27-27-26-03 Safety switch with guard control |





























