C-RJ45-8X014PU10,0-MA-122703 (注文番号 122703)
コンテンツを選ぶ
RJ45 プラグ・コネクター付き接続ケーブル、10 m
- RJ45 プラグコネクター
- ストレート・プラグコネクター
- PUR ケーブル
- ケーブル長 10 m
- フライング・リード付き

説明


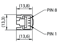
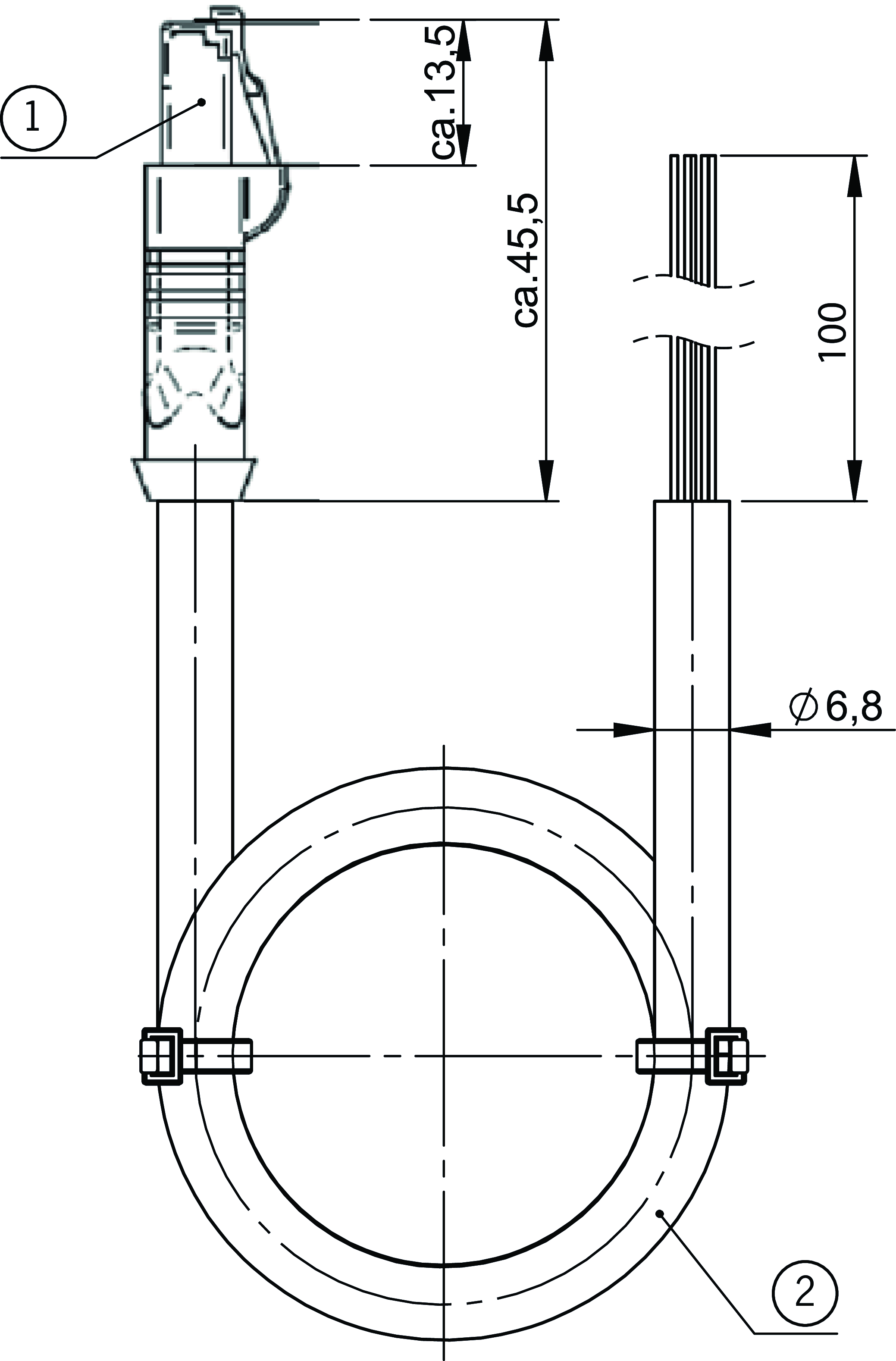
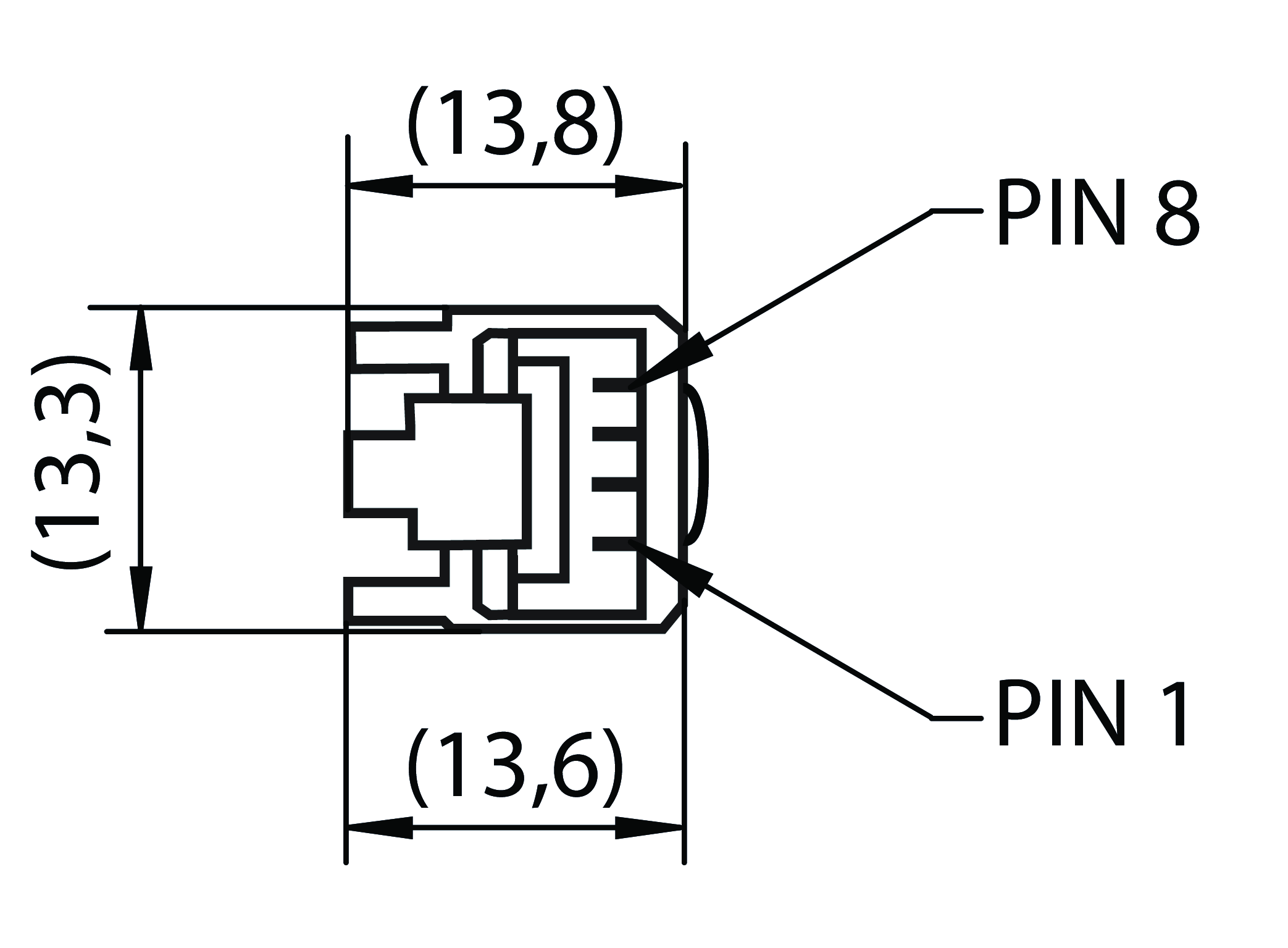
寸法図

| 1 | オス・プラグ / 8 ピン |
| 2 | PUR ケーブル S/FTP - 8x 0.14 mm² |
接続例

| 各ペア上のシールド フォイル | |
| Paar 1 | ピン 5 (WH) + ピン 4 (BU) |
| Paar 2 | ピン 1 (WH) + ピン 2 (OG) |
| Paar 3 | ピン 3 (WH) + ピン 6 (GN) |
| Paar 4 | ピン 7 (WH) + ピン 8 (BN) |
技術データ
電気的接続値
| 定格電圧 | |
| AC/DC | 30 V (DC 最大 24V で) |
| 定格インパルス電圧 Uimp | 1 kV |
| 動作電圧 AC | 300 V AC |
| 動作電圧DC | 450 V DC |
| コンタクト抵抗 | 20 mΩ |
| 公称電流 | |
| 40 °C で | 1 A |
| ケーブルシールド | はい |
| EN 60664-1 準拠の汚染度 | 3 |
| 接続 1 | |
| EN 60664-1 準拠の汚染度 | 3 |
機械的価値と環境
| 導体の特定 | カラー・コード |
| 導体断面積 | 0.14 mm² |
| 導体の数 | 8 (4 組) |
| プラグコネクター名称 | RJ45 |
| 静的曲げ半径 | 10 × ケーブル径 |
| ハロゲン・フリー | はい |
| 保管温度 | -25 ... 75 °C |
| ケーブル径 | |
| 約 | 6.8 mm |
| ケーブル長 | 10 m |
| シース色 | 黒 |
| 制動チェーンの適合性 | はい |
| シリコンフリー | はい |
| ケーブル周囲温度 (静的) | -20 ... 75 °C |
| 素材 | |
| プラグ ハウジング | TPU |
| 被覆 | PUR |
| 導体 | PASW (7 x 径 0.16 mm (26 AWG)) |
| 接続 2 | |
| 導体端部 | 被覆を剥いた状態 |
| 接続形態 | フライング・リード |
| 接続 1 | |
| 接続形態 | RJ45 |
| 接続形態 | オス・プラグ |
| ケーブル コンセント | ストレート |
| ピン数 | 8 |
| 保護等級 | IP20 |
| 挿入サイクル | 750 |
| インターロック | スナップ-オン |
| 素材 | |
| プラグロック | CuZn、ニッケルメッキ |
| プラグ ハウジング | PC |
ダウンロード
認証・証明書
WEEE
文書番号
バージョン
言語
サイズ
WEEE
文書番号
ECO20001806
バージョン
言語
サイズ
0,1 MB
発注データ
| 注文番号 | 122703 |
| 品目指定 | C-RJ45-8X014PU10,0-MA-122703 |
| 総重量 | 0,286kg |
| 関税番号 | 85444290900 |
| ECLASS | 27-06-03-04 Appliance cord (data cable) |
