STA-BI-3A-2131A024RC18C1826 (注文番号 111726)
コンテンツを選ぶ
安全スイッチSTA BI、プラグコネクタM23 (RC18)、ドア位置用接点
- BiState(双安定ガードロック)
- プラグコネクター M23 (RC18)
- ドア位置用接点
- 補助リリース

説明
BiState(双安定ガードロック)
を防ぐ機能を備えている。
- 停電時、または機械のスイッチが切れていて安全ドアが開いているときに、人が誤って閉じ込められるのを防ぐ機能。
- 停電時には、作動しているガードロックは解除されます。
アプローチ方向
横および縦方向
90° 単位で調整可能
横アプローチ方向の大きなオーバートラベル
ドアが閉じているときに遊びを増やす必要がある場合は、オーバートラベル付きアクチュエーターを使用できます。このアクチュエーターを使うと、閉じているドアを作動方向にわずかに動かすことができるようになります。これは、たとえば安全ドアに戸当たりゴムがある場合に重要となります。オーバートラベル付きアクチュエーターを使用することで、圧縮されたゴムによる継続的な圧力を軽減できます。このようにして、スイッチヘッドおよびドア機構にかかる負荷を軽減します。
スイッチ素子
2131 | スローアクション・スイッチング・コンタクト |
ガードロック用接点: 2 つの強制開離接点 | |
ドア・モニタリング用接点: NC 接点 1 個 |
補助リリース
前面の補助リリースにより、停電などの障害が発生した場合でも装置にアクセスすることができます。ロック解除は工具またはキーを使用して実行します。補助リリースは、誤用から保護する必要があります (シーリング、ラッカー)。
アクセサリーが必要
アクチュエーターは含まれていません。
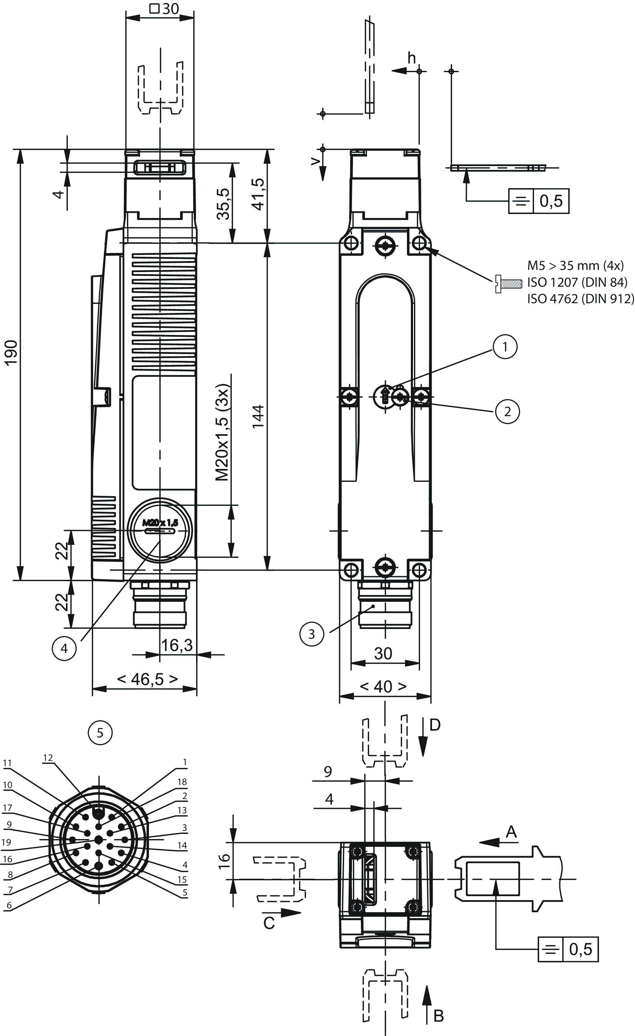
機能図面

寸法図

| 1 | 補助リリース |
| 2 | 止めネジ |
| 3 | 内蔵コネクター |
| 4 | スクリュー・プラグ M20x1.5 (2x) |
| 5 | 内蔵コネクター - RC 18 位置合わせなし |
接続例

技術データ
認証取得状況


電気的接続値
| ヘッジ | max. 4 A ジー |
| 電力消費量 | 8 W |
| 定格絶縁電圧 Ui | 50 V |
| 定格インパルス電圧 Uimp | 1.5 kV |
| 利用区分 | |
| DC-13 | 4A 24V |
| AC-15 | 4A 50V |
| ソレノイド動作電圧 | |
| DC | 24 V -15% ... +10% |
| ソレノイドデューティサイクル | 100 % |
| スイッチング電圧 | |
| 10 mA で最低 | 12 V |
| スイッチング電流 | |
| 24V で最低 | 1 mA |
| 熱定格電流 Ith | 4 A |
機械的価値と環境
| Anfahrgeschwindigkeit | max. 20 m/min |
| アプローチ方向 | A |
| 接続形態 | |
| 1 x | プラグコネクター RC18 (18 ピン +PE) |
| ドア位置 NC 接点の数 | 1 |
| ガード ロック モニタリング NO 接点の数 | 1 |
| ガード ロック モニタリング強制解離コンタクトの数 | 2 |
| 抜き取り力 | 30 N |
| アクチュエーション頻度 | max. 1200 1/h |
| アクチュエーティング力 | 35 N |
| 取り付け向き | すべて |
| 挿入深さ | 24.5 mm |
| 保管温度 | -25 ... 70 °C |
| 機械的寿命 | 1 x 10⁶ |
| 保持力 | 20 N |
| スイッチング原理 | スローアクション・スイッチング・コンタクト |
| 保護等級 | IP65 |
| 周囲温度 | -20 ... 70 °C |
| 素材 | |
| お問い合わせ | 銀合金、金フラッシュ |
| ハウジング | ダイキャスト合金 |
| ロック保持力 Fmax | 3000 N |
| ロック保持力 FZh | 2300 N |
| ガードロック方式 | バイステート |
EN ISO 13849-1およびEN IEC 62061に準拠した特性値。
| せいぞうせきにん | 最大SIL | ピーエフエイチD | カテゴリー | 耐用時間 | |
|---|---|---|---|---|---|
| ガードロックの制御 | PL b | - | 4.23x10-6 | b | 20 y |
| B10D | 耐用時間 | |
|---|---|---|
| ガードロック モニタリング | 3x106 | 20 y |
| 重要! DC-13 100 mA/24V で有効な値 | ||
その他
| C 番号 | |
| C1826 | 特別配線 |
アクセサリー
アクチュエーター
拡張機能
ワイヤ・フロント・リリース (ボーデン)
096230
AE-B-A1-02,0-096230
AE-B-A1-02,0-096230
- エスケープ・リリースまたは非常リリースに使用できます
- オートリターンなし
- 被覆長 2 m (ロープ長 6 m)
097747
AE-B-A1-02,0-F-097747
AE-B-A1-02,0-F-097747
- エスケープ・リリースまたは非常リリースに使用できます
- オートリターン
- 被覆長 2 m (ロープ長 6 m)
098313
AE-B-A1-03,0-098313
AE-B-A1-03,0-098313
- エスケープ・リリースまたは非常リリースに使用できます
- オートリターンなし
- 被覆長 3 m (ロープ長 6 m)
111233
AE-B-A1-03,0-F-111233
AE-B-A1-03,0-F-111233
- エスケープ・リリースまたは非常リリースに使用できます
- オートリターン
- 被覆長 3 m (ロープ長 6 m)
098314
AE-B-A1-04,0-098314
AE-B-A1-04,0-098314
- エスケープ・リリースまたは非常リリースに使用できます
- オートリターンなし
- 被覆長 4 m (ロープ長 6 m)
125582
AE-B-A1-06,0-125582
AE-B-A1-06,0-125582
- エスケープ・リリースまたは非常リリースに使用できます
- オートリターンなし
- ロープ長 6m (被覆なし)
124770
AE-B-A1-06,0-F-124770
AE-B-A1-06,0-F-124770
- エスケープ・リリースまたは非常リリースに使用できます
- オートリターン
- ロープ長 6m (被覆なし)
接続部品
ダウンロード
一式
ワンクリックですべての重要文書をダウンロードできます。
コンテンツ:
- 操作説明書、およびその補足文書もしくは簡略説明書
- 操作説明書の補足データシート
- 適合宣言書
一式をダウンロード (ZIP, 3,1 MB)
単一文書
使用方法
Operating Instructions Safety Switch STA-BI…
文書番号
バージョン
言語
サイズ
Operating Instructions Safety Switch STA-BI…
文書番号
2112148
バージョン
04/25
言語
サイズ
1,4 MB
Mode d’emploi Interrupteur de sécurité STA-BI…
文書番号
2112148
バージョン
04/25
言語
サイズ
1,4 MB
Manual de instrucciones Interruptor de seguridad STA-BI…
文書番号
2112148
バージョン
04/25
言語
サイズ
1,4 MB
Betriebsanleitung Sicherheitsschalter STA-BI…
文書番号
2112148
バージョン
04/25
言語
サイズ
1,4 MB
Istruzioni di impiego Finecorsa di sicurezza STA-BI…
文書番号
2112148
バージョン
04/25
言語
サイズ
1,4 MB
その他の文書
営業資料
Safety Switches with Metal Housing
文書番号
バージョン
言語
サイズ
Safety Switches with Metal Housing
文書番号
100369
バージョン
11-03/18
言語
サイズ
7,8 MB
Interrupteurs de sécurité avec boîtier métallique
文書番号
100676
バージョン
11-03/18
言語
サイズ
7,9 MB
Interruptores de seguridad con carcasa metálica
文書番号
104856
バージョン
11-03/18
言語
サイズ
14,0 MB
Sicherheitsschalter mit Metallgehäuse
文書番号
100319
バージョン
11-03/18
言語
サイズ
7,9 MB
金属壳体 的安全开关
文書番号
102453
バージョン
11-03/18
言語
サイズ
8,2 MB
Bezpečnostní spínače s kovovým pouzdrem
文書番号
121650
バージョン
11-03/18
言語
サイズ
7,8 MB
Safety Switches with Plastic Housing
文書番号
バージョン
言語
サイズ
Safety Switches with Plastic Housing
文書番号
096956
バージョン
11-03/18
言語
サイズ
6,5 MB
Interrupteurs de sécurité avec boîtier plastique
文書番号
100677
バージョン
11-03/18
言語
サイズ
6,6 MB
Interruptores de seguridad con carcasa plástica
文書番号
104855
バージョン
11-03/18
言語
サイズ
6,6 MB
Sicherheitsschalter mit Kunststoffgehäuse
文書番号
096955
バージョン
11-03/18
言語
サイズ
6,6 MB
塑料壳体 的安全开关
文書番号
116243
バージョン
11-03/18
言語
サイズ
6,1 MB
Bezpečnostní spínače s plastovým pouzdrem
文書番号
121649
バージョン
11-03/18
言語
サイズ
6,5 MB
認証・証明書
CCC
文書番号
バージョン
言語
サイズ
CCC
文書番号
20001849
バージョン
言語
サイズ
0,0 MB
WEEE
文書番号
バージョン
言語
サイズ
WEEE
文書番号
ECO20001806
バージョン
言語
サイズ
0,1 MB
c UL us
文書番号
バージョン
言語
サイズ
c UL us
文書番号
バージョン
言語
サイズ
0,3 MB
イープランマクロ
EUC.111726
文書番号
バージョン
言語
サイズ
EUC.111726
文書番号
バージョン
言語
サイズ
0,0 MB
発注データ
| 注文番号 | 111726 |
| 品目指定 | STA-BI-3A-2131A024RC18C1826 |
| 総重量 | 0,719kg |
| 関税番号 | 85365019000 |
| ECLASS | 27-27-26-03 Safety switch with guard control |
+ NO 接点 1 個
























