TP-TW-3-4141AC024MC2184 (注文番号 109170)
TP TWINセーフティスイッチ、M20 x 1.5ケーブル接続、ドア位置用接点
- TWIN 機能 (2 つのアクチュエーティング・ヘッド)
- 3 x ケーブル挿入口 M20 x 1.5
- ドア位置用接点
- 補助リリース
- 閉回路電流方式

説明
バージョン TWIN
スイッチには 2 つのアクチュエーティング・ヘッドがあります。これで 2 つの可動ガードを同時に固定することができます。
アプローチ方向
横および縦方向
90° 単位で調整可能
横アプローチ方向の大きなオーバートラベル
ドアが閉じているときに遊びを増やす必要がある場合は、オーバートラベル付きアクチュエーターを使用できます。このアクチュエーターを使うと、閉じているドアを作動方向にわずかに動かすことができるようになります。これは、たとえば安全ドアに戸当たりゴムがある場合に重要となります。オーバートラベル付きアクチュエーターを使用することで、圧縮されたゴムによる継続的な圧力を軽減できます。このようにして、スイッチヘッドおよびドア機構にかかる負荷を軽減します。
ガードロック方式
電源オンでロック解除: 閉回路電流方式ガードロックによるガードでは、ガードロック ソレノイドに電源が供給されるまでスプリング力によりそのガードがロックされます。ソレノイド力によりロック解除されます。メカニカル ガードロックという用語も使われます。
スイッチ素子
4141 | スローアクション・スイッチング・コンタクト |
ガードロック用接点: 2 つの強制開離接点 | |
ドア・モニタリング用接点: 2 つの強制開離接点 |
補助リリース
前面の補助リリースにより、停電などの障害が発生した場合でも装置にアクセスすることができます。ロック解除は工具またはキーを使用して実行します。補助リリースは、誤用から保護する必要があります (シーリング、ラッカー)。
アクセサリーが必要
アクチュエーターは含まれていません。
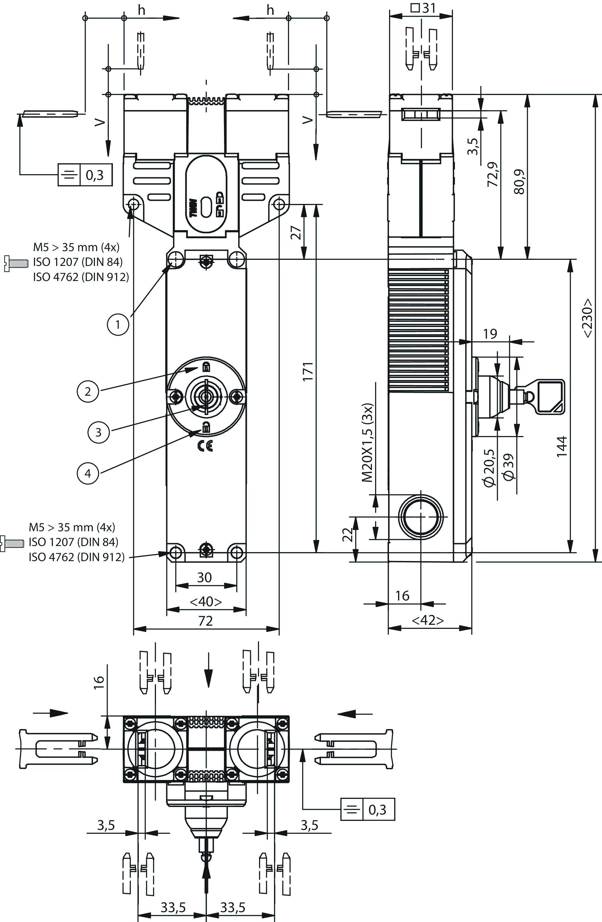
機能図面

寸法図

| 1 | ここではネジを締め付けないでください (2×) |
| 2 | ロックされている |
| 3 | マーキング |
| 4 | 解除 |
接続例

![]() | ドア・モニタリング |
![]() | ソレノイド・モニタリング |
技術データ
認証取得状況



電気的接続値
| ヘッジ | max. 4 A ジー |
| 電力消費量 | 8 W |
| 接続断面図 | 0.34 ... 1.5 mm² |
| 定格絶縁電圧 Ui | 250 V |
| 定格インパルス電圧 Uimp | 2.5 kV |
| 利用区分 | |
| DC-13 | 4A 24V |
| AC-15 | 4A 230V |
| ソレノイド動作電圧 | |
| AC/DC | 24 V -15% ... +10% |
| ソレノイドデューティサイクル | 100 % |
| スイッチング電圧 | |
| 10 mA で最低 | 12 V |
| スイッチング電流 | |
| 24V で最低 | 1 mA |
| 熱定格電流 Ith | 4 A |
機械的価値と環境
| Anfahrgeschwindigkeit | max. 20 m/min |
| アプローチ方向 | AとC (2 つのアクチュエーティング・ヘッド) |
| 接続形態 | |
| 3 x | M20 x 1.5 |
| ドア位置強制開離コンタクトの数 | 2 |
| ガード ロック モニタリング強制解離コンタクトの数 | 2 |
| 抜き取り力 | 20 N |
| アクチュエーション頻度 | max. 1200 1/h |
| アクチュエーティング力 | 10 N |
| 取り付け向き | すべて |
| 保管温度 | -25 ... 70 °C |
| 機械的寿命 | 1 x 10⁶ |
| 保持力 | 10 N |
| スイッチング原理 | スローアクション・スイッチング・コンタクト |
| 保護等級 | IP67 |
| 周囲温度 | -20 ... 55 °C |
| 素材 | |
| お問い合わせ | 銀合金、金フラッシュ |
| ハウジング | 強化熱可塑性プラスチック |
| ロック保持力 Fmax | 1300 N |
| ロック保持力 FZh | 1000 N |
| ガードロック方式 | 閉回路電流方式 |
EN ISO 13849-1およびEN IEC 62061に準拠した特性値。
| B10D | 耐用時間 | |
|---|---|---|
| ガード位置の監視 | 2x106 | 20 y |
| 重要! DC-13 100 mA/24V で有効な値 | ||
| ガードロック モニタリング | 2x106 | 20 y |
| 重要! DC-13 100 mA/24V で有効な値 | ||
| せいぞうせきにん | 最大SIL | カテゴリー | 耐用時間 | |
|---|---|---|---|---|
| ガードロックの制御 | ガードロックの外部制御による | 20 y | ||
その他
| C 番号 | |
| C2184 | ロックおよび事前組み付け挿入ファンネル付き |
アクチュエーター ACTUATOR-P-GT との組み合わせ
| 横方向のオーバートラベル | 2 mm |
| 縦方向のオーバートラベル | 1.5 mm |
アクチュエーター ACTUATOR-P-GNT との組み合わせ
| 横方向のオーバートラベル | 7 mm |
ダウンロード
一式
ワンクリックですべての重要文書をダウンロードできます。
コンテンツ:
- 操作説明書、およびその補足文書もしくは簡略説明書
- 操作説明書の補足データシート
- 適合宣言書
単一文書
その他の文書
イープランマクロ
発注データ
| 注文番号 | 109170 |
| 品目指定 | TP-TW-3-4141AC024MC2184 |
| 総重量 | 0,726kg |
| 関税番号 | 85365019000 |
| ECLASS | 27-27-26-03 Safety switch with guard control |








