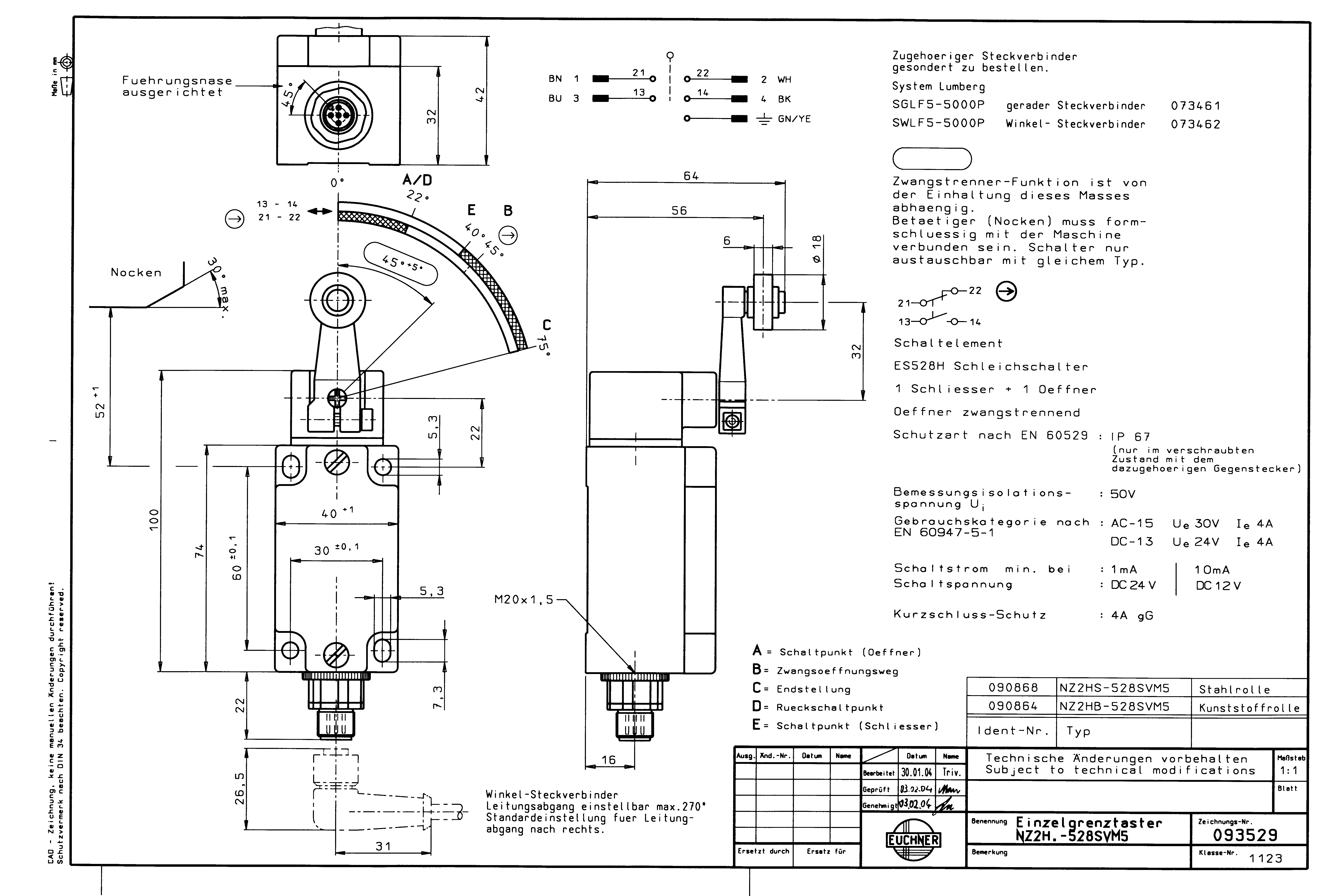
NZ2HS-528SVM5 (注文番号 090868)
コンテンツを選ぶ
安全スイッチ NZ.HS、スチール・ローラー付きレバー・アーム、プラグコネクター M12
- レバー・アーム、スチール・ローラー径 18 mm
- EN 50041 準拠バージョン A
- プラグコネクター M12、5 ピン
- 1 つの強制開離コンタクト
- NO 接点 1 個

説明
寸法図

| 1 | 直角プラグコネクター: ケーブル取り出し口は最大 270°まで調整可能 ケーブル取り出し口はデフォルトで右側。 |
接続例

シフトトラベルダイアグラム

![]() | コンタクト・クローズ |
![]() | コンタクト・オープン |
![]() | 強制開離コンタクト |
技術データ
認証取得状況




電気的接続値
| ヘッジ | max. 4 A ジー |
| 定格絶縁電圧 Ui | 50 V |
| 定格インパルス電圧 Uimp | 1.5 kV |
| 利用区分 | |
| AC-15 | 4A 30V |
| DC-13 | 4A 24V |
| スイッチング電流 | |
| DC 24V で最低 | 1 mA |
| 熱定格電流 Ith | 4 A |
機械的価値と環境
| Anfahrgeschwindigkeit | 0.1 ... 60 m/min |
| 接続形態 | |
| 1 x | プラグコネクター M12 (5 ピン) |
| NO 接点の数 | 1 |
| ドア位置強制開離コンタクトの数 | 1 |
| アクチュエーティング エレメント | |
| 金属製スライド・ベアリング | レバー・アーム (d ローラー = 18mm、長さ = 32mm) |
| アクチュエーティング力 | min. 15 N |
| 取り付け向き | すべて |
| 保管温度 | -25 ... 80 °C |
| 機械的寿命 | 30 x 10⁶ |
| スイッチング原理 | スローアクション・スイッチング・コンタクト |
| 保護等級 | IP67 |
| 周囲温度 | -25 ... 80 °C |
| 素材 | |
| ハウジング | 陽極酸化処理ダイキャスト合金 |
| お問い合わせ | 銀合金、金フラッシュ |
EN ISO 13849-1およびEN IEC 62061に準拠した特性値。
| B10D | 耐用時間 | |
|---|---|---|
| 安全ポジション感知 | 2x107 | 20 y |
| 重要! DC-13 100 mA/24V で有効な値 | ||
ダウンロード
一式
ワンクリックですべての重要文書をダウンロードできます。
コンテンツ:
- 操作説明書、およびその補足文書もしくは簡略説明書
- 操作説明書の補足データシート
- 適合宣言書
一式をダウンロード (ZIP, 5,9 MB)
単一文書
使用方法
Operating Instructions Safety Switch NZ.H/P
文書番号
バージョン
言語
サイズ
Operating Instructions Safety Switch NZ.H/P
文書番号
2074550
バージョン
08/25
言語
サイズ
0,8 MB
Mode d’emploi Interrupteur de sécurité NZ.H/P
文書番号
2074550
バージョン
08/25
言語
サイズ
0,8 MB
Manual de instrucciones Interruptor de seguridad NZ.H/P
文書番号
2074550
バージョン
08/25
言語
サイズ
0,8 MB
Betriebsanleitung Sicherheitsschalter NZ.H/P
文書番号
2074550
バージョン
08/25
言語
サイズ
0,8 MB
Istruzioni di impiego Finecorsa di sicurezza NZ.H/P
文書番号
2074550
バージョン
08/25
言語
サイズ
0,8 MB
Instrukcja obsługi Wyłącznik bezpieczeństwa NZ.H/P
文書番号
2074550
バージョン
08/25
言語
サイズ
1,3 MB
Návod na prevádzku Bezpečnostný spínač NZ.H/P
文書番号
2074550
バージョン
08/25
言語
サイズ
1,3 MB
İşletim kılavuzu Emniyet şalteri NZ.H/P
文書番号
2074550
バージョン
08/25
言語
サイズ
1,2 MB
その他の文書
営業資料
Safety Switches with Metal Housing
文書番号
バージョン
言語
サイズ
Safety Switches with Metal Housing
文書番号
100369
バージョン
11-03/18
言語
サイズ
7,8 MB
Interrupteurs de sécurité avec boîtier métallique
文書番号
100676
バージョン
11-03/18
言語
サイズ
7,9 MB
Interruptores de seguridad con carcasa metálica
文書番号
104856
バージョン
11-03/18
言語
サイズ
14,0 MB
Sicherheitsschalter mit Metallgehäuse
文書番号
100319
バージョン
11-03/18
言語
サイズ
7,9 MB
金属壳体 的安全开关
文書番号
102453
バージョン
11-03/18
言語
サイズ
8,2 MB
Bezpečnostní spínače s kovovým pouzdrem
文書番号
121650
バージョン
11-03/18
言語
サイズ
7,8 MB
認証・証明書
CCC
文書番号
バージョン
言語
サイズ
CCC
文書番号
20001849
バージョン
言語
サイズ
0,0 MB
DGUV
文書番号
バージョン
言語
サイズ
DGUV
文書番号
バージョン
言語
サイズ
3,4 MB
DNV-GL
文書番号
バージョン
言語
サイズ
DNV-GL
文書番号
バージョン
言語
サイズ
0,2 MB
WEEE
文書番号
バージョン
言語
サイズ
WEEE
文書番号
ECO20001806
バージョン
言語
サイズ
0,1 MB
c UL us
文書番号
バージョン
言語
サイズ
c UL us
文書番号
バージョン
言語
サイズ
0,3 MB
イープランマクロ
EUC.090868
文書番号
バージョン
言語
サイズ
EUC.090868
文書番号
バージョン
言語
サイズ
0,2 MB
CAD/eCAD
発注データ
| 注文番号 | 090868 |
| 品目指定 | NZ2HS-528SVM5 |
| 総重量 | 0,388kg |
| 関税番号 | 85365019000 |
| ECLASS | 27-27-26-01 Safety position switch (Type 1) |
+ NO 接点 1 個










