ZSM2300-106374 (Rend. sz. 106374)
Válasszon tartalmat
ZSM, pushbuttons, mini joystick, plug connector RC17
- 3-stage function
- Pushbuttons
- Mini joystick
- Plug connector

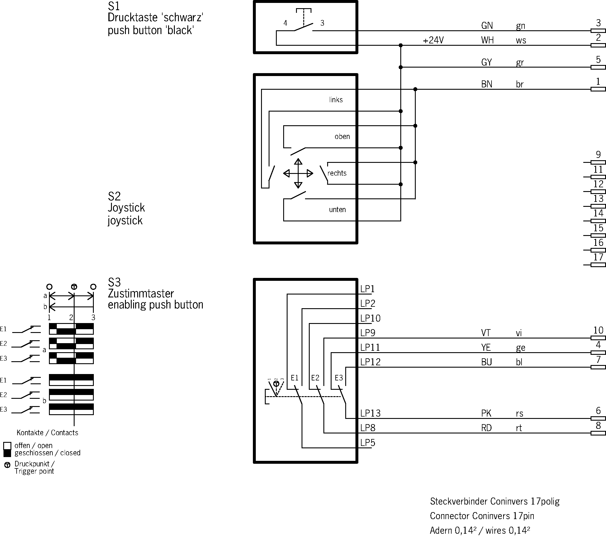
Ismertetés
3-stage function
Enabling function is active only in the second stage (center position, actuating point). If the pushbutton is released or pushed further (panic function), the enabling is removed (dependent on the wiring, see function sequence).
Pushbuttons
Additional functions can be run directly at the enabling switch using the pushbuttons.
One-touch function (joystick)
The four contacts are connected to a common pin. This permits a one-touch function irrespective of the actuating direction.





Dimensional drawings

Dimensional drawings

Connection examples

Connection examples

Connection examples

Műszaki adatok
Approvals


Operating and display elements
| Item | Color | Extras | Switching element | Version | Slide-in label | Note slide-in label | Number | Designation1 | LED |
|---|---|---|---|---|---|---|---|---|---|
| black | Pushbutton | 1 | |||||||
| Mini joystick | 1 |
Electrical connection values
| Fuse | max. 2 A gG |
| rated conditional short-circuit current | 100 A |
| Rated insulation voltage Ui | 50 V |
| Rated impulse voltage Uimp | 0.5 kV |
| Utilization category | |
| DC-13 | 30 V 0.1 A (For enabling switch, caution: outputs must be protected with a free-wheeling diode in case of inductive loads) |
| DC-13 | 24V 0.3A (For additional controls) |
| Switching characteristics | 3-stage enabling switch |
| Degree of contamination (external, according to EN 60947-1) | 3 |
Mechanical values and environment
| Connection type | Plug connector number of pins 17 |
| Number of changeover contacts | 3 (Connection as per block diagram) |
| Storage temperature | -25 ... 70 °C |
| Mechanical life | 1 x 10⁶ |
| Switching principle | Snap-action contact element |
| Degree of protection | IP54 |
| Ambient temperature | -5 ... 60 °C |
| Material | PA, CR, TPE (Low PAH) |
Characteristic values according to EN ISO 13849-1 and EN IEC 62061
| B10D | Mission time | |
|---|---|---|
| Enabling switch | 0.1x106 | 20 y |
Miscellaneous
| in compliance with | 60947-5-8 |
Tartozékok
Letöltések
Teljes csomag
Minden fontos dokumentum letöltése egyetlen kattintással.
Tartalom:
- A használati utasítás és a használati utasítás vagy a rövid utasítás kiegészítései
- A használati utasítást kiegészítő adatlapok
- A megfelelőségi nyilatkozat
Teljes csomag letöltése (ZIP, 2,6 MB)
Egyedi dokumentumok
Declarations of conformity
EU-Konformitätserklärung
Dok. sz.
Változat
Nyelv
Méret
EU-Konformitätserklärung
Dok. sz.
EDC2109392
Változat
Nyelv
Méret
0,2 MB
UKCA-Konformitätserklärung
Dok. sz.
Változat
Nyelv
Méret
UKCA-Konformitätserklärung
Dok. sz.
EDC20001579
Változat
Nyelv
Méret
0,1 MB
Instructions
Operating Instructions Enabling Switch ZSM
Dok. sz.
Változat
Nyelv
Méret
Operating Instructions Enabling Switch ZSM
Dok. sz.
2098540
Változat
08-03/26
Nyelv
Méret
0,5 MB
Mode d’emploi Commande d’assentiment ZSM
Dok. sz.
2098540
Változat
08-03/26
Nyelv
Méret
0,5 MB
Manual de instrucciones Pulsador de validación ZSM
Dok. sz.
2098540
Változat
08-03/26
Nyelv
Méret
0,5 MB
Betriebsanleitung Zustimmtaster ZSM
Dok. sz.
2098540
Változat
08-03/26
Nyelv
Méret
0,5 MB
Manual de instruções Chaves enable ZSM
Dok. sz.
2098540
Változat
08-03/26
Nyelv
Méret
0,5 MB
Istruzioni di impiego Pulsanti di consenso ZSM
Dok. sz.
2098540
Változat
08-03/26
Nyelv
Méret
0,5 MB
Egyéb dokumentumok
Approvals and certificates
DGUV
Dok. sz.
Változat
Nyelv
Méret
DGUV
Dok. sz.
Változat
Nyelv
Méret
3,2 MB
WEEE
Dok. sz.
Változat
Nyelv
Méret
WEEE
Dok. sz.
ECO20001806
Változat
Nyelv
Méret
0,1 MB
c UL us
Dok. sz.
Változat
Nyelv
Méret
c UL us
Dok. sz.
Változat
Nyelv
Méret
0,2 MB
Sales documents
Commandes d’Assentiment ZS
Dok. sz.
Változat
Nyelv
Méret
Commandes d’Assentiment ZS
Dok. sz.
097367
Változat
09-02/21
Nyelv
Méret
10,2 MB
Enabling switches ZS
Dok. sz.
Változat
Nyelv
Méret
Enabling switches ZS
Dok. sz.
095690
Változat
09-02/21
Nyelv
Méret
10,1 MB
Zustimmtaster ZS
Dok. sz.
Változat
Nyelv
Méret
Zustimmtaster ZS
Dok. sz.
095689
Változat
09-02/21
Nyelv
Méret
10,2 MB
Rendelési adatok
| Rend. sz. | 106374 |
| Cikk neve | ZSM2300-106374 |
| Súly | 0,51kg |
| Vámtarifaszám | 85371098 |
| ECLASS | 27-37-12-38 Agreement switch |





