ZSM2304-168744 (Rend. sz. 168744)
ZSM, + and - pushbuttons, stop command device
- 3-stage function
- Stop command device
- + and – buttons
- Coiled connecting cable, 5 m

Ismertetés
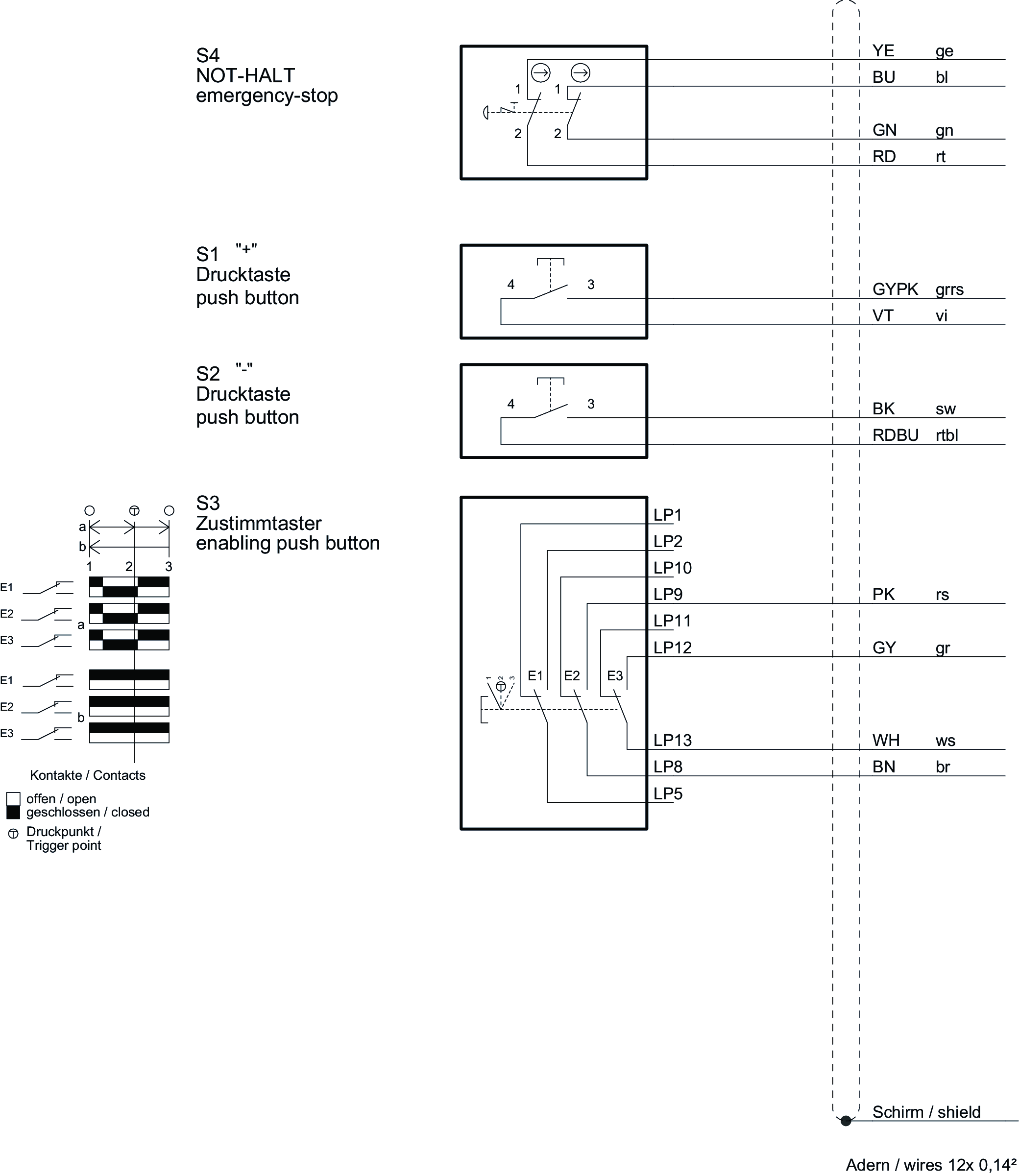
3-stage function
Enabling function is active only in the second stage (center position, actuating point). If the pushbutton is released or pushed further (panic function), the enabling is removed (dependent on the wiring, see function sequence).
Stop command device
Dual-channel emergency stop device (red, with pull-to-reset and turn-to-reset button) on the switch housing, for different wiring concepts.
Lower position, protected by anti-kink strain relief in case of a fall.
+ and – buttons
These pushbuttons can be configured individually. For example, for moving axes in the positive or negative direction.
Cable
The high-quality connecting cables are available in a coiled version.




Dimensional drawings

Connection examples

Connection examples

Connection examples

Műszaki adatok
Approvals


Operating and display elements
| Item | Color | Extras | Version | Slide-in label | Switching element | Note slide-in label | Number | Designation1 | LED |
|---|---|---|---|---|---|---|---|---|---|
| - button | 1 | ||||||||
| Emergency stop device | 1 | ||||||||
| + button | 1 |
Electrical connection values
| Fuse | max. 2 A gG |
| Connecting cable | 12x0.14 mm² (screened) |
| rated conditional short-circuit current | 100 A |
| Rated insulation voltage Ui | 50 V |
| Rated impulse voltage Uimp | 0.5 kV |
| Utilization category | |
| DC-13 | 24V 0.3A (For additional controls) |
| DC-13 | 30 V 0.1 A (For enabling switch, caution: outputs must be protected with a free-wheeling diode in case of inductive loads) |
| Switching characteristics | 3-stage enabling switch |
| Degree of contamination (external, according to EN 60947-1) | 3 |
Mechanical values and environment
| Connection type | Flying lead with cable end sleeves |
| Number of changeover contacts | 3 (Connection as per block diagram) |
| Storage temperature | -25 ... 70 °C |
| Cable length | |
| coiled | 5 m |
| Mechanical life | 1 x 10⁶ |
| Switching principle | Snap-action contact element |
| Degree of protection | IP54 |
| Ambient temperature | -5 ... 60 °C |
| Material | PA, CR, TPE (Low PAH) |
Characteristic values according to EN ISO 13849-1 and EN IEC 62061
| B10D | Mission time | |
|---|---|---|
| Emergency stop | 0.1x106 | 20 y |
| Enabling switch | 0.1x106 | 20 y |
Miscellaneous
| in compliance with | 60947-5-8 |
Tartozékok
Letöltések
Teljes csomag
Minden fontos dokumentum letöltése egyetlen kattintással.
Tartalom:
- A használati utasítás és a használati utasítás vagy a rövid utasítás kiegészítései
- A használati utasítást kiegészítő adatlapok
- A megfelelőségi nyilatkozat
Egyedi dokumentumok
Mode d’emploi Commande d’assentiment ZSM
Manual de instrucciones Pulsador de validación ZSM
Betriebsanleitung Zustimmtaster ZSM
Egyéb dokumentumok
Rendelési adatok
| Rend. sz. | 168744 |
| Cikk neve | ZSM2304-168744 |
| Súly | 0,88kg |
| Vámtarifaszám | 85371098 |
| ECLASS | 27-37-12-38 Agreement switch |


