N01R572-MC2337 (Rend. sz. 111953)
Válasszon tartalmat
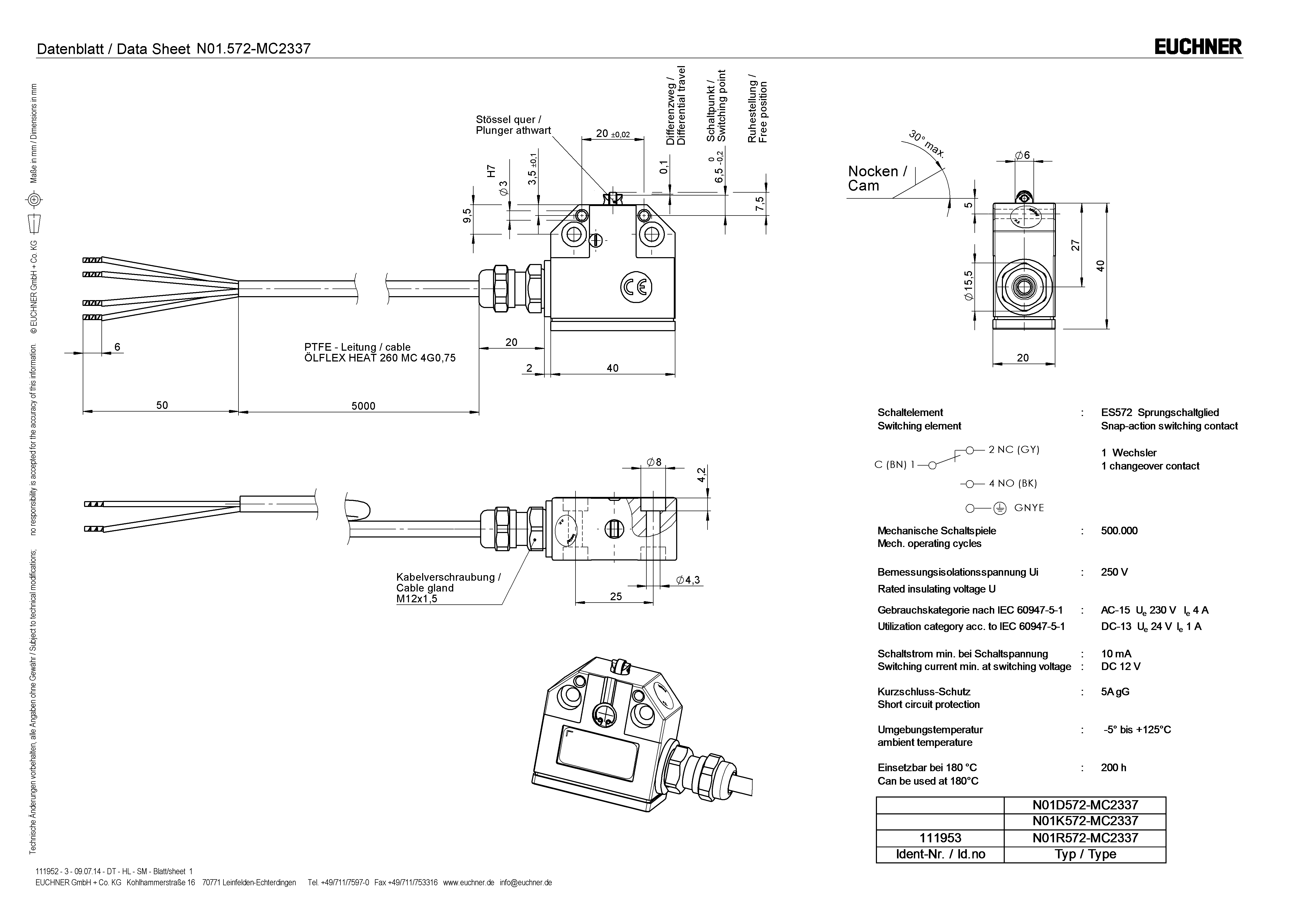
Ehhez a cikkhez nem áll rendelkezésre leírás.
Letöltések
Teljes csomag
Minden fontos dokumentum letöltése egyetlen kattintással.
Tartalom:
- A használati utasítás és a használati utasítás vagy a rövid utasítás kiegészítései
- A használati utasítást kiegészítő adatlapok
- A megfelelőségi nyilatkozat
Teljes csomag letöltése (ZIP, 2,7 MB)
Egyedi dokumentumok
Declarations of conformity
EU-Konformitätserklärung
Dok. sz.
Változat
Nyelv
Méret
EU-Konformitätserklärung
Dok. sz.
EDC2539628
Változat
Nyelv
Méret
0,2 MB
UKCA-Konformitätserklärung
Dok. sz.
Változat
Nyelv
Méret
UKCA-Konformitätserklärung
Dok. sz.
EDC20001551
Változat
Nyelv
Méret
0,1 MB
Instructions
Operating Instructions Precision Single Limit Switch N01/NB01/SN01
Dok. sz.
Változat
Nyelv
Méret
Operating Instructions Precision Single Limit Switch N01/NB01/SN01
Dok. sz.
2105376
Változat
05/25
Nyelv
Méret
0,7 MB
Mode d’emploi Fins de course monopistes de précision N01/NB01/SN01
Dok. sz.
2105376
Változat
05/25
Nyelv
Méret
0,7 MB
Manual de instrucciones Final de carrera unitario de precisión N01/NB01/SN01
Dok. sz.
2105376
Változat
05/25
Nyelv
Méret
0,7 MB
Betriebsanleitung Präzisions-Einzelgrenztaster N01/NB01/SN01
Dok. sz.
2105376
Változat
05/25
Nyelv
Méret
0,7 MB
Istruzioni di impiego Finecorsa di precisione singoli N01/NB01/SN01
Dok. sz.
2105376
Változat
05/25
Nyelv
Méret
0,7 MB
Egyéb dokumentumok
Approvals and certificates
DNV-GL
Dok. sz.
Változat
Nyelv
Méret
DNV-GL
Dok. sz.
Változat
Nyelv
Méret
0,2 MB
WEEE
Dok. sz.
Változat
Nyelv
Méret
WEEE
Dok. sz.
ECO20001806
Változat
Nyelv
Méret
0,1 MB
c UL us
Dok. sz.
Változat
Nyelv
Méret
c UL us
Dok. sz.
Változat
Nyelv
Méret
0,3 MB
