RIEGEL CES-ACR1-AR-C01-AH-SA-104028 (Rend. sz. 104028)
Bolt for safety switch CES-C01
- Bolt for safety switch CES-C01
- Steel bolt
- For doors hinged on the left or right
- Detent knob in open position
- Ball detent mechanism in closed position
- Suitable for a door gap of approx. 15 mm
- Protective plate for safety switch

Ismertetés
Scope of delivery
- Bolt parts
- Safety switch
- Actuator
- Protective plate
Latching in open position
Latching in the open position is intended to prevent persons from trapping themselves in a machine from the inside.
Latching in closed position
Bolt latches in closed position and prevents unintentional opening of the bolt. Ball or spring detent mechanisms are opened by overcoming the spring force.
Door types and door hinges
Suitable for hinged or sliding doors Suitable for doors hinged on the left and right With door stop, door cannot be opened inwards.
Protective plate
The protective plate protects the switch against damage.
Integrated lockout bar
With the aid of the integrated lockout bar, the bolt can be secured in the open position, e.g. using padlocks. It is possible to prevent people from being locked in the danger area unintentionally.

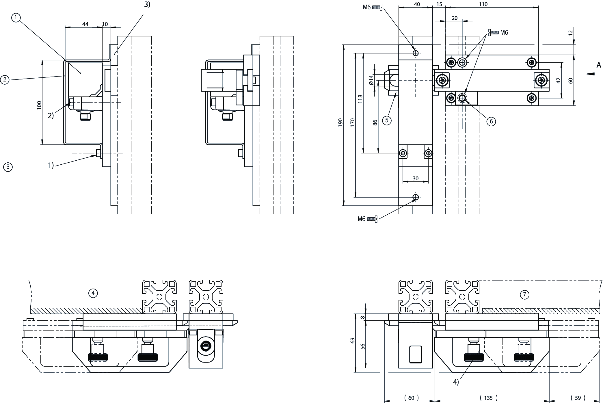
Dimensional drawings

| 1 | Safety switch mounted on switch bracket. |
| 2 | Protective plate mounted on switch bracket. |
| 3 | Changing the approach direction 1) Undo the screws M5x10 (1) 2) Undo the fixing screws on the CES-... 3) Turn the stop plate 4) Mount in the reverse order of removal |
| 4 | Door hinged on the left |
| 4) | Bolt with detent mechanism. Engages in open position. (Prevents unintentional closing of the bolt) Unlocked by pulling the detent knob upward. |
| 5 | safety plate |
| 6 | Detent mechanism against accidental opening (vibration) |
| 7 | Door hinged on the right |
Műszaki adatok
Mechanical values and environment
| Approach direction | A or C |
| Number of safety switches that can be mounted | 1 |
| Escape release | Yes |
| Storage temperature | -25 ... 70 °C |
| Material | |
| Guide strips | Plastic |
| Handle | Plastic |
| Switch bracket | Steel powder-coated |
| Base plate | Galvanized steel |
Miscellaneous
| Detent mechanism closed position | Ball detent mechanism |
Switch CES-AR-C01-AH-SA (Order no. 098941)
Workspace
| Repeat accuracy R | 10 % |
Electrical connection values
| Fuse | |
| external (operating voltage) | 0.25 ... 8 A |
| Rated insulation voltage Ui | 75 V (Tested up to 75 V by employers' liability insurance association) |
| Rated impulse voltage Uimp | 1.5 kV |
| Operating voltage DC | |
| UB | 24 V DC -15% ... +15% reverse polarity protected, regulated, residual ripple<5%, PELV |
| Turn-on time | |
| Safety outputs | max. 400 ms |
| EMC protection requirements | Acc. to EN IEC 60947-5-3 |
| Risk time according to EN 60947-5-3 | max. 260 ms |
| Risk time according to EN 60947-5-3, extension for each additional device | max. 5 ms |
| Safety class | III |
| Current consumption | |
| no load on outputs | max. 50 mA |
| Degree of contamination (external, according to EN 60947-1) | 3 |
| Monitoring output OUT | |
| Output type | p-switching, short circuit-proof |
| Output voltage | 0.8 x UB ... UB V DC (Values at a switching current of 50 mA without taking into account the cable lengths.) |
| Switching current | max. 200 mA |
| Safety outputs OA / OB | |
| Output type | Semiconductor outputs, p-switching, short circuit-proof |
| Output voltage | |
| LOW U(OA,OB) | 0 ... 1 V DC |
| HIGH U(OA,OB) | UB-1.5 ... UB V DC (Values at a switching current of 50 mA without taking into account the cable lengths.) |
| rated conditional short-circuit current | 100 A |
| Discrepancy time | max. 10 ms |
| Utilization category | |
| DC-13 | 24V 400mA (Caution: outputs must be protected with a free-wheeling diode in case of inductive loads.) |
| Off-state current Ir | max. 0.25 mA |
| Switching current | |
| per safety output | 1 ... 400 mA |
| Test pulse duration | max. 1 ms |
Mechanical values and environment
| Connection type | M12 plug connector, 8-pin |
| Tightening torque | |
| Fixing screws | max. 1 Nm |
| Ready delay | 10 s |
| Installation orientation | any |
| Switching frequency | max. 1 Hz |
| Storage temperature | -25 ... 70 °C |
| Mounting distance | min. 40 mm |
| Shock and vibration resistance | Acc. to EN IEC 60947-5-3 |
| Degree of protection | IP67 |
| Ambient temperature | -20 ... 55 °C |
| Material | |
| Housing | Plastic, PBT |
Characteristic values according to EN ISO 13849-1 and EN IEC 62061
| PL | Maximum SIL | PFHD | Category | Mission time | |
|---|---|---|---|---|---|
| Monitoring of the guard position | PL e | - | 2.1x10-9 | 4 | 20 y |
Miscellaneous
| Notices for UL approval | Operation only with UL Class 2 power supply or equivalent measures |
Tartozékok
Letöltések
Teljes csomag
Minden fontos dokumentum letöltése egyetlen kattintással.
Tartalom:
- A használati utasítás és a használati utasítás vagy a rövid utasítás kiegészítései
- A használati utasítást kiegészítő adatlapok
- A megfelelőségi nyilatkozat
Egyedi dokumentumok
Information de sécurité pour verrous-targettes
Información de seguridad para cerrojos
Sicherheitsinformation für Riegel
Egyéb dokumentumok
Rendelési adatok
| Rend. sz. | 104028 |
| Cikk neve | RIEGEL CES-ACR1-AR-C01-AH-SA-104028 |
| Súly | 2,184kg |
| Global Trade Item Number (GTIN) | 4047048005471 |
| Vámtarifaszám | 83014090000 |



