STUFENSCHALTER MIT PLATINE 1 AUS 2 (Rend. sz. 097026)
Válasszon tartalmat
Selector switch 1 of X
Ismertetés


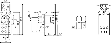
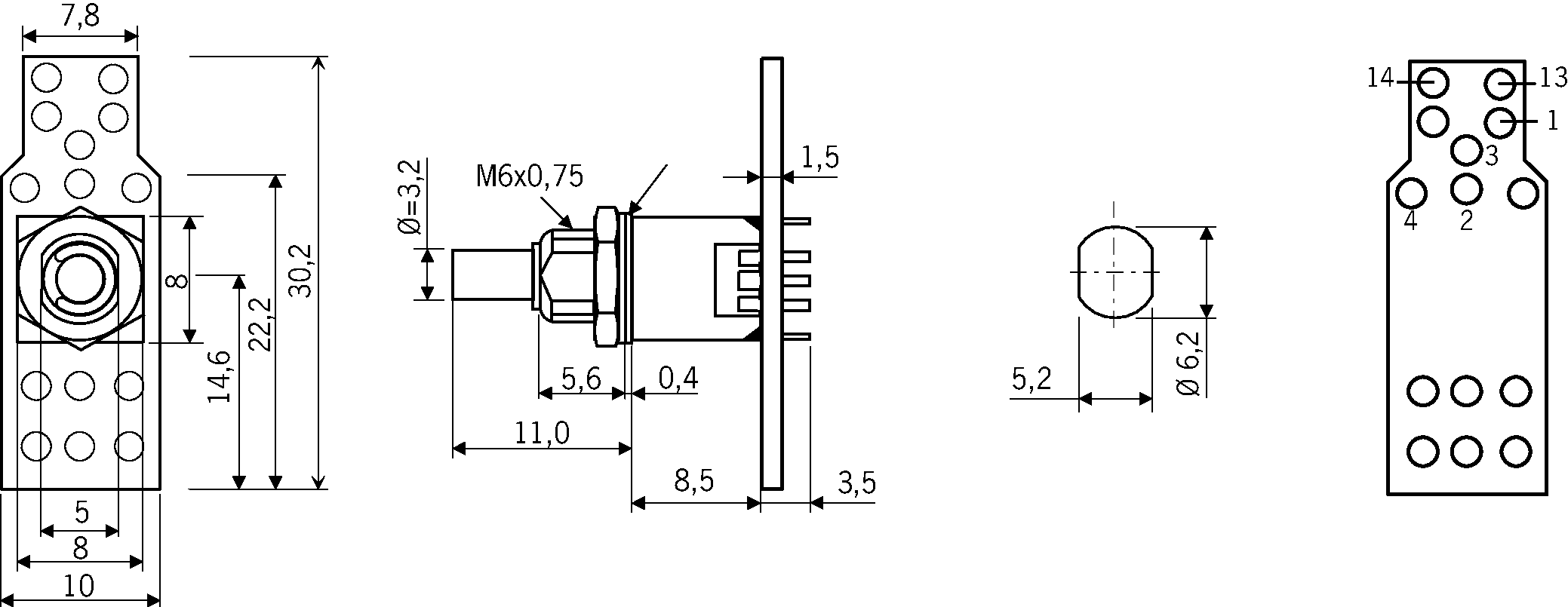
Dimensional drawings

Connection examples

Műszaki adatok
Electrical connection values
| Output code | 1 of 2 |
| Contact resistance | max. 80 mΩ |
| Switching capacity (VA) | max. 0.2 VA |
| Switching voltage | |
| AC/DC | max. 25 V |
| Switching current | 0.1 ... 50 mA |
Mechanical values and environment
| Connection type | Soldered connection on printed circuit board |
| Storage temperature | -25 ... 70 °C |
| Mechanical life | 0.05 x 10⁶ |
| Mounting cut-out | 6,2 x 5,2 mm |
| Detent positions per revolution | 2 break-before-make |
| Detent angle | 30 |
| Degree of protection | IP67 (in the installed state) |
| Ambient temperature | -25 ... 70 °C |
Letöltések
Teljes csomag
Minden fontos dokumentum letöltése egyetlen kattintással.
Tartalom:
- A használati utasítás és a használati utasítás vagy a rövid utasítás kiegészítései
- A használati utasítást kiegészítő adatlapok
- A megfelelőségi nyilatkozat
Teljes csomag letöltése (ZIP, 0,0 MB)
Egyedi dokumentumok
Egyéb dokumentumok
Approvals and certificates
WEEE
Dok. sz.
Változat
Nyelv
Méret
WEEE
Dok. sz.
ECO20001806
Változat
Nyelv
Méret
0,1 MB
Sales documents
Commandes d’Assentiment ZS
Dok. sz.
Változat
Nyelv
Méret
Commandes d’Assentiment ZS
Dok. sz.
097367
Változat
09-02/21
Nyelv
Méret
10,2 MB
Enabling switches ZS
Dok. sz.
Változat
Nyelv
Méret
Enabling switches ZS
Dok. sz.
095690
Változat
09-02/21
Nyelv
Méret
10,1 MB
Zustimmtaster ZS
Dok. sz.
Változat
Nyelv
Méret
Zustimmtaster ZS
Dok. sz.
095689
Változat
09-02/21
Nyelv
Méret
10,2 MB
Rendelési adatok
| Rend. sz. | 097026 |
| Cikk neve | STUFENSCHALTER MIT PLATINE 1 AUS 2 |
| Súly | 0,05kg |
| Vámtarifaszám | 85389099990 |
