SCHALTERAUFNAHME TP/STP GFK (Rend. sz. 096613)
Válasszon tartalmat
Switch bracket CTP/TP/STP GFK
- Switch bracket made of fiber glass reinforced plastic
- For doors hinged on the left or right

Ismertetés
Benefits
- Robust construction
- Easily mounted to standard aluminum profiles and machine covers by screw connection
- Symmetrical design for doors hinged on the right or left
Notes
- Switch bracket suitable for GP, SGP, SGA, TP, STP, STA and CTP

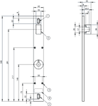
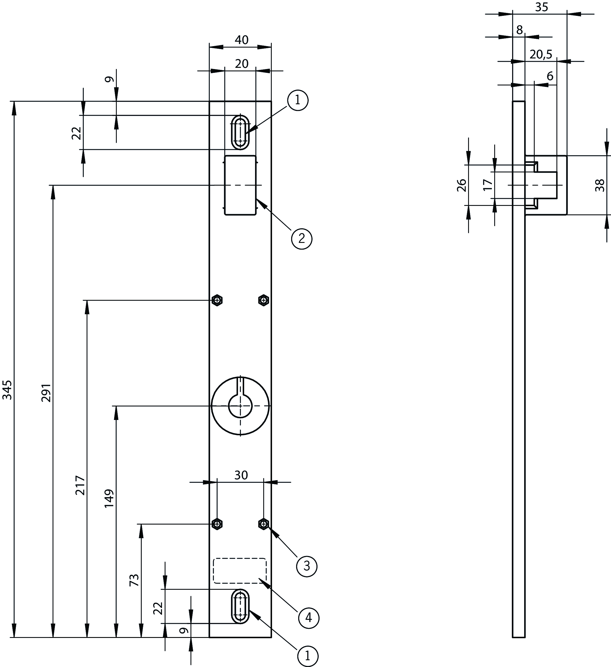
Dimensional drawings

| 1 | Slot for cylinder head screw M6 |
| 2 | Insertion aid: chamfer approx. 2 mm |
| 3 | Threaded bushing B-M5(4x) (metal) |
| 4 | Type label |
Műszaki adatok
Mechanical values and environment
| Storage temperature | -25 ... 70 °C |
| Material | Plastic |
Letöltések
Sales documents
Safety Switches with Metal Housing
Dok. sz.
Változat
Nyelv
Méret
Safety Switches with Metal Housing
Dok. sz.
100369
Változat
11-03/18
Nyelv
Méret
7,8 MB
Interrupteurs de sécurité avec boîtier métallique
Dok. sz.
100676
Változat
11-03/18
Nyelv
Méret
7,9 MB
Interruptores de seguridad con carcasa metálica
Dok. sz.
104856
Változat
11-03/18
Nyelv
Méret
14,0 MB
Sicherheitsschalter mit Metallgehäuse
Dok. sz.
100319
Változat
11-03/18
Nyelv
Méret
7,9 MB
金属壳体 的安全开关
Dok. sz.
102453
Változat
11-03/18
Nyelv
Méret
8,2 MB
Bezpečnostní spínače s kovovým pouzdrem
Dok. sz.
121650
Változat
11-03/18
Nyelv
Méret
7,8 MB
Safety Switches with Plastic Housing
Dok. sz.
Változat
Nyelv
Méret
Safety Switches with Plastic Housing
Dok. sz.
096956
Változat
11-03/18
Nyelv
Méret
6,5 MB
Interrupteurs de sécurité avec boîtier plastique
Dok. sz.
100677
Változat
11-03/18
Nyelv
Méret
6,6 MB
Interruptores de seguridad con carcasa plástica
Dok. sz.
104855
Változat
11-03/18
Nyelv
Méret
6,6 MB
Sicherheitsschalter mit Kunststoffgehäuse
Dok. sz.
096955
Változat
11-03/18
Nyelv
Méret
6,6 MB
塑料壳体 的安全开关
Dok. sz.
116243
Változat
11-03/18
Nyelv
Méret
6,1 MB
Bezpečnostní spínače s plastovým pouzdrem
Dok. sz.
121649
Változat
11-03/18
Nyelv
Méret
6,5 MB
Rendelési adatok
| Rend. sz. | 096613 |
| Cikk neve | SCHALTERAUFNAHME TP/STP GFK |
| Súly | 0,12kg |
| Vámtarifaszám | 85389099990 |

