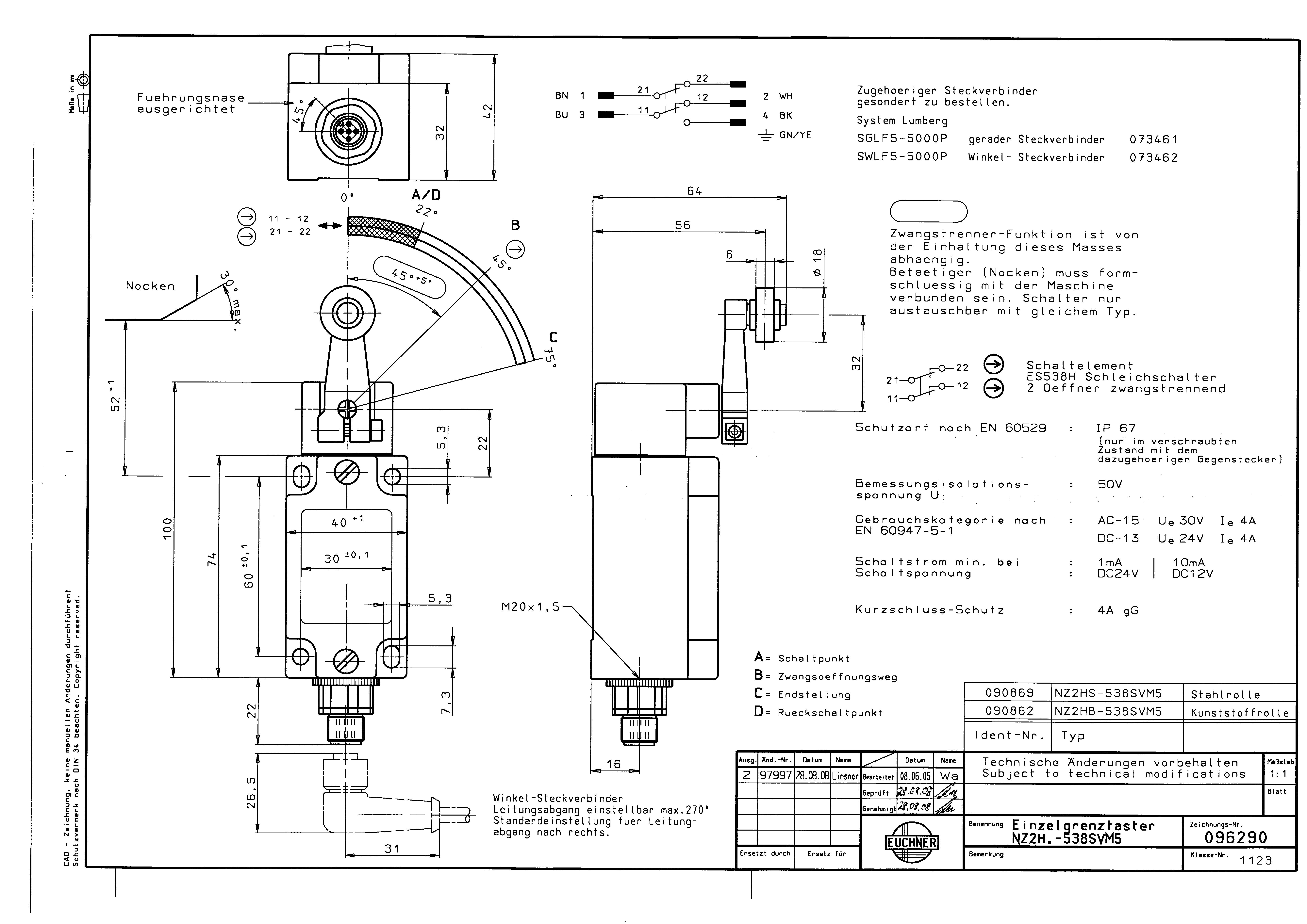
NZ2HB-538SVM5 (Rend. sz. 090862)
Válasszon tartalmat
Safety switch NZ.HB, lever arm with plastic roller, plug connector M12
- Lever arm, plastic roller ø 18 mm
- Version A according to EN 50041
- Plug connector M12, 5-pin
- 2 pos. driven contact

Ismertetés
Switching direction adjustable
Right, left or both sides
Switching element
538H | Slow-action switching contact 2 positively driven contacts |
Dimensional drawings

| 1 | Right-angle plug connector: cable outlet adjustable max. 270° Default setting for cable outlet to the right. |
Connection examples

Shift travel diagrams

![]() | Contacts closed |
![]() | Contacts open |
![]() | Contacts positively driven |
Műszaki adatok
Approvals




Electrical connection values
| Fuse | max. 4 A gG |
| Rated insulation voltage Ui | 50 V |
| Rated impulse voltage Uimp | 1.5 kV |
| Utilization category | |
| DC-13 | 4 A 24 V |
| AC-15 | 4 A 30 V |
| Switching current | |
| min. at DC 24V | 1 mA |
| thermal rated current Ith | 4 A |
Mechanical values and environment
| Anfahrgeschwindigkeit | 0.1 ... 300 m/min |
| Connection type | |
| 1 x | Plug connector M12 (5-pin) |
| Number of door position positively driven contacts | 2 |
| Actuating element | |
| Slide bearing plastic | Lever arm (d roller = 18 mm, length = 32 mm) |
| Actuating force | min. 15 N |
| Installation orientation | any |
| Storage temperature | -25 ... 80 °C |
| Mechanical life | 30 x 10⁶ |
| Switching principle | Slow-action switching contact |
| Degree of protection | IP67 |
| Ambient temperature | -25 ... 80 °C |
| Material | |
| Housing | Anodized die-cast alloy |
| Contact | Silver alloy, gold flashed |
Characteristic values according to EN ISO 13849-1 and EN IEC 62061
| B10D | Mission time | |
|---|---|---|
| Safe position sensing | 2x107 | 20 y |
| Important! Values valid at DC-13 100 mA/24V | ||
Letöltések
Teljes csomag
Minden fontos dokumentum letöltése egyetlen kattintással.
Tartalom:
- A használati utasítás és a használati utasítás vagy a rövid utasítás kiegészítései
- A használati utasítást kiegészítő adatlapok
- A megfelelőségi nyilatkozat
Teljes csomag letöltése (ZIP, 5,9 MB)
Egyedi dokumentumok
Declarations of conformity
EU-Konformitätserklärung
Dok. sz.
Változat
Nyelv
Méret
EU-Konformitätserklärung
Dok. sz.
EDC2539628
Változat
Nyelv
Méret
0,2 MB
UKCA-Konformitätserklärung
Dok. sz.
Változat
Nyelv
Méret
UKCA-Konformitätserklärung
Dok. sz.
EDC20001551
Változat
Nyelv
Méret
0,1 MB
Instructions
Operating Instructions Safety Switch NZ.H/P
Dok. sz.
Változat
Nyelv
Méret
Operating Instructions Safety Switch NZ.H/P
Dok. sz.
2074550
Változat
08/25
Nyelv
Méret
0,8 MB
Mode d’emploi Interrupteur de sécurité NZ.H/P
Dok. sz.
2074550
Változat
08/25
Nyelv
Méret
0,8 MB
Manual de instrucciones Interruptor de seguridad NZ.H/P
Dok. sz.
2074550
Változat
08/25
Nyelv
Méret
0,8 MB
Betriebsanleitung Sicherheitsschalter NZ.H/P
Dok. sz.
2074550
Változat
08/25
Nyelv
Méret
0,8 MB
Istruzioni di impiego Finecorsa di sicurezza NZ.H/P
Dok. sz.
2074550
Változat
08/25
Nyelv
Méret
0,8 MB
Instrukcja obsługi Wyłącznik bezpieczeństwa NZ.H/P
Dok. sz.
2074550
Változat
08/25
Nyelv
Méret
1,3 MB
Návod na prevádzku Bezpečnostný spínač NZ.H/P
Dok. sz.
2074550
Változat
08/25
Nyelv
Méret
1,3 MB
İşletim kılavuzu Emniyet şalteri NZ.H/P
Dok. sz.
2074550
Változat
08/25
Nyelv
Méret
1,2 MB
Egyéb dokumentumok
Approvals and certificates
CCC
Dok. sz.
Változat
Nyelv
Méret
CCC
Dok. sz.
20001849
Változat
Nyelv
Méret
0,0 MB
DGUV
Dok. sz.
Változat
Nyelv
Méret
DGUV
Dok. sz.
Változat
Nyelv
Méret
3,4 MB
DNV-GL
Dok. sz.
Változat
Nyelv
Méret
DNV-GL
Dok. sz.
Változat
Nyelv
Méret
0,2 MB
WEEE
Dok. sz.
Változat
Nyelv
Méret
WEEE
Dok. sz.
ECO20001806
Változat
Nyelv
Méret
0,1 MB
c UL us
Dok. sz.
Változat
Nyelv
Méret
c UL us
Dok. sz.
Változat
Nyelv
Méret
0,3 MB
Sales documents
Safety Switches with Metal Housing
Dok. sz.
Változat
Nyelv
Méret
Safety Switches with Metal Housing
Dok. sz.
100369
Változat
11-03/18
Nyelv
Méret
7,8 MB
Interrupteurs de sécurité avec boîtier métallique
Dok. sz.
100676
Változat
11-03/18
Nyelv
Méret
7,9 MB
Interruptores de seguridad con carcasa metálica
Dok. sz.
104856
Változat
11-03/18
Nyelv
Méret
14,0 MB
Sicherheitsschalter mit Metallgehäuse
Dok. sz.
100319
Változat
11-03/18
Nyelv
Méret
7,9 MB
金属壳体 的安全开关
Dok. sz.
102453
Változat
11-03/18
Nyelv
Méret
8,2 MB
Bezpečnostní spínače s kovovým pouzdrem
Dok. sz.
121650
Változat
11-03/18
Nyelv
Méret
7,8 MB
ePlan macros
EUC.090862
Dok. sz.
Változat
Nyelv
Méret
EUC.090862
Dok. sz.
Változat
Nyelv
Méret
0,1 MB
Rendelési adatok
| Rend. sz. | 090862 |
| Cikk neve | NZ2HB-538SVM5 |
| Súly | 0,381kg |
| Vámtarifaszám | 85365019000 |
| ECLASS | 27-27-26-01 Safety position switch (Type 1) |












