RIEGEL CES-A-C (Rend. sz. 082220)
Bolt for safety switch CES-C01 and CES-A-.5...
- Bolt for switch CES-C01 and CES-A-.5...
- Steel bolt
- For doors hinged on the left or right
- Ball detent mechanism in closed position
- Suitable for a door gap of approx. 15 mm

Ismertetés
Scope of delivery
- CES actuator pre-assembled in the bolt tongue
To be ordered separately:
- Safety switch
- Protective plate (only for switch CES-C01)
Latching in closed position
Bolt latches in closed position and prevents unintentional opening of the bolt. Ball or spring detent mechanisms are opened by overcoming the spring force.
Door types and door hinges
Suitable for hinged or sliding doors Suitable for doors hinged on the left and right With door stop, door cannot be opened inwards.
Protective plate
The protective plate protects the switch against damage.
Integrated lockout bar
With the aid of the integrated lockout bar, the bolt can be secured in the open position, e.g. using padlocks. It is possible to prevent people from being locked in the danger area unintentionally.

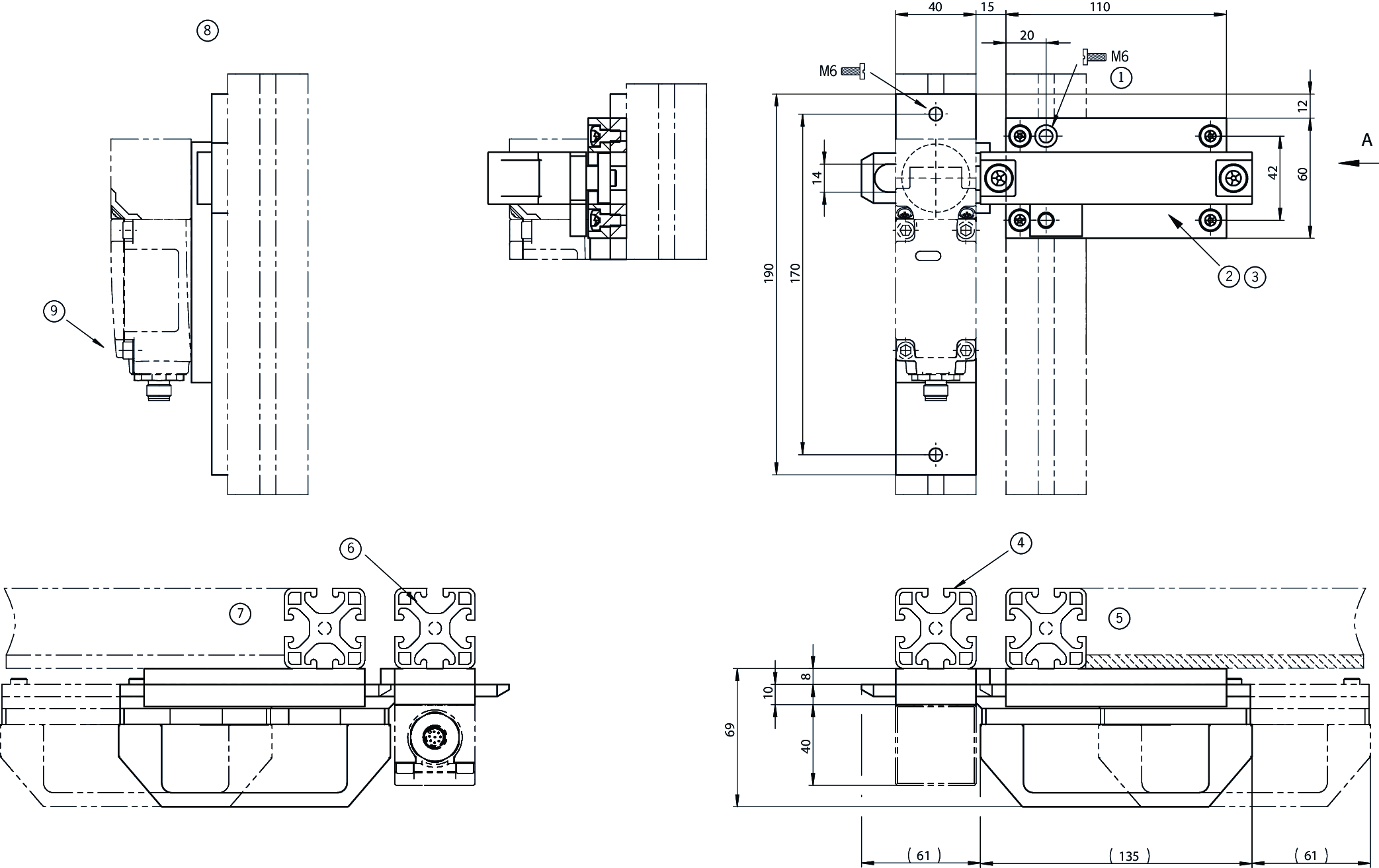
Dimensional drawings

| 1 | (on both sides) |
| 2 | Attention! Bolt is not allowed to be used in conjunction with an escape release! |
| 3 | Detent mechanism against accidental opening (vibration) |
| 4 | Safety guard frame (40x40) |
| 5 | Door hinged on the right |
| 6 | Safety guard frame (40x40) |
| 7 | Door hinged on the left |
| 8 | View A (without slider) |
| 9 | Mounting using screws M5x45 enclosed |
Műszaki adatok
Mechanical values and environment
| Approach direction | A or C |
| Number of safety switches that can be mounted | 1 |
| Escape release | None |
| Storage temperature | -25 ... 70 °C |
| Material | |
| Base plate | Galvanized steel |
| Handle | Plastic |
| Switch bracket | Steel powder-coated |
| Guide strips | Plastic |
Miscellaneous
| Detent mechanism closed position | Ball detent mechanism |
Tartozékok
Letöltések
Teljes csomag
Minden fontos dokumentum letöltése egyetlen kattintással.
Tartalom:
- A használati utasítás és a használati utasítás vagy a rövid utasítás kiegészítései
- A használati utasítást kiegészítő adatlapok
- A megfelelőségi nyilatkozat
Egyedi dokumentumok
Information de sécurité pour verrous-targettes
Información de seguridad para cerrojos
Sicherheitsinformation für Riegel
Egyéb dokumentumok
Rendelési adatok
| Rend. sz. | 082220 |
| Cikk neve | RIEGEL CES-A-C |
| Súly | 1,907kg |
| Vámtarifaszám | 83014090000 |



