CES-A-LNN-SC-106601 (N° de commande 106601)
Tête de lecture CES-A-LNN-SC... Connecteur M8
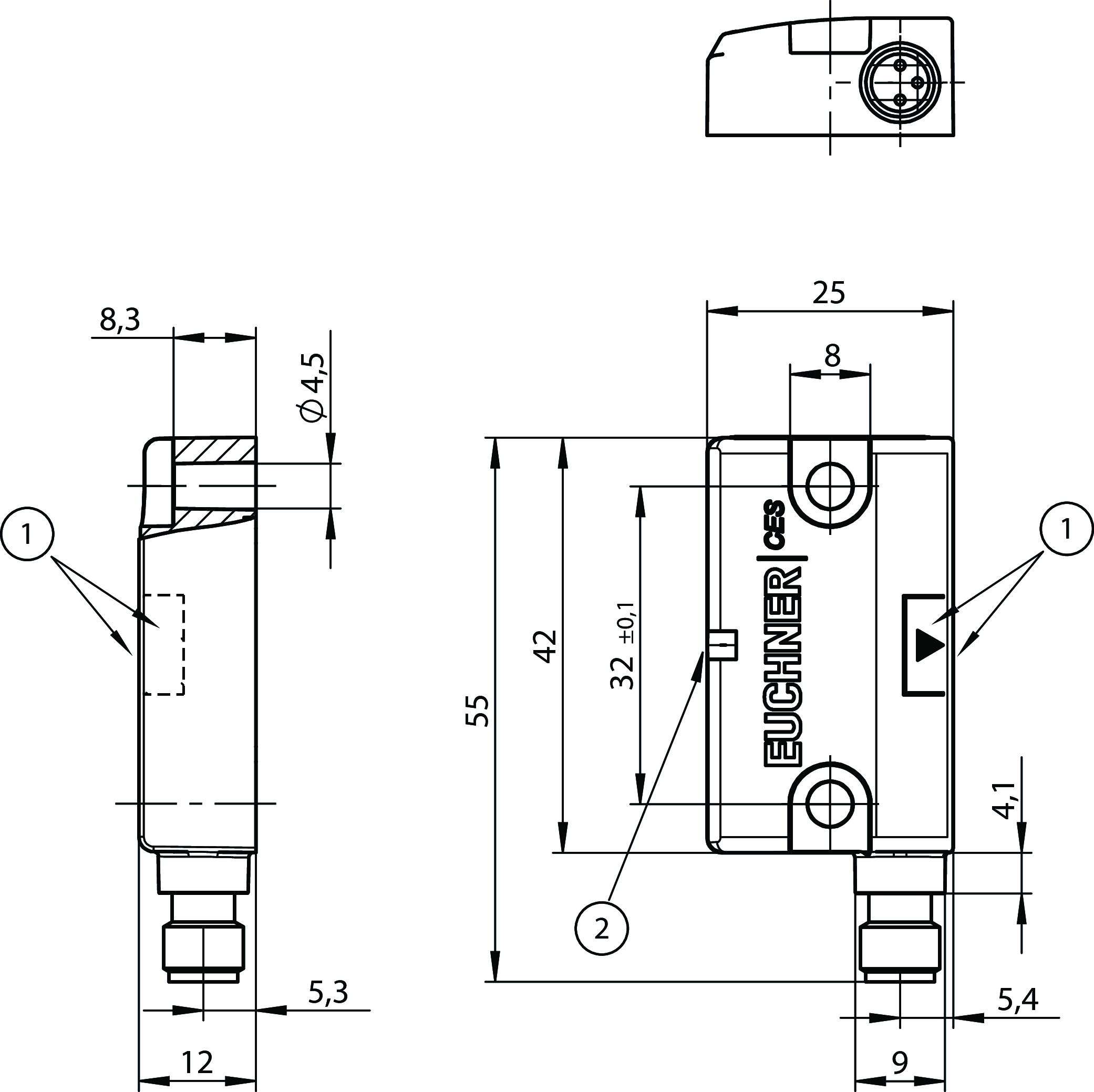
- Forme rectangulaire 42 x 25 mm
- Fixation compatible avec la série CES-A-LNA/LCA
- LED pour indiquer la position de la porte
- Avec connecteur M8

Description
Combinaisons possibles
Convient au raccordement à un analyseur CES-AZ
Attention : la zone de détection peut varier en fonction du matériau du support et de l’emplacement de montage.
Important : les actionneurs doivent être commandés séparément !
Sens d’attaque
Zone de détection type
Afin de ne pas entrer dans la zone de détection des lobes secondaires, une distance minimale s = 6 mm doit être respectée entre l’actionneur et la tête de lecture pour une approche latérale.


Dessins cotés

| 1 | Face active |
| 2 | LED |
Exemples de connexion

Caractéristiques techniques
Autorisations

Eléments de commande et d'affichage
| Indicateur LED | Blanc : actionneur valide détecté |
Puissance électrique connectée
| Alimentation | Par l’analyseur |
Valeurs mécaniques et environnement
| Type de connexion | Connecteur M8, 3 broches |
| Couple de serrage | |
| Vis de fixation | max. 1 Nm |
| Position de montage | Au choix |
| Température de stockage | -25 ... 70 °C |
| Longueur de câble | |
| maximal admissible | max. 25 m |
| Indice de protection | IP67 |
| Température ambiante | -25 ... 70 °C |
| Matériau | |
| Boîtier | Thermoplastique renforcé avec des fibres de verre (PBT), surmoulé |
| Mode de fonctionnement | Inductif |
Accessoires

C-M08F03-02X025PU10,0-ES-098590
- Connecteur femelle M8, 3 broches
- Connecteur coudé
- Sortie de câble C (côté gauche)
- Câble PUR
- Longueur de câble 10 m
- Avec extrémité de câble libre

C-M08F03-02X025PV10,0-ES-084701
- Connecteur femelle M8, 3 broches
- Connecteur coudé
- Sortie de câble C (côté gauche)
- Câble PVC
- Longueur de câble 10 m
- Avec extrémité de câble libre

C-M08F03-02X025PU25,0-ES-120280
- Connecteur femelle M8, 3 broches
- Connecteur coudé
- Sortie de câble C (côté gauche)
- Câble PUR
- Longueur de câble 25 m
- Avec extrémité de câble libre

C-M08F03-02X025PV25,0-ES-099998
- Connecteur femelle M8, 3 broches
- Connecteur coudé
- Sortie de câble C (côté gauche)
- Câble PVC
- Longueur de câble 25 m
- Avec extrémité de câble libre
Téléchargements
Ensemble complet
Télécharger tous les documents importants en un seul clic.
Contient :
- Le mode d’emploi et, le cas échéant, compléments du mode d’emploi ou brèves instructions
- Le cas échéant, fiches techniques en complément du mode d’emploi
- La déclaration de conformité
Documents individuels
Autres documents
Données de commande
| N° de commande | 106601 |
| Désignation article | CES-A-LNN-SC-106601 |
| Poids brut | 0,027kg |
| Global Trade Item Number (GTIN) | 4047048006034 |
| Code douanier | 85389099990 |
| ECLASS | 27-27-24-03 Safety-related transponder switch |





